Что-то не так?
Пожалуйста, отключите Adblock.
Портал QRZ.RU существует только за счет рекламы, поэтому мы были бы Вам благодарны если Вы внесете сайт в список исключений. Мы стараемся размещать только релевантную рекламу, которая будет интересна не только рекламодателям, но и нашим читателям. Отключив Adblock, вы поможете не только нам, но и себе. Спасибо.
Как добавить наш сайт в исключения AdBlockРеклама
Вольтметр на К1003ПП1
|
Вольтметры с дискретной светодиодной шкалой в ряде случаев оказываются предпочтительнее стрелочных. Так, любительские дискретные индикаторы получили широкое распространение для контроля бортового напряжения в автомобиле. Типичный пример такого прибора был представлен в статье Г. Гвоздицкого "Индикатор напряжения бортовой сети" ("Радио", 1992, # 7). Ниже описано подобное устройство с практически такими же возможностями и принципом работы, но выполненное не на пяти, а всего на одной микросхеме. К тому же оно более чем в десять раз экономичнее. Самые первые из опубликованных в журнале "Радио" приборов для контроля напряжения бортовой сети построены на двух-трех светодиодах и указывают лишь на то, что напряжение в тот или иной момент находится в некоторых известных пределах, порой весьма широких. Более точного значения напряжения такие индикаторы дать не могут. В дальнейшем авторы публикаций стали делить контролируемый интервал напряжения на большее число узких участков. Точность оценки напряжения повысилась, но пропорционально увеличилась и сложность индикаторов.
Весьма удачное схемное решение индикатора предложил О. Клевцов в статье "Бортовой светодиодный вольтметр" в "Радио", 1998, # 3, с. 54, 55, 60. Прибор содержит резистивный делитель напряжения и пороговые устройства на логических элементах цифровой микросхемы К561ЛН2. Табло прибора - линейка из шести светодиодов, указывающих напряжение в пределах 10...15 В с шагом 1 В. Таким образом, прибор О. Клевцова без натяжки можно считать вольтметром, правда, не очень точным. Увеличение точности путем наращивания длины резистивного делителя и числа пороговых устройств приводит к неоправданному усложнению прибора, а главное - к большим сложностям в калибровке шкалы. Наилучший выход из положения - применение специализированной микросхемы К1003ПП1. Она предназначена для управления светодиодной шкалой непрерывного или дискретного вида и представляет собой простейший аналого-цифровой преобразователь, содержащий резистивный делитель напряжения и набор компараторов и коммутаторов тока - по числу ячеек индикации. Схема вольтметра, предлагаемого автором этих строк, показана на рис. 1. Прибор позволяет визуально контролировать напряжение бортовой сети автомобиля в пределах от 9,5 до 15 В с шагом 0,5 В. Максимальный потребляемый ток не превышает 20 мА. Диод VD1 защищает прибор от подачи входного напряжения в обратной полярности. Стабилитрон VD2 фиксирует нижнюю границу шкалы. Конденсаторы С1 и С2 сглаживают случайные всплески бортового напряжения. На резисторе R2 и стабилитроне VD3 собран источник образцового напряжения, определяющий шаг индикации. На табло вольтметра светит только один светодиод, соответствующий текущему значению напряжения бортовой сети. Для табло лучше выбрать светодиоды HL1-HL3 и HL9-HL12 красного свечения, а HL4-HL8 - зеленого. Тогда даже при беглом взгляде на шкалу водитель получит информацию о том, находится ли напряжение в границах нормы (11,5...13,5 В) или вышло за них.
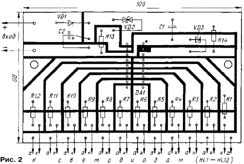
Все детали вольтметра смонтированы на печатной плате из фольгированного стеклотекстолита толщиной не менее 1,5 мм. Чертеж платы представлен на рис. 2. Конструкция платы рассчитана на технологию резания. Зачернены участки, где фольга отсутствует. Можно изготовить плату и методом травления. В этом случае раскладка рисунков проводников "под резак" позволяет получить значительную экономию хлорного железа. Смонтированную плату я поместил в футляр от аудиокассеты. Выводы светодиодов согнуты на прямой угол так, чтобы после монтажа их оптические оси были параллельны плате. Линзы светодиодов пропущены в отверстия, просверленные в длинной боковой стенке футляра. Рядом с отверстиями нанесена оцифровка в значениях напряжения. Все резисторы в вольтметре - МЛТ-0,125; конденсаторы: С1 - из серии КМ, С2 - К50-35. Вместо АЛ307Б и АЛ307Г можно использовать светодиоды серии АЛ307БМ и АЛ307ГМ, а также современные из серий КИПМО и КИПДО с током не более 10 мА. Вместо двуанодного стабилитрона подойдет любой маломощный одноанодный на напряжение стабилизации 9,1 В (включенный анодом к резистору R13). Диод VD1 - любой кремниевый. Отечественная микросхема К1003ПП1 заменима зарубежной А277Д. Прибор в налаживании не нуждается и начинает работать сразу после включения. Радио №6, 1999 |