Что-то не так?
Пожалуйста, отключите Adblock.
Портал QRZ.RU существует только за счет рекламы, поэтому мы были бы Вам благодарны если Вы внесете сайт в список исключений. Мы стараемся размещать только релевантную рекламу, которая будет интересна не только рекламодателям, но и нашим читателям. Отключив Adblock, вы поможете не только нам, но и себе. Спасибо.
Как добавить наш сайт в исключения AdBlockРеклама
Индикаторы напряженности диаппазона 27 МГц
|
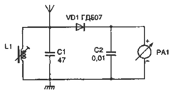
Рассмотрим простейший индикатор напряженности электромагнитного поля в диапазоне 27 МГц. Он состоит из антенны, колебательного контура L1C1, диода VD1, конденсатора С2 и измерительного прибора. Работает устройство следующим образом. Через антенну на колебательный контур поступают ВЧ колебания. Контур отфильтровывает колебания диапазона 27 МГц из смеси частот. Выделенные колебания ВЧ детектируются диодом VD1, благодаря чему на выход диода проходят только положительные полуволны принимаемых частот. Огибающая этих частот представляет собой НЧ колебания. Остатки ВЧ колебаний фильтруются конденсатором С2. При этом через измерительный прибор потечет ток, который содержит переменную и постоянную составляющие. Измеряемый прибором постоянный ток примерно пропорционален напряженности поля, действующей в месте приема. Этот детектор можно выполнить в виде приставки к любому тестеру. Катушка L1 диаметром 7 мм с подстроечным сердечником имеет 10 витков провода ПЭВ-1 0,5 мм. Антенна выполнена из стальной проволоки длиной 50 см.
Чувствительность прибора можно значительно повысить, если перед детектором установить усилитель ВЧ. Принципиальная схема такого устройства представлена на рисунке ниже. Эта схема, по сравнению с предыдущей, имеет более высокую чувствительность передатчика. Теперь излучение может быть зафиксировано на расстоянии несколько метров.
Высокочастотный транзистор VT1 включен по схеме с общей базой и работает в качестве селективного усилителя. Колебательный контур L1C2 включен в его коллекторную цепь. Связь контура с детектором осуществляется через отвод от катушки L1. Конденсатор СЗ отфильтровывает высокочастотные составляющие Резистор R3 и конденсатор С4 выполняют функцию фильтра НЧ. Катушка L1 намотана на каркасе с подстроенным сердечником диаметром 7 мм проводом ПЭВ-1 0,5 мм. Антенна выполнена из стальной проволоки длиной около 1 м.
|