LAB599.RU — интернет-магазин средств связи
EN FR DE CN JP
QRZ.RU > Каталог схем и документации > Схемы наших читателей > Дайджест радиосхем > Измеритель емкости и тока утечки конденсаторов

Измеритель емкости и тока утечки конденсаторов




Измеритель емкости и тока утечки конденсаторов
 Измеритель емкости и тока утечки конденсаторов

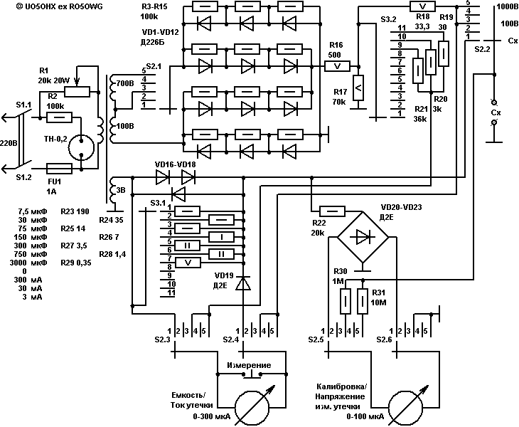
  Этот прибор измеряет ток через электролитический конденсатор при подаче на него переменного напряжения 1,5В 50 Гц. Столь малая величина напряжения не пробивает оксидный слой, поэтому обратный ток не влияет на точность измерения. Шкала измерителя тока проградуированна в величинах емкости, с помощью эталонных конденсаторов. Так же прибор позволяет измерять ток утечки конденсаторов при его рабочем напряжении. Для измерения величины емкости необходимо, при подключенном конденсаторе, резистором R1 установить показания прибора 2 на середину шкалы (1,5В), и, нажав кнопку, выбрать предел шкалы измерителя переключателем S3. Этим же переключателем выбираем шкалу тока при измерении утечки. Режим измерения емкости и шкала напряжения при измерении тока выбирются переключателем S2. Напряжение, при измерении тока утечки, выставляется так же с помощью R1.

Шустиков Е. Г.
UO5OHX ex RO5OWG

Источник: shems.h1.ru

Партнеры