Что-то не так?
Пожалуйста, отключите Adblock.
Портал QRZ.RU существует только за счет рекламы, поэтому мы были бы Вам благодарны если Вы внесете сайт в список исключений. Мы стараемся размещать только релевантную рекламу, которая будет интересна не только рекламодателям, но и нашим читателям. Отключив Adblock, вы поможете не только нам, но и себе. Спасибо.
Как добавить наш сайт в исключения AdBlockРеклама
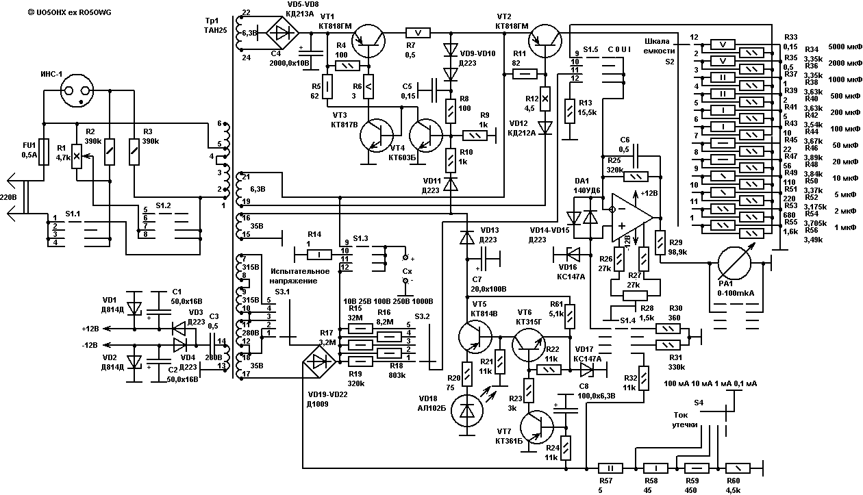
Измеритель емкости и тока утечки конденсаторов
|
В этом измерителе используется линейная зависимость запасенной в конденсаторе энергии от величины его емкости. Ключ на транзисторе VT1 заряжает измеряемый конденсатор до стабильного напряжения 2 Вольта, а через ключ VT2 происходит измерение запасенной в нем энергии при разряде через шунты R33-R55. Процесс измерения происходит 50 раз в секунду. Измерение тока утечки производится при рабочем напряжении на конденсаторе, которое выставляется с помощью потенциометра мощностью 25 Ватт. Шкала емкостей 1, 2, 5, 10, 20, 50, 100, 200, 500, 1000, 2000, 5000 мкФ.Шкала напряжений 10, 25, 100, 250, 1000 Вольт. Шкала токов 0,1 , 1 , 10, 100 мА. Измерение тока производится тем же прибором после выставления рабочего напряжения. Для индикации перегрузки по току, при выставлении рабочего напряжения, служит светодиод VD18 загорающийся при 20% превышении текущей шкалы тока. В этом приборе измерительная головка защищена от перегрузки, но данный индикатор позволяет поберечь и шунты измерения тока и трансформатор. При измерении утечки напряжение питание схемы измерения тока так же меняется, поэтому оно стабилизировано с помощью VD1,VD2, что позволило применить в измерителе всего один трансформатор Тр1. Шустиков Е. Г. |
