LAB599.RU — интернет-магазин средств связи
EN FR DE CN JP

Цифровой измеритель емкости




Цифровой измеритель емкости

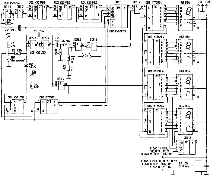
  В радиолюбительской практике часто появляется необходимость измерения емкости электролитических конденсаторов,так как их емкость со временем может измениться весьма значительно. Прибор, описанный в [1], по мнению автора, имеет ряд недостатков — высокое энергопотребление, узкий диапазон измеряемых емкостей (10... 10000 мкФ), низкую точность измерения малых емкостей.Предлагаемый измеритель свободен от указанных недостатков. Вместе с тем, оставив неизменным число используемых микросхем, удалось существенно повысить точность и ввести ряд сервисных функций, облегчающих работу с прибором. Данный прибор обеспечивает измерение емкости конденсаторов от 0,01 до 10000 мкФ на четырех поддиапазонах с верхними пределами измерения 10, 100, 1000 и 10000 мкФ. Поддиапазоны переключаются автоматически. Результат измерений представляется в цифровом виде на четырехразрядном индикаторе.

 Цифровой измеритель емкости

  Принцип действия прибора основан на подсчете числа импульсов за интервал времени, пропорциональный емкости конденсатора. Преобразователь "емкость-время" выполнен на одновиб-раторе DD5.3, DD5.4. Длительность импульса, формируемого таким одновибратором, определяется по эмпирической формуле из [2]. Резисторы R7 и R8 подобраны таким образом, чтобы длительность импульсов в миллисекундах была численно равна емкости в микрофарадах. Запуск одновибратора осуществляется после нажатия кнопки SB1. Для подавления дребезга контактов кнопки предназначен формирователь DD5.1, DD5.2. Он формирует импульс отрицательной полярности, длительность которого соответствует времени замыкания контактов, а фронт и спад импульса несколько задержаны относительно моментов замыкания и размыкания [З]. Инвертор DD1.4 вырабатывает сигнал сброса, совпадающий по времени с импульсом формирователя, что обеспечивает установку в исходное состояние счетчиков DD9...DD12 и триггера DD7. Спад импульса отрицательной полярности при помощи дифференцирующей цепочки C2-R5 преобразуется в короткий положительный импульс, запускающий одновибратор. Импульс с выхода одновибратора открывает электронный ключ DD1.3, разрешающий прохождение счетных импульсов от генератора опорных частот. Основной частью этого генератора частот является мультивибратор на DD1.1, DD1.2 с кварцевой стабилизацией частоты [2]. Микросхемы DD2...DD4 составляют линейку делителей частоты на 10. Таким образом, на входы мультиплексора DD6.1 подаются частоты 1 МГц, 100, 10 и 1 кГц.

  Мультиплексор DD6.1 совместно с триггером DD7 и счетчиком DD8 образуют узел автоматического выбора предела измерения. При нажатии кнопки SB1 схема автоматического выбора предела устанавливается в исходное состояние благодаря подаче на вход R DD8 логической "1" через резистор R4. Счетчик DD8 устанавливается в нулевое состояние, а мультиплексор DD6.1 подает на вход электронного ключа DD1.3 частоту 1 МГц, что соответствует наименьшему пределу измерения. В случае переполнения счетчиков DD9...DD12, на выходе переноса DD12 происходит спад импульса положительной полярности, который увеличивает состояние счетчика DD8 на единицу и записывает в триггер DD7 логический "О" с входа D. Этот логический "О" вызывает срабатывание формирователя. По отрицательному импульсу формирователя происходит сброс счетчиков DD9...DD12 и перевод триггера DD7 в состояние логической "1". В результате длительность импульса формирователя будет равна времени задержки. По спаду этого импульса происходит перезапуск одновибратора. Изменение состояния DD8 приведет к тому, что частота на выходе DD6.1 будет равна 100 кГц, а это соответствует увеличению предела измерения в 10 раз.

  Микросхемы DD9...DD12 представляют собой декадные счетчики с выходом на семисегментный индикатор. В качестве индикаторов использованы вакуумно-люминесцентные индикаторы, которые обладают низким токопотреблением и лучшими, по сравнению со светодиодными матрицами, яркостными характеристиками. Мультиплексор DD6.2 осуществляет управление десятичными точками индикаторов.

  Налаживание прибора рекомендуется производить в следующем порядке:
1. Вход R DD8 временно отключить от кнопки SB1.
2. В точку соединения R2 и R3 подключить генератор прямоугольных импульсов частотой 50...200 Гц. Особых требований к нему не предъявляется, и его можно собрать по любой из схем, приведенных в [2, З].
3. В качестве образцового подключить конденсатор емкостью 0,5.. .4 мкФ. Следует помнить, что точность измерителя зависит только от точности калибровки.
4. Резистором R8 следует добиться как можно более точного соответствия показаний прибора и действительной емкости образцового конденсатора. После настройки движок R8 желательно законтрить краской.

  В измерителе можно применить микросхемы серий К176, К561, К1561, а также 564. Резисторы —типа МЛТ-0,125. Резистор R8 лучше использовать многооборотный типа СП5-1. В качестве калибровочного конденсатора автор использовал К71-5В 1 мкф±1%. Следует отметить, что не все экземпляры ИМС К176ЛА7 устойчиво работают в кварцевом генераторе, поэтому использовать в качестве DD1 К176ЛА7 не рекомендуется. В качестве индикаторов можно применить, кроме указаных на схеме, ИВЗ, ИВ8. Если же применить жидкокристаллические индикаторы, что потребует небольшой доработки схемы [3, 4], прибор может питаться от одной батареи напряжением 9 В типа "Крона".

  Литература:
1. Курочкина Л. А. Цифровой измеритель емкости оксидных конденсаторов. — Радио, 1988, N8, С. 50-52.
2. Шелестов И. П. Радиолюбителям: полезные схемы. Кн. 2. — М.: "Солон", 1998.
3. Бирюков С. А. Цифровые устройства на КМОП-интегральных микросхемах. 2-е изд., перераб. и доп. — М.:Радио и связь, 1996.
4. Быстров Ю. А. и др. Оптоэлектронные устройства в радиолюбительской практике — М.: Радио и связь, 1995

Уваров А.
Радиолюбитель №5, 2001

Источник: shems.h1.ru

Партнеры