LAB599.RU — интернет-магазин средств связи
EN FR DE CN JP
QRZ.RU > Каталог схем и документации > Схемы наших читателей > Дайджест радиосхем > Индикатор разряда аккумуляторной батареи

Индикатор разряда аккумуляторной батареи




Индикатор разряда аккумуляторной батареи

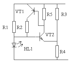
 Индикатор разряда аккумуляторной батареи   При эксплуатации аккумуляторов очень важно не допускать разряда батарей ниже определЈнного предела. Это возможно если устройство обладает встроенным интеллектом и само отключается при низком напряжении. Однако простые устройства нужно отключать вручную. Для этой цели служит приведенная ниже схема.

  Пока напряжение выше заданного порога светодиод погашен, и устройство потребляет ток не больше 500 микроампер. Как только напряжение упадЈт, светодиод включается и сигнализирует о разряде батарей. Порог включения очень резкий, светодиод сразу начинает светиться полным накалом. Преимущество схемы: простота, малое количество деталей и неплохая термостабильность. Этот индикатор можно сляпать за час из хлама, которого всегда достаточно у любого радиолюбителя. Схема была взята из какого то "Радио", а конструкцию я сделал свою собственную. Цель была сделать встраиваемый индикатор минимального объЈма. Практически всЈ вписано в параллелепипед 7х7х25 мм.

 Индикатор разряда аккумуляторной батареи   Технология такова. БерЈм кусочек двустороннего текстолита и выпиливаем прямоугольник 16х7 мм. Скальпелем прорезаем фольгу и формируем контактные площадки. С обратной стороны рисунок проще. Точками отмечены дырочки. Металлизировать отверстия лишняя морока, по этому просто пропускаем в дырочки проводки и соединяем верхние и нижние дорожки. Плата готова. Приступаем к монтажу деталей. Транзисторы кремниевые, прекрасно работает сладкая парочка КТ315 - КТ361, хотя в качестве VT1 чего только не втыкалось. Для минимизации размеров корпуса транзисторов можно подпилить надфилем, но главное не переусердствовать. Припаиваем транзисторы, прямой лицом, а обратный спиной вверх. Сверху напаиваем R1, R2, R5. Желательно ничего не перегреть и не перемкнуть. Теперь переворачиваем плату на спину и припаиваем делитель R3 R4 и светодиод. Припаиваем проволочную перемычку от плюса светодиода к базе VT2 и провода питания. Конструкция готова. Возможно, придЈтся поиграть сопротивлениям резисторов R3 и R4, но доступ к ним простой. Готовую конструкцию можно залить лаком, эпоксидкой, парафином…. Крепить еЈ лучше термоклеем, хотя можно увеличить размер платы и предусмотреть "уши", но это уже по месту. Теперь о деталях. Резисторы рассчитываем по эмпирическим формулам:
R1 = (Uпит - 1,4)/0.05
R2 = (Uсраб-1,7)/10
R3 = (Uпит-0,8)/0,8 х R4 При токе делителя 0,3-0,5 мА
R5 = 10кОм
Напряжение в вольтах, сопротивление в кОмах.

  Размер - чем меньше, тем лучше. Светодиод АЛ307Б с током свечения 10 ма. Можно использовать и зелЈный светодиод, но тогда поплывут пороги срабатывания. Кстати сказать, индикатор имеет заметный (0,2-0,4 вольта) гистерезис, что практически исключает подмаргивание индикатора.

Андрей Гуленок
Источник: shems.h1.ru

Партнеры