|
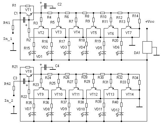
Индикатор уровня сигнала
Напряжение питания от 6-20В. Вход индикатора подключается к линейному выходу источника сигнала. С2 и С4 влияют на скорость переключения светодиодов. Изменить яркость светодиодов можно изменением номиналов балластных резисторов.
R1 - 10K
R2 - 2.2K
R3 R5 R7 R9 R11 R13 - 22K
R4 R6 R8 R10 R12 - 1K
R14 - 2.2K
R15 R16 R17 R18 R19 R20 -2.2K
R21 -10K
R22 -2.2K
R23 R25 R27 R29 R31 R33 - 22K
R24 R26 R28 R30 R32 - 1K
R34 - 2.2K
R35 R36 R37 R38 R39 R40 - 2.2K
R41 R42 - 0.5K
C1 C2 C3 C4 - 10mFх16V
VT1..VT14 KT3102AM, BC547
DA1 - 78L05, аналог


Источник: shems.h1.ru
|