Что-то не так?
Пожалуйста, отключите Adblock.
Портал QRZ.RU существует только за счет рекламы, поэтому мы были бы Вам благодарны если Вы внесете сайт в список исключений. Мы стараемся размещать только релевантную рекламу, которая будет интересна не только рекламодателям, но и нашим читателям. Отключив Adblock, вы поможете не только нам, но и себе. Спасибо.
Как добавить наш сайт в исключения AdBlockРеклама
Устройство и метод лечения заикания (быстрого изучения иностранных языков)
|
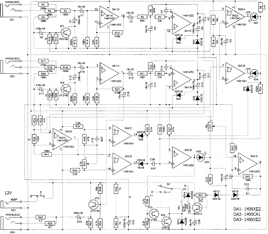
Хочу сразу предупредить, что метод и устройство несколько садистские, но для тех, кто все попробовал и результат "ноль", может это последняя возможность заговорить нормально. Все основано на внедрении в подсознание боязни говорить неправильно. Страх - наилучший стимулятор, а в сочетании с аутотренингом обеспечивает максимальную эффективность. При разработке приоритетом была простота, и доступность деталей. Все смонтировано на одной печатной плате с выносным блоком питания 12В. Использовать устройство можно совместно с любым источником аудиосигнала (плеер, магнитофон, компьютер) 100-200 мВ. Устройство содержит два канала усиления аудиосигнала с эффективной АРУ и ФНЧ с частотой среза 2,4 Гц для выделения фонемов речевого сигнала, схемы контроля амплитуды аудиосигнала, схемы выделения разностного сигнала, схемы контроля уровня допустимой ошибки, формирователя стимулирующих импульсов. ![]() [ Увеличить в новом окне ] На вход XS1 подают речевой сигнал с микрофона пациента, на вход XS2 - речевой сигнал "эталон" с выхода магнитофона, предварительно записанный кем-то с приблизительно таким же тембром голоса (мужской, женский, детский). Пройдя через УНЧ на DA1:D,DA1:A и ФНЧ на DA1:C,DA1:B, сигнал пациента и "эталон" поступают на схему выделения разностного сигнала на DA3:A, амплитуда которого контролируется схемой контроля уровня допустимой ошибки на DA2:C,DA2:D. Если уровень входных сигналов достаточен для нормальной работы, схема контроля амплитуды аудиосигнала на DA2:A,DA2:B включает формирователь стимулирующих импульсов на DA3:B и индикаторы каналов VD1,VD4. VD9 индикатор ошибки, ток протекающий через VD9 заряжает C21 и автоматически увеличивает амплитуду стимулирующих импульсов при повторяющейся ошибке. Постоянная времени RC цепи C20R36 определяет длительность стимулирующих импульсов (около 1,5мСек), которые формируются на VT5,VT6,TR1, и через VD14, S2 и K1,K2 поступают на электроды, закрепленные на шее пациента позади и ниже ушей на мышцах.Потенциометром R43 устанавливают уровень допустимой ошибки, R31 определяет начальную амплитуду стимулирующих импульсов. К XS4 подключают наушники через которые пациент слышит эталонный сигнал. Наушники, микрофон и электроды можно конструктивно объединить. Пациент должен видеть текст (с листа или с экрана монитора) слышать тот же текст в наушниках и произносить его синхронно с эталоном. Начинать лучше со стихов (оптимально А.С.Пушкин, сказки), установив максимальный уровень допустимой ошибки (R43), и минимальную амплитуду стимулирующих импульсов (R31), после предварительной тренировки и установки уровня входных сигналов с выключеным S2. После нескольких сеансов и приобретения определенных навыков пациент сам должен устанавливать уровень допустимой ошибки и амплитуду стимулирующих импульсов, постепенно уменьшая первое и увеличивая второе. TR1 на горшке Б14Х11 2000HM обмотка1 - 15 витков ПЭВ-2 0,55, обмотка2 - 100 витков ПЭВ-2 0,15. Электроды должны иметь площадь контакта с кожей около 5мм кв. Предлагаемая схема - опытный и пока единственный экземпляр, поэтому печатную плату не посылаю, но если кому понадобится, обращайтесь, печать имеется. Схему можно изменять (она пока еще сырая), главное сохранить суть и не навредить пациенту, особенно детям. Пробовал на себе, на максимальной амплитуде очень больно. Желаю удачи и будьте осторожны, никто из врачей ничего путного про все это не сказал, схема и метод создавались по просьбе и с согласия пациента (моего знакомого, который попробовал все, гипноз, иглоукалывание, медпрепараты). Новиков П. И. |
