Что-то не так?
Пожалуйста, отключите Adblock.
Портал QRZ.RU существует только за счет рекламы, поэтому мы были бы Вам благодарны если Вы внесете сайт в список исключений. Мы стараемся размещать только релевантную рекламу, которая будет интересна не только рекламодателям, но и нашим читателям. Отключив Adblock, вы поможете не только нам, но и себе. Спасибо.
Как добавить наш сайт в исключения AdBlockРеклама
"Серебрянная вода" своими руками
|
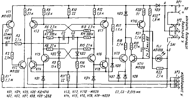
Вода, содержащая ионы серебра ("серебряная" или "живая" вода), нашла применение в медицине и в быту, а ее полезные свойства описаны в литературе. "Серебряную" воду можно изготавливать и в домашних условиях. Особенности прибора, предлагаемого вниманию читателей для получения такой воды, - это возможность путем расчета определить количество растворившегося в воде серебра и равномерный износ электродов. Автор изготовил свой прибор, используя относительно старые компоненты. Они без проблем заменяются на современные. Более того, можно заметно упростить конструкцию, используя, например, микросхемы. Для получения "серебряной воды" через опущенные в воду электроды из серебра пропускают электрический ток. Количество растворившегося серебра М в миллиграммах можно подсчитать по формуле: М=1,118*I*Т*К, где I - величина тока, протекающего через электроды, А; Т - время прохождения тока, с; К - коэффициент, равный для питьевой воды 0,9. Предлагаемый вниманию читателей прибор обеспечивает стабильный ток через электроды 16 мА вне зависимости от характеристик воды, расстояния между электродами и напряжения питания. Производительность его 1 мг/мин. Направление тока через электроды периодически меняется для равномерного их расходования. Питается прибор от встроенной батареи "Крона" напряжением 9 В, которая обеспечивает 30 ч его непрерывной работы. Предусмотрено подключение внешних источников питания напряжением б... 12 В.
Электрическая схема прибора для получения "серебряной" воды приведена на рисунке. Он состоит из генератора тактовых импульсов, триггера, задающего частоту коммутации электродов, устройства изменения полярности включения электродов и стабилизации протекающего через них тока и светодиодного индикатора. Генератор тактовых импульсов выполнен на транзисторах VT1, VT2. Длительность импульсов задается цепочкой R3C1, а период их следования - цепочкой R1C1. В нашем случае длительность импульсов значения не имеет, а вот от периода их следования (примерно 2...4 мин, что тоже не особенно существенно) зависит частота переключения электродов ионатора. Тактовые импульсы с коллектора транзистора VT2 подаются на счетный триггер на транзисторах VT5, VT6. От классического этот триггер отличается наличием четырех выходов, предназначенных для токового управления ключевым каскадом, выполненным по мостовой схеме на транзисторах VT3, VT4, VT7, VT8. Ключевой каскад меняет полярность напряжения на электродах и стабилизирует ток через них. Рассмотрим работу данного коммутатора подробнее. Предположим, что транзистор VT5 триггера открыт, а VT6 - закрыт. Эмиттерный ток транзистора VT5 протекает через диод VD1 и создает на нем напряжение, способное открыть регулирующий транзистор VT4. Из-за наличия резистора R11 в цепи его эмиттера последний работает в режиме стабилизации тока, проходящего через электроды. Коллекторный ток транзистора VT5 протекает через резисторы R6, R12 и базу транзистора VT7 ключевого каскада, поэтому последний открыт и на его коллекторе присутствует напряжение, близкое к напряжению питания. Транзисторы VT3, VT8 коммутатора в этом случае будут закрыты из-за закрытого состояния транзистора VT6 триггера и наличия на их эмиттерах запирающих напряжений с резисторов R10, R11. Таким образом, в рассматриваемом варианте ток будет проходить по цепи R10-VT7-электроды прибора - VT4 - R11 и напряжение на контактах 1, 2 разъема ХРЗ будет иметь отрицательную полярность. Очередной тактовый импульс переключит триггер в иное состояние, и открыт уже будет транзистор VT6, а закрыт VT5. Теперь ток потечет по цепи R10-VT3-электроды прибора - VT8 - R11 и отрицательная полярность напряжения будет на контактах 3, 4 разъема ХРЗ. Регулирующие транзисторы VT4, VT8 компенсируют изменения питающего напряжения и напряжения на электродах. Кроме того, они ограничивают сквозные токи транзисторов моста в моменты переключения и выходные токи при случайном замыкании электродов друг с другом. При разряженной батарее или при повышенном падении напряжения на электродах регулирующие транзисторы могут оказаться в состоянии насыщения, вследствие чего стабилизация тока нарушится. Эту ситуацию контролирует каскад на транзисторе VT9 и диодах VD6-VD8. При штатной работе напряжение на электродах повышено и диоды VD7, VD8, а также транзистор VT9 закрыты. При насыщении какого-либо из регулирующих транзисторов остаточное напряжение на его коллекторе в сумме с падением напряжения на соответствующем диоде (VD7 или VD8) становится ниже падения напряжения на диоде VD6 и транзистор VT9 открывается. На транзисторах VT10, VT11 и свето-диоде HL1 собран индикатор работы прибора. Он представляет собой генератор импульсов (вспышек света) большой скважности, управляемый транзистором VT9. Закрытый транзистор не влияет на работу генератора, а открытый - переводит его в режим постоянного свечения светодиода. Чтобы яркость свечения при разряде батареи не менялась, транзистор VT10 работает в режиме стабилизации тока, проходящего через светодиод. Через резистор R23 протекает ток разрядки конденсатора С4 при малых напряжениях на светодиоде. Прибор для получения "серебряной" воды собран на печатной плате из стеклотекстолита размерами 102х55 мм. При монтаже могут быть использованы резисторы УЛМ-0,12, ВС-0,125, МЛТ-0,125 или МЛТ-0,25 и др. Конденсаторы С2, СЗ - любые керамические (например, К10-23); С1, С4 - любые оксидные с малым током утечки (например К53-4). Если в наличии имеются неполярные конденсаторы, то лучше применить их. Германиевые транзисторы структуры п-р-п можно взять любые из серий МП35-МП38, П8-П11, а структуры р-п-р из серий МП39-МП42, П13-П16, МП25, МП26, П25, П26 с коэффициентом передачи тока 30...90. Кремниевые транзисторы - структуры n-p-n (МП101-МП103, МП111-МП113, П101-П103) и р-n-р (МП104-МП106, МП114-МП116, П104-П106) с коэффициентом передачи тока 15...45. Вместо диодов КД401Б подойдут практически любые кремниевые маломощные. Светодиод АЛ102Б можно заменить на АЛ307 желаемого цвета свечения. Выключатель SA1 - миниатюрный П1ТЗ. Розетка ХР1 взята от использованной батареи "Крона", разъем ХР2 (ОНП-ВС-18) - от калькулятора, а разъем ХРЗ выпилен из соединителя ГРППЗ-36ШП (взято две пары контактов). Из-за малой длины выводов светодиод HL1 распаян на выводах резистора R23. Корпус прибора можно спаять из пластин фольгированного стеклотекстолита толщиной 0,8...1,5 мм. Размеры заготовок: 22х55 мм - 2 шт.; 22х132 мм - 2 шт.; 55х130 мм - 1 шт.; 57х132 мм - 1 шт. Под пайку оставляют полоски фольги 1,5...3 мм по периметру заготовок. Для крепления печатной платы на боковых стенках корпуса нужно припаять или приклеить бобышки с резьбой М2. В корпусе по месту выпилить отверстия под светодиод HL1, выключатель SA1 и разъемы ХР2, ХРЗ. Держатель электродов рекомендуется выполнить в виде лопатки с ручкой и клювиком - крючком из органического стекла толщиной 4...6 мм. На лопатку с двух сторон медицинским клеем БФ-6 нужно наклеить пластины электродов (площадь поверхности одного электрода около 1 см2), и через ручку вывести соединительные проводники. Места паек не должны смачиваться водой. Наиболее пригодно для электродов технически чистое серебро, содержащееся в некоторых промышленных комплектующих изделиях, а также бытовое серебро наивысшей пробы. При работе лопатка погружается в банку с водой и удерживается клювиком за бортик банки. При настройке прибора желаемую частоту переключения электродов устанавливают подбором резистора R1, а вспышек светодиода - подбором резистора R22. В заключение, подключив вместо электродов миллиамперметр, подбором резистора R11 устанавливают ток через электроды, равный 16 мА. Для приготовления "серебряной воды" нужно поместить электроды в воду и включить питание. Нормальный процесс сопровождается миганием светодиода; при отсутствии воды, разряженной батарее или чрезмерно большом расстоянии между электродами светодиод горит постоянно. Продолжительность работы прибора определяется его производительностью (1 мг/мин), объемом воды и требующейся концентрацией. Например, при концентрации 20 мг/л и одном литре воды прибор должен работать в течение 20 мин. По истечении этого времени питание следует отключить, электроды вынуть и сполоснуть чистой водой. Приготовленную воду перемешать и поставить в темное место на 4 ч, после чего она становится пригодной к употреблению. Серебряная вода должна храниться в темном месте, поскольку на свету серебро чернеет и выпадает в осадок. В процессе эксплуатации электроды также чернеют из-за окисления, но это не сказывается на процессе серебрения воды. Подвергавшаяся промышленной очистке вода (хлорированная и др.) должна быть предварительно отфильтрована (через фильтр "Родник" и т. п.) или отстояна в течение нескольких часов для удаления хлора. "Серебряная" вода не подлежит кипячению, которое переводит серебро в физиологически недействующую форму. Сфера использования "серебряной" воды чрезвычайно широка. Об этом, в частности, можно узнать, познакомившись с монографией Кульского Л. А. "Серебряная вода" (Киев.: Наукова думка, 1968). В. ЖГУЛЕВ |