Что-то не так?
Пожалуйста, отключите Adblock.
Портал QRZ.RU существует только за счет рекламы, поэтому мы были бы Вам благодарны если Вы внесете сайт в список исключений. Мы стараемся размещать только релевантную рекламу, которая будет интересна не только рекламодателям, но и нашим читателям. Отключив Adblock, вы поможете не только нам, но и себе. Спасибо.
Как добавить наш сайт в исключения AdBlockРеклама
Схема простого металлоискателя на транзисторах
Металлоискатель
Металлоискатель представляет собой относительно простое устройство, электронная схема которого обеспечивает хорошую чувствительность и стабильность работы. Отличительной особенностью такого устройства является его низкая рабочая частота. Катушки индуктивности металлоискателя работают на частоте 3 кГц. Это обеспечивает, с одной стороны, слабую реакцию на нежелательные сигналы (например, сигналы, возникающие при наличии мокрого песка, мелких кусочков металла и т.д.), а с другой стороны, хорошую чувствительность при поиске скрытых водопроводных труб и трасс центрального отопления, монет и других металлических предметов. Для реализации и настройки схемы требуется соответствующий навык и опыт, поэтому начинающему любителю-конструктору следует обратиться сначала к более простым схемам и устройствам, описанным в данной книге.
Блок схема металлоискателя приводится на рис. 1. Генератор металлоискателя возбуждает колебания в передающей катушке на частоте около 3 кГц, создавая в ней переменное магнитное поле. Приемная катушка расположена перпендикулярно передающей катушке таким образом, что проходящие через нее магнитные силовые линии создадут малую ЭДС. На выходе приемной катушки сигнал либо отсутствует, либо очень мал. Металлический предмет, попадая в поле катушки, изменяет значение индуктивности, и на выходе появляется электрический сигнал, который затем усиливается, выпрямляется и фильтруется. Таким образом, на выходе системы имеем сигнал постоянного напряжения, значение которого слегка возрастает при приближении катушки к металлическому предмету. Этот сигнал поступает на один из входов схемы сравнения, где сравнивается с опорным напряжением, которое прикладывается к его второму входу. Уровень опорного напряжения отрегулирован таким образом, что даже небольшое увеличение напряжения сигнала приводит к изменению состояния на выходе схемы сравнения. Это в свою очередь приводит в действие электронный переключатель, в результате чего на выходные усилительные каскады поступает звуковой сигнал, оповещающий оператора о присутствии металлического предмета.
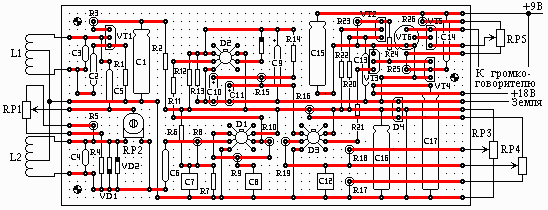
Принципиальная электрическая схема металлоискателя представлена на рис. 2. Передатчик, состоящий из транзистора VT1 и связанных с ним элементов, возбуждает колебания в катушке L1. Сигналы, поступающие на катушку L2, затем усиливаются микросхемой D1 и выпрямляются микросхемой D2, включенной по схеме амплитудного детектора. Сигнал с детектора поступает на конденсатор C9 и сглаживается фильтром низких частот, который состоит из резисторов R14, R15 и конденсаторов C10 и C11. Затем сигнал поступает на вход схемы сравнения D3, где сравнивается с опорным напряжением, устанавливаемым переменными резисторами RP3 и RP4. Переменный резистор RP4 служит для быстрой и грубой настройки, а RP3 обеспечивает точную регулировку опорного напряжения. Генератор, собранный на транзисторе с одним переходом VT2, работает в непрерывном режиме, однако сигнал, вырабатываемый им, поступает на базу транзистора VT4 только тогда, когда закроется транзистор VT3, так как, находясь в открытом состоянии, этот транзистор шунтирует выход генератора. При поступлении сигнала на вход микросхемы D3 напряжение на ее выходе уменьшается, закрывается транзистор VT3 и сигнал от транзистора VT2 через транзистор VT4 и регулятор громкости RP5 поступает на выходной каскад и громкоговоритель.
В схеме используется два источника питания, что устраняет возможность возникновения любой обратной связи выхода схемы к ее чувствительному входу. Основная схема питается от батареи напряжением 18 В, которое с помощью микросхемы D4 понижается до стабильного напряжения 12 В. При этом снижение напряжения батареи во время работы схемы не вызывает изменения настройки. Выходные каскады питаются от отдельного источника питания напряжением 9 В. Требования по потреблению мощности довольно низкие, поэтому для питания устройства можно использовать три аккумуляторные батареи. Батарея питания выходного каскада не требует специального выключателя, так как в отсутствие сигнала выходной каскад не потребляет тока.
Металлоискатель - довольно сложное устройство, поэтому сборку схемы следует проводить покаскадно с тщательной проверкой каждого каскада. Схему монтируют на плате, на которой имеются 24 медные полоски по 50 отверстий в каждой с шагом 2,5 мм. Прежде всего в полосках делают 64 разреза и высверливают три установочных отверстия. Затем на обратной стороне платы устанавливают 20 перемычек, штыри для внешних соединений, а также два штыря для конденсатора C5. Затем устанавливают конденсаторы C16, C17 и микросхему D4. Эти элементы образуют источник питания с напряжением 12 В. Проверка этого каскада осуществляется путем временного подключения батареи напряжением 18 В. При этом напряжение на конденсаторе C16 должно составлять 12 +- 0,5 В. После этого проводится монтаж элементов выходного каскада: резисторов R23-R26, конденсаторов C14 и C15 и транзисторов VT4-VT6. Следует учесть, что корпус транзистора VT6 соединен с его коллектором, поэтому контакт корпуса с соседними элементами и перемычками недопустим. Так как выходной каскад при отсутствии сигнала не потребляет тока, его проверяют временным подсоединением громкоговорителя, переменного резистора RP5 и батареи напряжением 9 В.
Затем устанавливают резисторы R20-R22 и транзистор VT2, образующие генератор звуковых сигналов. При подключении двух источников питания в динамике прослушивается звуковой фон, меняющийся с изменением положения ручки регулятора громкости. После этого на плате монтируют резисторы R16-R19, конденсатор C12, транзистор VT3 и микросхему D3. Работа схемы сравнения проверяется следующим образом. К измерительному входу D3 подключают переменные резисторы RP3 и RP4. Этот вход образуется с помощью двух резисторов сопротивлением 10 кОм, один из которых подключается к положительной шине питания +12 В, а другой - к нулевой шине. Вторые выводы резисторов подсоединяют к выводу 2 микросхемы D3. Перемычка от этого вывода служит временной точкой соединения. При грубой настройке (включены обе батареи), которая осуществляется переменным резистором RP4, в определенном его положении происходит срыв звукового сигнала, в то время как при точной настройке переменным резистором RP3 должно осуществлятся плавное изменение сигнала вблизи этого положения. При выполнении этих условий приступают к установке резисторов R6-R15, конденсаторов C6-C11, диода VD3 и микросхем D1 и D2.
Включив источник питания, сначала проверяют наличие сигнала на выходе микросхемы D1 (вывод 6). Он не должен превышать половины значения источника питания (приблизительно 6 В). Напряжение на конденсаторе C9 не должно отличаться от напряжения выходного сигнала этой микросхемы, хотя наводки от сети переменного тока могут вызвать небольшое увеличение этого напряжения. Касание пальцем входа микросхемы (основания конденсатора C6) вызывает увеличение напряжения из-за повышения уровня шумов. Если регуляторы настройки находятся в положении, при котором звуковой сигнал отсутствует, касание пальцем конденсатора C6 приводит к появлению и исчезновению жтого сигнала. На этом предварительная проверка работоспособности каскадов заканчивается.
Окончательная проверка и настройка металлоискателя проводятся после изготовления катушек индуктивности. После предварительной проверки каскадов схемы на плате устанавливаются остальные элементы за исключением конденсатора C5. Переменный резистор RP2 временно устанавливается в среднее положение. Плата крепится к L-образному алюминиевому шасси через пластмассовые шайбы (для устранения возможности короткого замыкания) с помощью трех винтов. Шасси закрепляется в корпусе пульта управления двумя болтами, удерживающими два зажима, предназначенные для крепления корпуса пульта к штанге искателя. Боковая сторона шасси обеспечивает фиксацию источников питания в корпусе. При сборке пульта следует убедиться, что выводы переключателя на обратной стороне переменного резистора RP5 не касаются элементов платы. После высверливания прямоугольного отверстия приклеивается динамик.
Штанга и соединительные части, образующие держатель головки искателя изготавливаются из пластмассовых трубок диаметром 19 мм. Сама головка искателя представляет собой тарелку диаметром 25 см, изготовленную из прочной пластмассы. Внутренняя ее часть тщательно зачищается наждачной бумагой, что обеспечивает хорошее склеивание с эпоксидной смолой.

Основные характеристики металлоискателя во многом зависят от применяемых катушек, поэтому их изготовление требует особого внимания. Катушки, имеющие одинаковую форму и размеры, наматывают на D-образный контур, который образован из штыпей, закрепленных на подходящем куске платы. Каждая катушка состоит из 180 витков эмалированного медного провода 0,27 мм с отводом от 90-го витка. Прежде чем снять катушки со штырей, их в нескольких местах перевязывают. Затем каждая катушка обматывается прочной нитью, чтобы витки плотно прилегали друг к другу. На этом изготовление передающей катушки заканчивается. Принмная же катушка должна быть снабжена экраном. Экранирование катушки обеспечивается следующим образом. Сначала она обматывается проволокой, а затем обертывается слоем алюминиевой фольги, которая снова обматывается проволокой. Такая двойная обмотка гарантирует хороший контакт с алюминиевой фольгой. В обмотках проволоки и в фольге должен быть предусмотрен небольшой разрыв или зазор, как показано на рисунке, препятствующий образованию замкнутого витка по окружности катушки.
Изготовленные таким образом катушки закрепляются с помощью зажимов по краям пластмассовой тарелки и подсоединяются к блоку управления при помощи четырехжильного экранированного кабеля. Два центральных отвода и экран приемной катушки подсоединяются к нулевой шине через экранирующие провода. Если включить устройство и радиоприемник, расположенный недалеко от катушки, можно услышать высокотональный свист (на частоте металлоискателя), обусловленный наводкой звукового сигнала в радиоприемнике. Это указывает на исправность генератора металлоискателя. В данном случае неважно, на какой диапазон настроен радиоприемник, поэтому для проверки вместо него можно использовать любой кассетный магнитофон. Место рабочего положения катушек определяется либо по выходному сигналу металлоискателя, который должен быть минимальным, либо по показаниям измерительного прибора (вольтметра), подключенного непосредственно к конденсатору C9.
Второй вариант для одгонки катушек значительно проще. Напряжение на конденсаторе должно составлять приблизительно 6 В. После этого внешние части катушек приклеиваются эпоксидной смолой, а внутренние, проходящие через центр, остаются незакрепленными, что позволяет провести окончательную настройку.
Окончательная настройка состоит в установке незакрепленных частей катушек в такое положение, при котором предметы из цветного металла, например монеты, вызывают быстрое увеличение выходного сигнала, а остальные предметы - его незначительное уменьшение. Если требуемый результат не достигается, необходимо поменять местами концы одной из катушек. Следует помнить, что окончательная настройка или подгонка катушек должна проводиться при отсутствии металлических предметов. После установки и прочного закрепления катушки покрывают слоем эпоксидной смолы, затем на них накладывается стеклоткань и все это герметизируется эпоксидной смолой.
После изготовления головки искателя в схему встраивается конденсатор C5, переменный резистор RP1 устанавливается в среднее положение, а переменный резистор RP2 настраивается на минимум выходного сигнала. При этом по одну сторону среднего положения переменный резистор RP1 обеспечивает распознавание стальных предметов, а по другую сторону - предметов из цветного металла. Следует иметь в виду, что при каждом изменении номинального значения сопротивления переменного резистора RP1 необходимо проводить повторную настройку устройства.
На практике металлоискатель представляет собой легкое, хорошо сбалансированное, чувствительное устройство. В течении первых нескольких минут после включения устройства может быть разбаланс нулевого уровня, однако через некоторое время он исчезает или становится незначительным.