Что-то не так?
Пожалуйста, отключите Adblock.
Портал QRZ.RU существует только за счет рекламы, поэтому мы были бы Вам благодарны если Вы внесете сайт в список исключений. Мы стараемся размещать только релевантную рекламу, которая будет интересна не только рекламодателям, но и нашим читателям. Отключив Adblock, вы поможете не только нам, но и себе. Спасибо.
Как добавить наш сайт в исключения AdBlockРеклама
Малогабаритный чувствительный металлоискатель
|
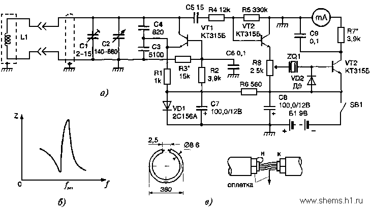
Металлоискатели, основанные на регистрации на биений, оказываются малочувствительными при поисках металлов со слабыми ферромагнитными свойствами, таких как, например, медь, олово, серебро. Повысить чувствительность металлоискателей этого типа невозможно, поскольку разность частот биения малозаметна при обычных методах индикации. Значительный эффект дает применение кварцованных металлоискателей. Металлоискатель, принципиальная схема которого приведена на рис. 1. а, состоит из измерительного генератора, собранного на транзисторе VT1, и буферного каскада - эмиттерного повторителя, собранного на транзисторе VT2, отделенных кварцевым резонатором ZQ1 от индикаторного устройства — детектора на диоде VD2 с усилителем постоянного тока на транзисторе VT3. Нагрузкой усилителя служит стрелочный прибор с током полного отклонения 1 мА.
Вследствие высокой добротности кварцевого резонатора малейшие изменения частоты измерительного генератора будут приводить к уменьшению полного сопротивления последнего, как это видно из характеристики, приведенной на рис 1, б. Это, в конечном итоге, повысит чувствительность прибора и точность измерений. Подготовка к поиску заключается в настройке генератора на частоту параллельного резонанса кварца, равную 1 МГц. Эта настройка производится конденсаторами переменной емкости С2 (грубо) и подстроечным конденсатором С1 (точно) при отсутствии около рамки металлических предметов. Поскольку кварц является элементом связи между измерительной н индикаторной частями устройства, его сопротивление в момент резонанса велико и минимальное показание стрелочного прибора свидетельствует о точной настройке устройства. Уровень чувствительности регулируется переменным резистором R8. Особенностью устройства является кольцевая рамка L1, изготовленная из отрезка кабеля. Центральную жилу кабеля удаляют и вместо нее продергивают шесть витков провода типа ПЭЛ 0,1 -0,2 мм длиной 115 мм. Конструкция рамки показана на рис. 1, в. Такая рамка обладает хорошим электростатическим экраном. Жесткость конструкции рамки обеспечивается размещением ее между двумя дисками из оргетекла или гетйпакса диаметром 400 мм и толщиной 5—7 мм. В приборе использованы транзисторы КТ315Б, опорный диод — стабилитрон 2С156А, детекторный диод тина Д9 с любым буквенным индексом. Частота кварца может быть в интервале частот от 90 кГц до 1,1 МГц. Кабель — типа РК-50. Ссылки по теме Источник: shems.h1.ru |