Что-то не так?
Пожалуйста, отключите Adblock.
Портал QRZ.RU существует только за счет рекламы, поэтому мы были бы Вам благодарны если Вы внесете сайт в список исключений. Мы стараемся размещать только релевантную рекламу, которая будет интересна не только рекламодателям, но и нашим читателям. Отключив Adblock, вы поможете не только нам, но и себе. Спасибо.
Как добавить наш сайт в исключения AdBlockРеклама
Схема металлоискателя на логических элементах
Металлоискатель
Принципиальная схема металлоискателя по принципу "передача - прием" приведена на рис.1 - входной блок и рис.2 - блок индикации. Разделение на блоки - условно и не отражает особенностей конструкции.

Рис.1 Принципиальная электрическая схема входного блока металлоискателя
Генератор. Собран на логических элементах 2И-НЕ D1.1-D1.4. Частота генератора стабилизирована кварцевым или пьезокерамическим резонатором Q с резонансной частотой 215Гц » 32 кГц ("часовой кварц"). Цепочка R1C1 препятствует возбуждению генератора на высших гармониках. Через резистор R2 замыкается цепь ООС, через резонатор Q - цепь ПОС. Генератор отличается простотой, малым потребляемым током от источника питания, надежно работает при напряжении питания 3 В, не содержит подстроечных элементов и чересчур высокоомных резисторов. Выходная частота генератора - около 32 кГц.
Кольцевой счетчик. Кольцевой счетчик выполняет две функции. Во-первых, он делит частоту генератора на 4, до частоты 8 кГц. Во-вторых, он формирует два сигнала, сдвинутых друг относительно друга на 90° по фазе. Один сигнал используется для возбуждения колебательного контура с излучающей катушкой, другой - в качестве опорного сигнала синхронного детектора. Кольцевой счетчик представляет собой два D- триггера D2.1 и D2.2, замкнутых в кольцо с инверсией сигнала по кольцу. Тактовый сигнал - общий для обоих триггеров. Любой выходной сигнал первого триггера D2.1 имеет сдвиг по фазе на плюс-минус четверть периода (т.е. на 90°) относительно любого выходного сигнала второго триггера D2.2.
Усилитель мощности. Собран на операционном усилителе (ОУ) D3.1. Колебательный контур с излучающей катушкой образован элементами L1C2. Параметры катушки индуктивности приведены в таблице. Марка провода обмоток - ПЭЛШО 0,44. В цепь ОС усилителя выходной колебательный контур включен только на 25%, благодаря отводу от 50-го витка излучающей катушки L1. Это позволяет увеличить амплитуду тока в катушке при приемлемом значении емкости прецизионного конденсатора С2.
Таблица 1. Параметры катушек индуктивности датчика
| Обозначение | Назначение | Кол-во витков | Внутр. диаметр |
|---|---|---|---|
| L1 | излучающая | 50+150 | 190мм |
| L2 | приемная | 100 | 125мм |
Величина переменного тока в катушке задается резистором R3. Этот резистор должен иметь минимальную величину, но такую, чтобы ОУ усилителя мощности не попадал в режим ограничения выходного сигнала по току (не более 40 мА) или, - что вероятнее всего при рекомендуемых параметрах катушки индуктивности L1,- по напряжению (не более ±3,5 В) при напряжении батарей питания ±4,5 В). Для того, чтобы убедиться в отсутствии режима ограничения, достаточно проверить осциллографом форму сигнала на выходе ОУ D3.1. При нормальной работе усилителя на выходе должен присутствовать сигнал, приближающийся по форме к синусоиде. Вершины волн синусоиды должны иметь плавную форму, "обрезание" вершин должно отсутствовать. Цепь коррекции ОУ D3.1 состоит из корректирующего конденсатора СЗ емкостью 33 пФ.
Приемный усилитель. Приемный усилитель - двухкаскадный. Первый каскад выполнен на ОУ D5.1. Он обладает высоким входным сопротивлением благодаря последовательной ООС по напряжению. Это позволяет исключить потери полезного сигнала вследствие шунтирования колебательного контура L2C5 входным сопротивлением усилителя. Коэффициент усиления первого каскада по напряжению составляет: Кu =(R9/R8) + 1 = 34. Цепь коррекции ОУ D5.1 состоит из корректирующего конденсатора С6 емкостью 33 пФ.
Второй каскад приемного усилителя выполнен на ОУ D5.2 с параллельной ООС по напряжению. Входное сопротивление второго каскада: Rвх = R10 = 10 кОм - не так критично, как первого, ввиду низкоомности его источника сигнала. Разделительный конденсатор С7 не только предотвращает накапливание статической погрешности по каскадам усилителя, но и корректирует его ФЧХ. Емкость конденсатора выбирается такой, чтобы создаваемое цепочкой C7R10 опережение по фазе на рабочей частоте 8 кГц компенсировало запаздывание по фазе, вызванное конечным быстродействием ОУ D5.1 и D5.2. Второй каскад приемного усилителя, благодаря своей схеме, позволяет легко осуществить суммирование (подмешивание) сигнала от схемы компенсации через резистор R11. Коэффициент усиления второго каскада по напряжению полезного сигнала составляет: Кu = - R12 / R10 = -33, а по напряжению компенсирующего сигнала: Кuк = -R12 / R11 » -4. Цепь коррекции ОУ D5.2 состоит из корректирующего конденсатора С8 емкостью 33 пФ.
Схема компенсации. Вьшолнена на ОУ D3.2 и представляет собой инвертор с Кu = - R7 / R5 = -1. Регулировочный потенциометр R6 включен между входом и выходом этого инвертора и позволяет снять сигнал, лежащий в диапазоне [-1,+1] от выходного напряжения ОУ D3.1. Выходной сигнал схемы компенсации с движка регулировочного потенциометра R6 поступает на компенсирующий вход второго каскада приемного усилителя (на резистор R11). Регулировкой потенциометра R6 добиваются нулевого значения на выходе синхронного детектора, что приблизительно соответствует компенсации проникшего в приемную катушку нежелательного сигнала. Цепь коррекции ОУ D3.2 состоит из корректирующего конденсатора С4 емкостью 33 пФ.
Синхронный детектор. Синхронный детектор состоит из балансного модулятора, интегрирующей цепочки и усилителя постоянных сигналов (УПС). Балансный модулятор реализован на основе многофункционального коммутатора D4, выполненного по интегральной технологии с комплементарными полевыми транзисторами как в качестве управляющих дискретных вентилей, так и в качестве аналоговых ключей. Коммутатор работает в качестве аналогового переключателя. С частотой 8 кГц он поочередно замыкает на общую шину выходы "треугольника" интегрирующей цепочки, состоящей из резисторов R13 и R14 и конденсатора С10. Сигнал опорной частоты поступает на балансный модулятор с одного из выходов кольцевого счетчика.

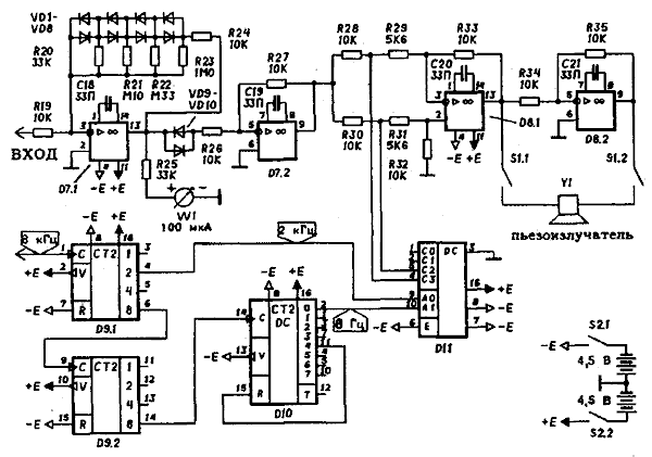
Рис.2. Принципиальная электрическая схема блока индикации металлоискателя
Сигнал на вход "треугольника" интегрирующей цепочки поступает через разделительный конденсатор С9 с выхода приемного усилителя. Постоянная времени интегрирующей цепочки t » R13 · C10 = R14 · C10. Она должна быть, с одной стороны, как можно больше, чтобы как можно сильнее ослабить влияние шумов и помех. С другой стороны, она не должна превышать некоторый предел, когда инерционность интегрирующей цепочки препятствует отслеживанию быстрых изменений амплитуды полезного сигнала.
Наибольшую скорость изменения амплитуды полезного сигнала можно охарактеризовать некоторым минимальным временем, за которое может произойти это изменение (от установившегося значения до максимального отклонения) при движении датчика металлоискателя относительно металлического предмета. Очевидно, что максимальная скорость изменения амплитуды полезного сигнала будет наблюдаться при максимальной скорости движения датчика. Она может достигать 5 м/с для "маятникового" движения датчика на штанге. Время изменения амплитуды полезного сигнала можно оценить как отношение базы датчика к скорости движения. Положив минимальное значение базы датчика, равное 0,2 м, получим минимальное время изменения амплитуды полезного сигнала 40 мс. Это в несколько раз больше, чем постоянная времени интегрирующей цепочки при выбранных номиналах резисторов R13, R14 и конденсатора С10. Следовательно, инерционность интегрирующей цепочки не исказит динамику даже самых быстрых из всех возможных изменений амплитуды полезного сигнала от датчика металлоискателя.
Выходной сигнал интегрирующей цепочки снимается с конденсатора С10. Так как у последнего обе обкладки находятся под "плавающими потенциалами", УПС представляет собой дифференциальный усилитель, выполненный на ОУ D6. Помимо усиления постоянного сигнала, УПС выполняет функцию фильтра нижних частот (ФНЧ), дополнительно ослабляющего нежелательные высокочастотные компоненты на выходе синхронного детектора, связанные, в основном, с неидеальностью балансного модулятора. ФНЧ реализуется благодаря конденсаторам С11, С13. В отличие от остальных узлов металлоискателя, ОУ УПС по своим параметрам должен приближаться к прецизионным ОУ. В первую очередь, это относится к величине входного тока, величине напряжения смещения и величине температурного дрейфа напряжения смещения. Удачным вариантом, сочетающим хорошие параметры и относительную доступность, является ОУ типа К140УД14 или КР140УД1408. Цепь коррекции ОУ D6 состоит из корректирующего конденсатора С12 емкостью 33 пФ.
Нелинейный усилитель. Выполнен на ОУ D7.1 с нелинейной ООС по напряжению. Нелинейная ООС реализована двухполюсником, состоящим из диодов VD1-VD8 и резисторов R20-R24. Амплитудная характеристика нелинейного усилителя приближается к логарифмической. Она представляет собой кусочно-линейную, с 4-мя точками излома для каждой полярности, аппроксимацию логарифмической зависимости. Благодаря плавной форме вольтамперных характеристик диодов амплитудная характеристика нелинейного усилителя сглажена в точках излома. Малосигнальный коэффициент усиления нелинейного усилителя по напряжению составляет: Кuк = - (R23+R24) / R19 » -100. С ростом амплитуды входного сигнала коэффициент усиления уменьшается. Дифференциальный коэффициент усиления для большого сигнала составляет: дUвых / дUвх = - R24/R19 = -1. К выходу нелинейного усилителя подключен стрелочный измерительный прибор - микроамперметр с последовательно включенным добавочным резистором R25. Так как напряжение на выходе синхронного детектора может иметь любую полярность (в зависимости от сдвига фазы между его опорным и входным сигналами), использован микроамперметр с нулем в середине шкалы. Таким образом, стрелочный прибор имеет диапазон индикаций -100 ... 0... +100(мкА). Цепь коррекции ОУ D7.1 состоит из корректирующего конденсатора С18 емкостью 33 пФ.
Ограничитель по минимуму. Реализован на ОУ D7.2 с нелинейной параллельной ООС по напряжению Нелинейность заключена во входном двухполюснике и состоит из двух встречно-параллельно включенных диодов VD9, VD10 и резистора R26.
Формирование звукового сигнала индикации из выходного сигнала нелинейного усилителя начинается с еще одной корректировки амплитудной характеристики усилительного тракта. В данном случае формируется зона нечувствительности в области малых сигналов. Это означает, что звуковая индикация включается только для сигналов, превосходящих некоторый порог. Этот порог определяется прямым напряжением диодов VD9, VD10 и составляет около 0,5 В. Таким образом, слабые сигналы, связанные в основном с движением прибора и его механическими деформациями, отсекаются и не раздражают слух.
Малосигнальный коэффициент усиления ограничителя по минимуму равен нулю. Дифференциальный коэффициент усиления по напряжению для большого сигнала составляет: дUвых/дUвх = - R27 / R26 = -1. Цепь коррекции ОУ D7.2 состоит из корректирующего конденсатора С19 емкостью 33 пФ.
Балансный модулятор. Сигнал звуковой индикации формируется следующим образом. Постоянный или медленно меняющийся сигнал на выходе ограничителя по минимуму перемножается на опорный сигнал звуковой индикации. Опорный сигнал задает форму для звукового сигнала, а выходной сигнал ограничителя по минимуму - амплитуду. Перемножение двух сигналов осуществляется с помощью балансного модулятора. Он реализован на многофункциональном коммутаторе D11, работающем в качестве аналогового ключа, и ОУ D8.1. Коэффициент передачи устройства равен +1 при разомкнутом ключе и -1 - при замкнутом. Цепь коррекции ОУ D8.1 состоит из корректирующего конденсатора С20 емкостью 33 пФ.
Формирователь опорного сигнала звуковой индикации. Реализован на двоичном счетчике D9 и счетчикедешифраторе D10. Счетчик D9 делит частоту 8 кГц с выхода кольцевого счетчика до частоты 2 кГц и 32 Гц. Сигнал с частотой 2 кГц поступает на младший разряд адреса А0 многофункционального коммутатора D11, задавая таким образом тональный сигнал с наиболее чувствительной для человеческого уха частотой. Этот сигнал будет воздействовать на аналоговый ключ балансного модулятора только в том случае, когда на старшем разряде адреса А1 многофункционального коммутатора D11 будет присутствовать логическая единица. При логическом нуле на А1 аналоговый ключ балансного модулятора все время разомкнут.
Сигнал звуковой индикации формируется прерывистым, чтобы меньше утомлялся слух. Для этого используется счетчик-дешифратор D10, который управляется тактовой частотой 32 Гц с выхода двоичного счетчика D9 и формирует на своем выходе прямоугольный сигнал с частотой 8 Гц и соотношением длительности логической единицы и логического нуля, равным 1/3. Выходной сигнал счетчикадешифратора D10 поступает на старший разряд адреса А1 многофункционального коммутатора D11, периодически прерывая формирование тональной посылки в балансном модуляторе.
Усилитель пьезоизлучателя. Реализован на ОУ D8.2. Он представляет собой инвертор с коэффициентом усиления по напряжению Кu = -1. Нагрузка усилителя - пьезоизлучатель - включена по мостовой схеме между выходами ОУ D8.1 и D8.2. Это позволяет в два раза увеличить амплитуду выходного напряжения на нагрузке. Выключатель S предназначен для отключения звуковой индикации (например, при настройке). Цепь коррекции ОУ D8.2 состоит из корректирующего конденсатора С21 емкостью 33 пФ.