Что-то не так?
Пожалуйста, отключите Adblock.
Портал QRZ.RU существует только за счет рекламы, поэтому мы были бы Вам благодарны если Вы внесете сайт в список исключений. Мы стараемся размещать только релевантную рекламу, которая будет интересна не только рекламодателям, но и нашим читателям. Отключив Adblock, вы поможете не только нам, но и себе. Спасибо.
Как добавить наш сайт в исключения AdBlockРеклама
Металлоискатели на микросхемах
|
Принцип действия описываемых ниже приборов основан на сравнении значений частоты колебаний двух генераторов: образцового и перестраиваемого, изменяющего частоту под действием на его колебательный контур искомого металлического предмета. По сравнению с другими известными методами - мостовым (регистрируется разбаланс измерительного моста, в одно из плеч которого включена поисковая катушка), сдвига фаз (измеряется фазовый сдвиг колебаний образцового и перестраиваемого генераторов), передатчик-приемник (регистрируется переизлучаемая предметом РЧ энергия) - метод сравнения значений частоты (иными словами, метод биений) менее эффективен, однако более прост в реализации. Построенные с его использованием металлоискатели компактны, не требуют тщательной настройки и мер по жесткой стабилизации частоты, неприхотливы в эксплуатации, благодаря чему и получили широкое распространение. Предлагаемые вниманию читателей устройства выполнены на доступной элементной базе и могут быть с успехом использованы в строительстве, коммунальном хозяйстве для поиска скрытых под слоем земли, мусора или снега люков и крышек колодцев, решеток водостока и т. д.
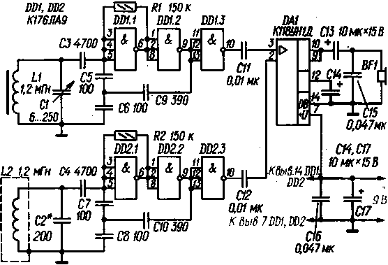
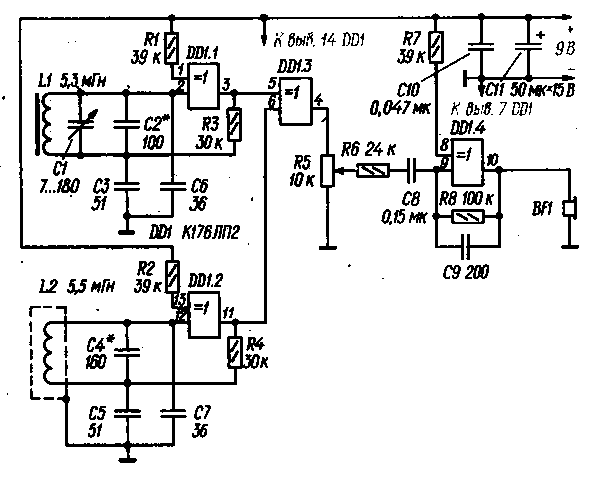
Каждый из металлоискателей смонтирован на печатной плате из фольгированного стеклотекстолита толщиной 1,5 мм. Чертеж платы и расположение деталей первого из них (по схеме на рис. 1 показаны на рис. 4, второго (рис. 2) - на рис. 5, третьего (рис. 3) - на рис. 6. Платы рассчитаны на установку постоянных резисторов МЛТ 0,125 (МЛТ-025, ВС-0,125), конденсаторов КТ-1 (С2-С7 - в первом, С2, С5-С8 - во втором, С2, СЗ, С5-С7 - в третьем) КМ-4 или К10-7Е (соответственно С8-С10; СЗ С4, С9-С12, С15, С16; С2, СЗ, С5-С7) и К50-6 (остальные). Для перестройки генераторов по частоте применены переменные конденсаторы с твердым диэлектриком от малогабаритных транзисторных приемников "Мир" (в первом устройстве) и "Планета" (во втором). Разумеется, возможно использование и любых других подходящих по габаритам и значениям минимальной и максимальной емкости конденсаторов, в том числе и подстроечных КПК-З емкостью 25...150 пФ. Переменные резисторы R5 (рис. 1) и R2 (рис. 3) - малогабаритные любого типа. С целью уменьшения размера смонтированных плат по высоте оксидные конденсаторы С11 первого металлоискателя и С9 третьего установлены параллельно платам (их выводы согнуты под углом 90о). Кварцевый резонатор смонтирован на отдельной плате из стеклотекстолита, закрепленной параллельно основной со стороны деталей.
Питать металлоискатели можно от батареи "Крона" или 7Д-0,115, а если не смущают габариты, то и от соединенных последовательно двух батарей 3336 или шести элементов 316, 332. Вместе с источником питания смонтированную плату и органы управления помещают в небольшую плоскую металлическую коробку (латунь, луженая жесть толщиной 0,4... 0,6 мм) и закрепляют последнюю на штанге (см. фото), изготовленной из дюралюминиевой трубы внешним диаметром 16...20 мм (можно использовать старую лыжную палку). К ее противоположному концу крепят поисковую катушку. Угол между плоскостью ее витков и осью штанги - 55...80о. Для удобства хранения и транспортировки металлоискателя поисковую катушку целесообразно сделать съемной, предусмотрев для этой цели подходящий коаксиальный разъем. С платой устройства катушку желательно соединить коаксиальным кабелем (его погонная емкость меньше и более стабильна, чем у экранированного провода). Налаживание металлоискателя по схеме на рис. 1 сводится к настройке его генераторов на частоту примерно 100 кГц. Перестраиваемый генератор настраивают на эту частоту подбором конденсатора С4, образцовый - конденсатора С2, установив предварительно ротор конденсатора С1 в среднее положение. Образцовую частоту подбирают такой, чтобы частота звукового сигнала в телефонах оказалась в пределах 500... 1000 Гц. Аналогично, но на частоту около 300 кГц, настраивают генераторы второго прибора (перестраиваемый - подборкой конденсатора С2, образцовый - самим переменным С1). Перестраиваемый генератор третьего металлоискателя настраивают (подбирая конденсатор С2 при среднем положении движка резистора R2) на частоту 100...200 кГц. Задача сводится к тому, чтобы при возможно большем отношении частот образцового и перестраиваемого генераторов получить громкий сигнал разностной частоты в телефонах. Частоту перестраиваемого генератора контролируют частотомером на выходе элемента DD1.3 или волномером, поднесенным к поисковой катушке L1. Частота кварцевого резонатора ZQ1 может быть любой в пределах 0,5...1,8 МГц, однако если она больше 1 МГц, между образцовым генератором (вернее, выходом буферного элемента DD2.3) и смесителем целесообразно включить делитель частоты на микросхеме серии К176 или К561, понижающий образцовую частоту до 0,5...1 МГц. Р. СКЕТЕРИС Ссылки по теме Источник: shems.h1.ru |
Металлоискатель, принципиальная схема которого изображена на рис. 1, собран всего на одной микросхеме К176ЛП2. Один из ее элементов (DD1.1) использован в образцовом генераторе, другой (DD1.2) - в перестраиваемом. Колебательный контур образцового генератора состоит из катушки L1 и конденсаторов С1, С2, перестраиваемого - из поисковой катушки L2 и конденсатора С4; первый перестраивают перменным конденсатором С1, второй - подборкой конденсатора С4. На элементе DD1.3 выполнен смеситель колебаний с образцовой и переменной частотами. С нагрузки этого узла - переменного резистоpa R5 - сигнал разностной частоты поступает на вход элемента DD1.4, а усиленное им напряжение 34 - на головные телефоны ВР1. Прибором можно обнаружить пятикопеечную монету на глубине до 60 мм, а крышку канализационного колод ца - на глубине до 0,6 м.

Повысить чувствительность металлоискателя, в котором использован метод биений, можно, настроив образцовый генератор на частоту в 5...10 раз большую, чем частота перестраиваемого. В этом случае возникают биения между колебаниями образцового генератора и ближайшей по частоте (5...10-й) гармоникой перестраиваемого генератора, и расстройка последнего, скажем, всего на 10 Гц приводит к увеличению частоты разностных колебаний на 50... 100 Гц. Именно таким способом достигнута повышенная чувствительность прибора, схема которого изображена на рис. 3. Пятикопеечную монету с его помощью можно обнаружить на глубине до 100 мм, а крышку колодца - на глубине до 0,65 м. Образцовый генератор металлоискателя выполнен на двух элементах микросхемы DD2 и настроен на частоту 1 МГц. Требуемую стабильность частоты обеспечивает кварцевый резонатор ZQ1. В перестраиваемом генераторе использованы два элемента микросхемы DDI. Его колебательный контур L1C2C3VD1 настроен на частоту в несколько раз меньшую, чем образцовый генератор. Для настройки контура применен варикап VD1, напряжение на котором регулируют переменным резистором R2. Смеситель выполнен на элементе DDI.4, в качестве буферных использованы элементы DD1.3 и DD2.3.
Катушки L1 металлоискателей, собранных по схемам на рис. 1 и 2, намотаны на ферритовых (600НН) кольцевых магнитопроводах типоразмера К8х6х2. В первом катушка содержит 180 витков провода ПЭЛШО 0,14, во втором - 50 витков ПЭЛШО 0,2. Намотка в обоих случаях - равномерная по всему периметру магнитопровода. В первом устройстве катушка приклеена клеем БФ-2 непосредственно к печатной плате, во втором (из-за недостатка места) - к небольшому уголку, согнутому из листового полистирола толщиной 1,5 мм и приклеенному этим же клеем к плате. Поисковая катушка каждого из трех металлоискателей намотана в кольце, согнутом из винипластовой трубки внешним диаметром 15 и внутренним 10 мм. Наружный диаметр кольца первого прибора - 250, второго и третьего - 200 мм, числа витков - соответственно 100 и 50, провод - ПЭЛШО 0,27. После намотки кольцо обернуто лентой из алюминиевой фольги для электростатического экранирования (необходимого для устранения влияния емкости между катушкой и землей). При намотке ленты следует помнить, что электрический контакт между ее концами недопустим (в противном случае образуется замкнутый виток). Для защиты от повреждений фольгу обматывают одним- двумя слоями поливинилхлоридной изоляционной ленты. Вид готовой катушки, изготовленной описанным способом, показан на рис. 7. Следует отметить, что диаметр поисковой катушки может быть как меньше, так и больше указанных значений. С его уменьшением "зона захвата" сужается, но прибор становится более чувствительным к мелким предметам, с увеличением же, наоборот, "зона захвата" расширяется, а чувствительность к мелким предметам снижается. Для индикации поиска во всех приборах применены головные телефоны ТОН-2.