Что-то не так?
Пожалуйста, отключите Adblock.
Портал QRZ.RU существует только за счет рекламы, поэтому мы были бы Вам благодарны если Вы внесете сайт в список исключений. Мы стараемся размещать только релевантную рекламу, которая будет интересна не только рекламодателям, но и нашим читателям. Отключив Adblock, вы поможете не только нам, но и себе. Спасибо.
Как добавить наш сайт в исключения AdBlockРеклама
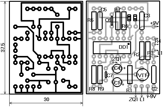
Схема металлоискателя на логической микросхеме
|
У людей, занимающихся ремонтными работами, довольно часто возникает необходимость иметь простой компактный металлоискатель. Он нужен для обнаружения в стенах под слоем штукатурки разнообразных металлических предметов, как например, трубы, проводка, гвозди, арматура и тому подобное. Ведь зная наперед, где и что есть в стене, не придется понапрасну ее долбить и портить гвозди и дюбеля. Предлагаемое устройство полностью автономно, питается от 9 вольтовой батареи типа "Крона", потребляя от нее всего 4 мА. Этот металлоискатель имеет достаточную чувствительность для обнаружения трубы на расстоянии 10-15 см, проводки и гвоздей 5-10 см. Чувствительность можно значительно повысить, увеличив габариты устройства, но как показала практика для бытовых применений это делать не всегда целесообразно. Со схемотехнической точки зрения устройство представляет собой LC-генератор на полевом транзисторе сопряженный с устройством звуковой индикации. Индикация в устройстве применена именно звуковая, хоть она и дороже световой, но значительно экономичнее по отношению к батарее питания. Так обычный светодиод потребляет ток около 10-15 мА (для нормальной видимости в дневное время), а зуммер прерывистого звучания с пьезоизлучателем - 2 мА.
![]() ![]()
Работает устройство следующим образом: подав питание устанавливают переменным резистором R4 режим работы генератора на пороге срыва. Пока генератор работает (на частоте порядка сотен килогерц), переменное напряжение с его выхода выпрямляется диодами VD1, VD2, заряжает конденсатор C5 до напряжения 2-3 В. Этого напряжения достаточно, чтобы блокировать работу генератора прерывистого звучания собранного на логических элементах ИМС DD1 по типовой схеме. Стоит появиться рядом с катушкой L1 металлическому предмету, как генерация срывается, конденсатор С5 в течении 20 мс разряжается через R5 и теперь разрешается работа генератора на DD1.1,DD1.2, уже под его управлением начинает прерывисто работать генератор на DD1.3, DD1.4. Пьезоизлучатель ZQ1 начинает прерывисто пищать. Если металл удалится от катушки, генерация в контуре L1C2 тут же восстанавливается и звуковой излучатель замолкает. Настройка. В зависимости от степени разряда батареи, температуры воздуха, предметов, находящихся рядом с металлоискателем требуется его частая настройка резистором R4 в процессе работы. Движок резистора выводят сначала в положение максимального сопротивления - генерация в LC-контуре должна сорваться и прибор должен подать звуковой сигнал, потом медленно уменьшают сопротивление R4 до восстановления генерации - прибор готов к работе. В некоторых случаях может понадобиться подбор резистора R3. Для достижения максимальной громкости звучания излучателя желательно подобрать номинал R9 или С7 таким образом, чтобы наступил звуковой резонанс в пьезоизлучателе. Как видно из схемы, прибор не содержит дефицитных или дорогих деталей. Полевой транзистор может быть любым из серии КП303, ИМС можно применить более дешевую 176 серии. Катушка индуктивности бескаркасная, содержит 50+50 витков провода диаметром 0.1 мм, намотанного на оправку диаметром примерно 7 см. Можно намотать на стеклянную бутылку, потом сдвинуть катушку с нее, скрепить витки слегка нитками и промазать всю катушку клеем типа "Момент". Все постоянные резисторы - МЛТ-0. 125, или аналогичные. Конденсаторы - любые малогабаритные, можно с большим ТКЕ и погрешностью, так как все равно придется постоянно подстраивать генератор вручную. Пьезоизлучатель также любой. Электролитические конденсаторы не должны иметь больших токов утечки, особенно это касается С1. Такому требованию отвечает большинство новых конденсаторов типа К50-35 или подобных импортных. Если есть желание до предела удешевить устройство, можно исключить из схемы резисторы R6, R8, R3, но работа устройства станет менее стабильной. Все детали кроме батареи питания, переменного резистора, звукового излучателя и катушки индуктивности монтируются на печатной плате. Плата далее вместе с батареей питания, излучателем и переменным резистором помещается в корпус подходящих размеров (у автора 5*6*2.5 см). Катушка индуктивности крепится на диэлектрической стойке длиной не менее 15 см, иначе прибор будет обнаруживать собственную батарейку. Можно даже попробовать сделать несколько сменных катушек разного диаметра - от этого будет зависеть расстояние, на котором прибор сможет обнаруживать металл. Так при диаметре каркаса катушки 1-2 мм, дальность обнаружения составляет несколько миллиметров, но металлоискатель реагирует даже на опилки. С большими катушками он на больших расстояниях может находить только крупные предметы. Можно намотать катушку L1 на коробочку дверного проема - получится металлодетектор, как в аэропорту. Большая просьба: о результатах повторения сообщать о результатах повторения автору. Андрей Шарый
|

