LAB599.RU — интернет-магазин средств связи
EN FR DE CN JP

СИСТЕМА ОХРАННОЙ СИГНАЛИЗАЦИИ




СИСТЕМА ОХРАННОЙ СИГНАЛИЗАЦИИ

  Предлагаю простую систему охранной сигнализации, которая разработана для привлечения внимания к удаленным объектам, находящимся под охраной часового (сторожа), не имеющего доступа на объект. Отличие ее от ранее публиковавшихся в том, что при всей простоте конструкции, помимо контроля состояния датчиков, система обеспечивает:
- автоматическое выключение звукового сигнала при размыкании датчика на время более 1 минуты, позволяя экономить энергию аккумулятора;
- отображение в цифровой форме количества срабатываний, что удобно для регистрации при смене дежурства и контроля за охраной объекта;
- автоматическое включение дежурного режима при восстановлении замкнутого состояния контактов датчика.

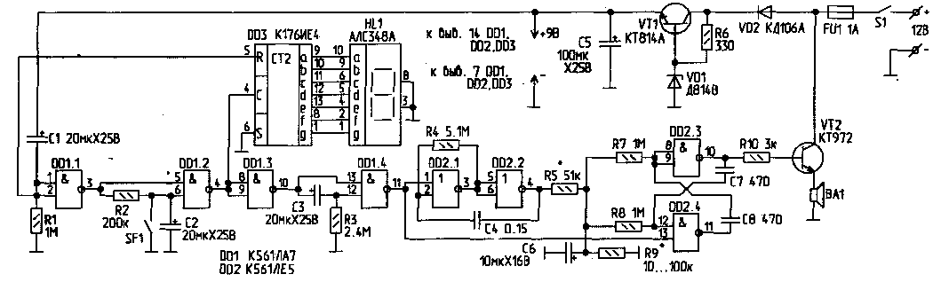
  Объектом охраны может быть гараж, автомобиль и т.д. Устройство состоит из схемы контроля на ИМС DD1, блока цифровой индикации на DD3 и HL1, сирены на DD2 и VT2 и стабилизатора напряжения 9 В на VT1. Сирена собрана по схеме, описанной в [1].


[ Увеличить в новом окне ]

  Работа устройства. После включения питания скрытым тумблером S1, нужно выйти из помещения и закрыть дверь. При этом замыкаются контакты дверного датчика SF1. Можно использовать несколько датчиков, включенных последовательно. Конденсатор С1 заряжается. Ток заряда С1, протекая через резистор R1, создает уровень логической "1" на входе элемента DD1.1. Следовательно, на выходе элемента DD1.1 -логический "О", на выходе DD1.2-логическая "1", и сирена не работает. Уровень логической "1" с резистора R1 поступает на вход "R" счетчика устройства индикации (вывод 5 ИМС DD3) и устанавливает его в нулевое состояние. На индикаторе высвечивается цифра 0. Время заряда С1 - около 20 с. В это время можно размыкать и замыкать контакты дверного датчика - сирена не сработает, и индикатор останется в "нулевом" состоянии.

  После заряда С2 система переходит в дежурный режим. На входе DD1.1 -логический "О", он же поступает на вывод 5 DD3, разрешая работу счетчика. На выходе DD1.1 - логическая "1". Если контакты датчика замкнуты, на выходе DD1.2 остается логическая "1", и сирена не работает. При вскрытии объекта необходимо отключить систему тумблером S1. Если этого не сделать, то примерно через 5 с после размыкания SF1 (время заряда С2) на выходе DD1.2 появится уровень логического "О", на выходе DD1.3 - уровень логической "1", который поступает на выводы 12 и 13 DD1.4. На выводе 13 DD1.4 уровень логической "1" действует лишь во время заряда СЗ, которое равно примерно 1 мин. В течение этого времени на выходе DD1.4 присутствует уровень логического "0", который включает сирену. Система также сработает, если при постановке под охрану остался не замкнут датчик SF1. Это позволяет контролировать состояние датчика. С выхода DD1.2 уровень логического "О" поступает на вход "С" счетчика DD3 и переключает его. На индикаторе HL1 высвечивается "1". По истечении 1 мин. СЗ заряжается, и к выводу 13 DD1.4 прикладывается уровень логического "О", который переключает DD1.4 в единичное состояние, запрещая работу сирены. При замыкании контактов SF1 конденсаторы С2 и СЗ разряжаются, и система входит в дежурный режим. Счетчик DD3 срабатывает только во время размыканий контактов SF1. Индикатор высвечивает количество размыканий. Включив дополнительные датчики между выводом 6 DD1.2 и точкой соединения SF1 и С2, можно добиться того, что система будет срабатывать мгновенно при их размыкании и с задержкой - при размыкании SF1.

  В устройстве использованы резисторы МЛТ и конденсаторы К53-1. Так как система разрабатывалась для контроля объекта, находящегося под охраной часового, устройство индикации было помещено в отдельный корпус и установлено внутри объекта, с возможностью визуального контроля снаружи (для снятия показаний индикатора при передаче смены). Соединительный кабель от системы сигнализации к устройству индикации был тщательно замаскирован. Очевидно, что применение данного устройства позволяет не только привлекать внимание к охраняемому объекту, но и улучшает контроль за его охраной.

  В дежурном режиме система потребляет ток, определяемый в основном работой индикатора. При питании от аккумулятора целесообразно включать индикатор лишь на время контроля, соединяя выводы 3 и 8 HL1 с общим проводом вынесенной кнопкой, снизив тем самым до минимума ток дежурного режима. В режиме тревоги ток потребления возрастает до 0,7...0,8 А. Так как при каждом срабатывании этот режим длится около 1 мин, автомобильного аккумулятора хватает на несколько месяцев. В данной системе не важна высокая стабильность временных интервалов, задаваемых RC-цепями. От качества используемых конденсаторов зависит лишь надежность работы схемы в различных температурных условиях.

Литература: М.Шустов. Сирены личной охраны. - Радиолюбитель, 1995, N3, С.18.

О.СОЛДАТОВ
РЛ №4, 1999

Источник: shems.h1.ru

Партнеры