Что-то не так?
Пожалуйста, отключите Adblock.
Портал QRZ.RU существует только за счет рекламы, поэтому мы были бы Вам благодарны если Вы внесете сайт в список исключений. Мы стараемся размещать только релевантную рекламу, которая будет интересна не только рекламодателям, но и нашим читателям. Отключив Adblock, вы поможете не только нам, но и себе. Спасибо.
Как добавить наш сайт в исключения AdBlockРеклама
Бесконтактный ключ
|
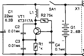
Индуктивность L1 и конденсаторы С2, СЗ обеспечивают работу автогенератора на частоте около 200 кГц. Для питания взяты четыре аккумуляторных таблетки типа Д-0,115. Потребляемый передатчиком ток не превышает 1,6 мА, и одной зарядки аккумуляторов хватает для непрерывной работы схемы в течение трех суток.
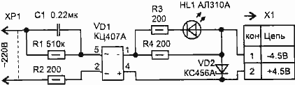
В качестве зарядного устройства может использоваться простейшая схема с бестрансформаторным питанием от сети 220 В. В этом случае не потребуется вскрывать корпус ключа - соединение с зарядным устройством выполняется через миниатюрный разъем Х1. Светодиод HL1 устанавливается на корпусе зарядного устройства и служит индикатором наличия напряжения, а стабилитрон VD2 ограничивает напряжение на выходе. Для полного заряда аккумуляторов может потребоваться 4...10 часов.
Схема приемника показана на рисунке выше. Наведенный в катушке L1 сигнал усиливают транзисторы VT1 VT3. Детектирование сигнала выполняет транзистор VT4 (активный детектор) На VT5 и VT6 (в диодном включении) обеспечивается стабилизация рабочей точки каскадов усиления. Два резонансных контура (L1-C1-C2 и L2-C8) настраиваются на частоту передатчика с помощью ферритовых сердечников. Этим обеспечивается узкополосное усиление приемника и срабатывание (появление нулевого напряжения на коллекторе транзистора VT7) только от передатчика с определенной частотой. Вариант схемы источника питания и исполнительного устройства с включением электромагнита YA1 показан на рисунке.
Конденсатор С1 обеспечивает задержку срабатывания транзистора VT2 при наличии случайных помех на выходе приемника. Постоянные резисторы могут быть любого типа, электролитические полярные конденсаторы применены типа К50-16, остальные конденсаторы типа К10-17 (КМ-4). Монтаж схем устройств выполнен на стеклотекстолите толщиной 1,5 мм.
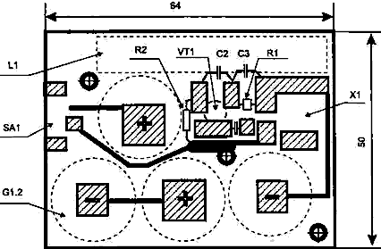
Топология печатной платы для передатчика и приемника В передатчике монтаж радиоэлементов расположен со стороны печатных проводников. Элементы питания прижимаются к плате пластиной фольгированного стеклотекстолита (она не показана). Микропереключатель S1 типа ПД9-2 можно заменить кнопкой, которую придется нажимать при приближении к приемнику
Обмотка содержит 1 — 160 витков, 2 — 200 витков проводом ПЭВ-2 диаметром 0,08 мм. Обмотки желательно выполнять в отсеках раздельно, при этом в верхней секции наматывается обмотка 1. При установке приемника лучше располагать его на уровне положения ключа, кроме того, для получения максимальной дальности обнаружения, имеет значение расположение катушки передатчика и приемника - у них должны совпадать диаграммы направленности, что происходит в случае аналогичного расположения: горизонтально или перпендикулярно относительно земли.
|
В отличие от обычного механического ключа или электронного (магнитной карточки), этот не потребуется доставать и вставлять в замок. При приближении к двери на 0,5 м человека, имеющего с собой данное устройство, дверной замок с электроприводом (электромагнитом) автоматически откроется. Сам ключ имеет габариты чуть больше спичечной коробки (70х54х17 мм) и легко размещается в любом кармане. В простейшем варианте система состоит из миниатюрного передатчика (ключа) и настроенного на его частоту приемника, а также исполнительного устройства с источником питания. Устройство может найти и другие применения, например выключение охраны. Не зная места расположения приемника, таким ключом невозможно воспользоваться. Схема передатчика собрана на одном транзисторе, работающем в режиме микротоков.
Для изготовления катушек L1 (приемника и передатчика) взят ферритовый
стержень марки 400НН (или 600НН) диаметром 8 мм от любой магнитной антенны
бытового приемника (для настройки обычно достаточно кусочка длиной 20...30
мм). Катушки наматываются проводом ПЭЛШО диаметром 0,06 (0,08) мм и
содержат 300 витков — у приемника, и 200 витков — у передатчика (на
бумажном каркасе длиной 45 мм). После намотки витки фиксируются клеем типа
"Момент". Для изготовления в приемнике катушки L2 взят каркас и ферритовые
чашки от контуров промежуточной частоты миниатюрных радиоприемников.