LAB599.RU — интернет-магазин средств связи
EN FR DE CN JP
QRZ.RU > Каталог схем и документации > Схемы наших читателей > Дайджест радиосхем > Устройство оповещения с контактным датчиком или шлейфом

Устройство оповещения с контактным датчиком или шлейфом




Устройство оповещения с контактным датчиком или шлейфом

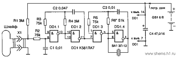
  Принципиальная схема несложного охранного устройства, формирующего тревожный звуковой сигнал при обрыве шлейфного датчика, приведена на рисунке. На логических элементах DD1.1 и DD1.2 микросхемы К561ЛА7 (DD1) собран генератор прямоугольных импульсов, следующих с частотой 2...3 Гц ( f = 1 / 2R4C2), которые коммутируют тональный генератор, выполненный на элементах DD1.3 и DD1.4 той же микросхемы. Частота тонального генератора около 1 кГц ( f = 1 / 2R6С3). Пьезокерамический излучатель ВА1 преобразует сигнал генератора в звук.

  Все резисторы типа МЛТ-0,125. Конденсаторы С1 - СЗ — КМ6, С4 - оксидный К50-35. Перед монтажом звукоизлучателя ВА1 и конденсатора С4 необходимо оценить состояние их изоляции. При напряжении источника питания 6 В ток утечки в них не должен превышать 1 мкА.

  Монтажную плату, звукоизлучатель и батарею питания размещают в корпусе размерами 48х32х17 мм, склеенном из ударопрочного полистирола толщиной 1,5...2 мм. При пайке проводников к звукоизлучателю и батарее питания лучше пользоваться низкотемпературным припоем и хорошим флюсом - перегрев здесь нежелателен.

  Шлейф-датчик представляет собой сложенный вдвое обмоточный провод ПЭВ-2 или ПЭВ-3 диаметром 0,07...0,1 мм нужной длины с двухконтактным разъемом на конце. Разъем может быть от микрокалькулятора. Ответную часть шлейфного разъема допустимо смонтировать непосредственно на корпусе устройства, но лучше ее вынести на механически прочном двухпроводном шнуре (удобен покрытый пластиком экранированный провод), что позволит соответственно укоротить сам шлейф. Оборванный шлейф обычно не ремонтируют, поэтому нужно иметь несколько полностью смонтированных запасных шлейфных датчиков.

 Устройство оповещения с контактным датчиком или шлейфом

  Собранное без ошибок устройство оповещения налаживания не требует. Надо лишь убедиться в том, что в дежурном режиме, т.е. с целым шлейфом, потребляемый им ток не превышает нескольких микроампер, а звуковой сигнал, возникающий при отключении шлейфа, достаточно мощный. Повысить мощность звукового сигнала можно соответствующим подбором резистора R6. Излучение достигает максимума при совпадении частоты тонального генератора с частотой механического резонанса пьезоэлемента используемого звукоизлучателя. Ток, потребляемый устройством в режиме тревожной сигнализации, составляет 0,5...1 мА. Источником питания служит любая батарея с напряжением до 12 В, но с повышением напряжения соответственно увеличится ток дежурного режима и ток потребляемый устройством в режиме тревожной сигнализации. Правда, увеличится и громкость тревожного сигнала. В таблице приведены значения потребляемого тока в дежурном режиме и режиме сигнализации в зависимости от напряжения питания.

 Uпит, В   Iпoтp.дeж.,мкA   Iпотр.тр., мА 
4,5 1,5 0,3
5 1.7 0,4
6 2 0,6
7 2,4 0,9
8 2,7 1,3
9 3,1 1,7
10 3,5 2,4
11 4 3
12 4,4 3,7

Источник: shems.h1.ru

Партнеры