Что-то не так?
Пожалуйста, отключите Adblock.
Портал QRZ.RU существует только за счет рекламы, поэтому мы были бы Вам благодарны если Вы внесете сайт в список исключений. Мы стараемся размещать только релевантную рекламу, которая будет интересна не только рекламодателям, но и нашим читателям. Отключив Adblock, вы поможете не только нам, но и себе. Спасибо.
Как добавить наш сайт в исключения AdBlockРеклама
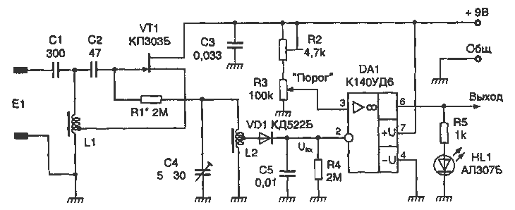
Емкостной датчик на LC-контуре
|
Принцип действия описываемого варианта емкостного реле основан на изменении частоты LC-генератора под влиянием воздействия на его элементы внешних предметов — эффекта, знакомого вам по реакции радиоприемника на поднесение руки к его антенне. Такой генератор емкостного реле образуют катушка L1, емкость датчика Е1, конденсаторы С1, С2, полевой транзистор VT1 и, конечно, незначительная емкость монтажа устройства.
Если напряжение питания транзистора стабилизировано и емкость датчика неизменна, то и частота генератора тоже неизменна (в нашем случае примерно 100 кГц). Но стоит приблизиться или коснуться датчика рукой, его емкость увеличивается, а частота электрических колебаний генератора уменьшается. Резкое изменение частоты LC-генератора — это и есть сигнал о нарушении исходных параметров чувствительного элемента емкостного реле. Но этот сигнал надо еще обнаружить. Решить задачу помогает второй LC-контур, образованный катушкой L2, конденсатором С4 и слабо связанный (чтобы не упала добротность) с генератором через резистор R1. Используется знакомое вам свойство резонансного контура — зависимость напряжения на нем от частоты колебаний поступающего сигнала. Выделенное контуром напряжение сигнала выпрямляется диодом VD1, фильтруется конденсатором С5 и далее поступает на инвертирующий вход (вывод 2) операционного усилителя (ОУ) DA1, выполняющего функцию компаратора. Конденсатором С4 резонансный контур настраивают на исходную частоту генератора. При этом на инвертирующем входе компаратора действует постоянное напряжение Umax. Резисторами R2 и R3 устанавливают на неинвертирующем входе (вывод 3) ОУ пороговое напряжение Uпop. Несколько меньшее, чем Uвх. В этом случае напряжение на выходе ОУ мало и светодиод HL1, подключенный к нему через ограничительный резистор R5, не горит. Если изменение частоты генератора будет таким, что напряжение Uвх станет меньше Uпop, компаратор сработает и включит светодиод. При удалении от датчика частота генератора вновь станет исходной, напряжение увеличится, компаратор переключится в первоначальное состояние и светодиод погаснет. Катушки L1 и L2 идентичные по конструкции и намотаны на кольцах из феррита 2000НМ с внешним диаметром 20 мм (можно 15 мм) и содержат 100 витков провода ПЭВ-2 0,2 мм. Намотка виток к витку, в один слой. Отвод катушки L1 сделан от 20-го витка, считая от вывода, соединенного общим проводом, L2 — от середины. Расстояние между началом и концом катушек должно быть не менее 3...4 мм. Транзистор VT1 — КП303Б, операционный усилитель DA1 - К140УД7, К140УД8, диод VD1 - КД503Б, КД521, КД522Б. Конденсаторы С1 и С2 - типа КТ, КД, КМ, С3 и С5 - КЛС, KM, C4 - КПК-1, резисторы R2 и R3 - типа СП3-3, остальные - ВС, МЛТ. После сборки реле проводят предварительную регулировку (цепочку R5HL1 пока не подключают). Роль датчика могут временно выполнять два отрезка провода диаметром 0,5...1 мм длиной по 1...1,5 м, расположенные параллельно па расстоянии 15...20 см один от другого. К конденсатору С5 подключают вольтметр постоянного тока с относительным входным сопротивлением менее 10 кОм/В и подстроечпым конденсатором C4 добиваются максимального показания напряжения вольтметра. Если при этом емкость конденсатора C4 окажется наибольшей, то параллельно ему подключают дополнительный конденсатор емкостью 10...15 нФ и подстройку повторяют. Вольтметр должен фиксировать напряжение 2,5...5 В. Если оно меньше, подбирают резистор R1, но его сопротивление должно быть более 500 кОм. После каждой замены резистора подстройку повторяют. Далее, к выходу ОУ подключают последовательно соединенные резистор R5 светодиод HL1. Движок резистора R3 устанавливают в нижнее по схеме положение, резистор R2 — в среднее. При этом светодиод должен гореть. Медленно перемещая движок резистора R3, добиваются погасания светодиода. Если теперь к датчику поднести руку или коснуться провода, соединенного с конденсатором С1, светодиод должен загореться. На этом предварительную регулировку емкостного реле можно считать законченной. Схема исполнительного устройства приведена па рисунке ниже. К выходу емкостного реле через делитель R1R2 подключают электронный ключ на транзисторе VT1, управляющий электромагнитным реле К1, контакты К1.1 которого включают осветительную лампу EL1 или сирену. Блок питания включает в себя понижающий трансформатор Т1, выпрямитель на диодах VD3—VD6 и фильтрующий конденсатор С2. Напряжение питания самого емкостного реле (9 В) стабилизируется параметрическим стабилизатором R3VD1.
При срабатывании емкостного реле на его выходе появляется постоянное напряжение 7...8 В, часть которого поступает па базу транзистора VT1. Транзистор открывается, реле К1 срабатывает и замыкающимися контактами К1.1 подключает к сети лампу EL1 или сирену. После восстановления исходного режима работы емкостного реле транзистор закрывается и лампа гаснет. Транзистор VT1 может быть КТ315Б - КТ315Д, КТ312А - КТ312В или другой аналогичный. Диоды VD3 — VD6 — любые выпрямительные с допустимым прямым током не менее 40...50 мА. Оксидпые конденсаторы — типа К50-6 или другие на соответствующие номинальные напряжения, резисторы — типа ВС, МЛТ. Реле К1 — РЭС22, паспорт РФ4.500.129 или аналогичное, срабатывающее при напряжении 9...11 В. Налаживание автомата сводится к окончательной настройке его емкостного реле. Для этого параллельно конденсатору С5 подключают высокоомный вольтметр постоянного тока и подстроечным конденсатором С4 устанавливают на нем максимальное напряжение — оно должно быть примерно таким же, как и при предварительной настройке. Если добиться этого не удается, параллельно С4 подключают дополнительный конденсатор емкостью 20...30 пФ и настройку повторяют. Для повышения чувствительности устройства контур L2C4 следует
настраивать не на максимум напряжения, а немного меньше — примерно на уровне 0,7Uвх max.
А так как возможны две точки настройки (выше и ниже Fo), правильна
будет та, которая соответствует меньшей емкости конденсатора С4. После этого
резисторами R2, R3 добиваются четкого срабатывания электромагнитного реле.
|