|
Датчики для охранной сингнализации
Существует много различных видов датчиков для охранной сигнализации. Большинство из них рассматривать из-за сложности изготовления в домашних условиях мы не будем, а остановимся на наиболее простых. Так, стекло автомобиля может охранять и обычная миниатюрная кнопка (МП-1), установленная на уголок, рис. 1. Крепится она к стеклу зажимом уголка под резиновую уплотнительную прокладку.
 Кроме кнопок, в качестве датчиков наиболее часто применяются герметичные герконовые контакты, замыкающиеся при воздействии магнита. Они обладают высокой надежностью и малыми габаритами, что делает возможным потайное размещение в углублении на каркасе дверей и оконных рам. При этом небольшой магнит крепится на подвижной части, например клеем (рис. 2). В зависимости от расположения магнита относительно геркона, датчик может работать на замыкание или размыкание цепи при срабатывании (обычно используют на размыкание). Чувствительности контактов геркона достаточно, чтобы он срабатывал на расстоянии 5...15 мм от магнита.
 Использованием только герконовых датчиков и кнопок не
везде удастся обеспечить надежную охрану (окно могут разбить). Простейшим способом сигнализации при разбивании окна является наклеенная по периметру стекла тонкая и узкая полоска из металлической
фольги, включенная последовательно в цепь охранного шлейфа (см. рис. 3). Она порвется при
разбивании стекла, но, если вор будет использовать стеклорез, может не сработать.
 Для охраны на стеклах широко используют выпускаемые
промышленностью датчики ДИМК (рис. 4). Такой датчик клеится к стеклу и
срабатывает на удары или разбивание за счет того, что пластина с закрепленным на
ней магнитом не имеет жесткого крепления и при ударах отходит от геркона, что
разрывает цепь охранного шлейфа (все датчики подключаются
последовательно).
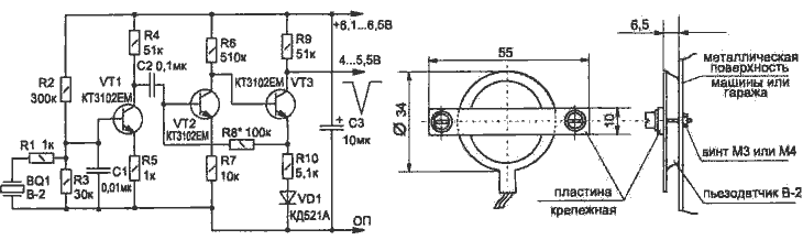
Для сигнализации об ударах и вибрациях может
использоваться также пьезосигнализатор типа В-2 (BQ1, рис. 5) совместно со
схемой усилителя. Этот датчик рассчитан на работу в диапазоне
температур ±60 °С и приклеивается к стеклу клеем или прижимается металлической
пластиной к корпусу автомобиля или гаража (рис. 6). Питание схемы может быть от 5 до 15 В, а
чувствительность устанавливается резистором R8 при настройке. При срабатывании
сигнализатора на выходе схемы появляется кратковременно нулевой уровень.
Устройство можно подключить непосредственно к схеме охраны.
Рис. 5 Усилитель к пьезодатчику Рис. 6. Вид крепления датчика
На автомобилях для предотвращения снятия колес часто
применяют датчики механических колебаний корпуса. Такой датчик несложно
изготовить из пружинящей металлической пластины с закреплением на одном конце груза (см. рис. 7), но он обладает низкой надежностью и требует частой механической подстройки чувствительности из-за
разбалтывания, а также изменения погодных условий. Чувствительность такого датчика зависит от неровности
поверхности земли на месте стоянки, что нередко приводит к ложным срабатываниям
или неконтролируемому снижению чувствительности.
 Рис. 7 Усилитель к электромагнитному датчику
Всех этих недостатков лишена схема с электромагнитным
датчиком (рис. 8). В качестве чувствительного к колебаниям датчика
можно использовать малогабаритный миллиамперметр (например от бытовой
радиоаппаратуры, М4370 и многие другие), доработав его в соответствии с рис. 9. Для этого корпус измерительного прибора вскрывается и на конце стрелки
закрепляется небольшой грузик (можно взять кусочек трубчатого припоя с
внутренней канифолью). Канифоль удаляется иголкой, а в полученное отверстие
вставляется конец стрелки и обжимается плоскогубцами. При выборе миллиамперметра неважно, где у него
начальное положение стрелки, — под действием веса груза она займет среднее
положение при соответствующей ориентации самого прибора.
Чувствительность электромагнитного датчика колебаний не зависит от неровности места, и он может срабатывать даже от легкого
прикосновения к машине, а его чувствительность легко изменить резистором R5 типа СП5-2В (так, во время дождя она должна быть снижена для исключения ложных срабатываний). Для удобства эксплуатации лучше применить два резистора R5 и тумблером переключать их на заранее установленные чувствительности. Схему усилителя к дагчику лучше располагать вблизи от датчика.
Для охраны темного подвала или погреба можно использовать датчик света (рис. 10). Он позволит обнаружить проникновение туда постороннего, который света, которым вор наверняка воспользуется. Резисторы, отмеченные на схемах звездокой, требуется подбирать при регулировке.
 Рис. 10. Датчик освещения
Источник: shems.h1.ru
|