Что-то не так?
Пожалуйста, отключите Adblock.
Портал QRZ.RU существует только за счет рекламы, поэтому мы были бы Вам благодарны если Вы внесете сайт в список исключений. Мы стараемся размещать только релевантную рекламу, которая будет интересна не только рекламодателям, но и нашим читателям. Отключив Adblock, вы поможете не только нам, но и себе. Спасибо.
Как добавить наш сайт в исключения AdBlockРеклама
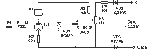
Простой сенсорный ключ на тиратроне МТХ-90
|
В запирающих устройствах на сенсорных ключах-выключателях используются металлические контакты-сенсоры. Прикосновение руки к ним вызывает срабатывание запирающего устройства и открывание тайника. В качестве сенсорных контактов используются любые металлические предметы, например гвозди, шурупы, пуговицы и т.п., что обеспечивает хорошую маскировку сенсорных контактов (попробуйте догадаться, шляпка какого гвоздя из нескольких десятков вбитых в стену позволит вам открыть тайник).
Чувствительным элементом данного ключа, реагирующим на прикосновение руки к сенсору Е1, валяется тиратрон с холодным катодом типа МТХ-90. Питается тиратрон постоянным током от выпрямителя, собранного на диоде VD2. Прикосновение к сенсору Е1 влечет за собой появление потенциала на сетке тиратрона HL1 относительно его катода. Тиратрон зажигается и в его анодной цепи появляется ток, приводящий к срабатыванию реле К1, которое своими контактами (на рисунке не показаны) включает запирающее устройство. Чтобы прикосновение руки к сенсору было безопасным, между сенсором и управляющей сеткой тиратрона HL1 включен ограничительный резистор R1 (его сопротивление может быть в интервале 1 - 10 МОм) Элементы VD1, С1 и R3 образуют параметрический стабилизатор напряжения, что позволяет исключить ложные срабатывания сенсорного устройства и самопроизвольное зажигание тиратрона HL1 при крлебаниях сетевого напряжения в интервале 180-250 вольт. В устройстве использовано электромагнитное реле К1 типа РЭС6 (паспорт РФО 452 103) Налаживание устройства сводится к установке переменным резистором R5 напряжения 170 В на конденсаторе С1 при напряжении в сети 180 В. Подключать, налаженное устройство следует в строгом соответствии со схемой после определения нулевого и фазового проводов.
|