Что-то не так?
Пожалуйста, отключите Adblock.
Портал QRZ.RU существует только за счет рекламы, поэтому мы были бы Вам благодарны если Вы внесете сайт в список исключений. Мы стараемся размещать только релевантную рекламу, которая будет интересна не только рекламодателям, но и нашим читателям. Отключив Adblock, вы поможете не только нам, но и себе. Спасибо.
Как добавить наш сайт в исключения AdBlockРеклама
Ключ на емкостном реле
|
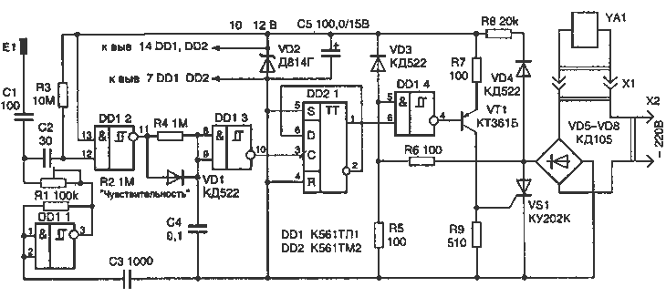
В основу работы устройства положен принцип емкостного реле с сенсорным управлением, что обеспечивает полную гальваническую развязку между выключателем и пользующимся им человеком, а также хорошую помехоустойчивость.
Триггеры Шмитта DD1.1 - DD1.3 микросхемы К561ТЛ1 и D-триггер DD2.1 микросхемы К561ТМ2, работающий в счетном режиме, образуют цифровую часть устройства, а четвертый триггер Шмитта DD1.4 микросхемы DD1, р-n-р транзистор VT1 и тиристор VS1 - узел управления электромагнитом YA1, включаемым (через разъем XI) в диагональ выпрямительного моста VD5-VD8 С выхода выпрямителя пульсирующее сетевое напряжение выпрямителя подается непосредственно на тиристор VS1, через делитель R6R5 - на входной вывод 5 триггера DD1.4 и через диод VD4 на стабилизатор напряжения R8VD2, являющийся источником питания микросхем и транзистора. Оксидный конденсатор С5 сглаживает пульсации стабилизированного напряжения Сразу же после подключения устройства к сети триггер DD1.1, работающий в активном режиме, начинает генерировагь прямоугольные импульсы частотой около 10 кГц, которые через подстроечный резистор R2 поступают к сенсору Е1 (через конденсатор С1) и на вход (вывод 12) триггера DD1.2 (через конденсатор С2). Амплитуду импульсного напряжения на этом выводе устанавливают резистором R2 такой, чтобы триггер срабатывал на каждый импульс генератора и на его выходе была такая же, как и на входе, импульсная последовательность, с такой же частотой конденсатор С4 будет заряжаться через диод VD1 и разряжаться через резистор R4. А так как постоянная времени цепи разряда во много раз больше постоянной времени разряда, то конденсатор С4 оказывается заряженным до напряжения высокого уровня. В это время на выходе триггера DD1.3 будет напряжение низкого уровня, на прямом выходе триггера DD2.1 напряжение низкого уровня, а на выходе триггера DD1.4 и базе транзистора VT1 - высокого уровня. Транзистор VT1, а значит, и тиристор VS1 закрыты и электромагнит YA1 выключен - автомат находится в режиме ожидания. При приближении к сенсору или касании его рукой общая емкость в точке соединения конденсаторов С1 и С2 увеличивается, из-за чего амплитуда импульсного напряжения на входе устройства уменьшается и оказывается недостаточной для срабатывания триггера DD1.2, и на его выходе появляется сигнал низкого уровня. Конденсатор С4 разряжается через резистор R4, срабатывает триггер DD1.3 и положительный перепад напряжения на его выходе переключает D-триггер DD2.1 в единичное состояние. Теперь на выходе триггера DD1.4 будет напряжение низкого уровня, которое открывает транзистор VT1. В результате в цели управляющего электрода тиристора VS1 возникает ток, тиристор открывается и, замыкая малым сопротивлением диагональ выпрямительного моста, включает электромагнит YA1. А теперь - коротко об экономичности управления тиристором. При переходе сетевого напряжения через нуль, тиристор закрывается. Открывается же тиристор, когда значение пульсирующего напряжения на нем становится равным примерно 20 В, а напряжение на входе (вывод 5) триггера DD1.4 достигает высокого уровня. Тогда на выходе триггера DD1.4 появляется сигнал низкого уровня, транзистор открывается и в цепи управляющего электрода тиристора возникает импульс тока. Как только тиристор откроется, напряжение на нем скачком уменьшится до 1,5 - 2 В, а на выводе 5 триггера DD1.4 - до низкого уровня. В результате па выводе 4 триггера DD1.4 появляется сигнал высокого уровня и транзистор закрывается. Таким образом, транзистор открывается лишь на время, равное времени срабатывания тиристора, то есть всего на несколько микросекунд. Соответственно тиристор за полупериод сетевого напряжения управляется одним очень коротким импульсом тока, что и повышает экономичность описываемого устройства. Все детали устройства, кроме сенсорного контакта, монтируют на печатной плате из фольгированпого стеклотекстолита. Транзистор VT1 может быть любым из серий КТ361, КТ209, КТ502, КТ3107. Тиристор VS1 - КУ202М, КУ202Н, КУ201М, КУ201Н. Диод VD1 - любой детекторный или импульсный диод, VD3 и VD4 - любые выпрямительные диоды. Диоды VD5-VD8 можно заменить на выпрямительный мост типа КЦ401Б, KЦ402A, KЦ402B, КП405А, КЦ402Б. Стабилитрон VD2 должен быть с напряжением стабилизации 10 - 14 В, типа Д814В-Д814Д, КС210Ж-КС213Ж, КС210Б, КС210Е, КС510А. Конденсатор С5 - оксидный К50-24, другие - КТ, КД (С1 -СЗ) и КЛС, КМ (С4). Резистор R2 - тина СПЗ-3, остальные - ВС, МЛТ. В целях безопасности конденсатор С1 должен быть рассчитан на номинальное рабочее напряжение не менее 250 В. Сенсорный элемент - это металлическая фольга площадью 40 - 50 см2, помещенная между двумя пластинками тонкого текстолита, органического стекла. Можно также использовать пластину из одностороннего фольгированного материала и наклеить на ее фольгированную сторону пластину из диэлектрика. Фольга такого сенсора должна быть удалена по всему периметру. С платой сенсор соединяется проводом в надежной изоляции минимальной длины. Сенсор заклеивается обоями. Налаживание устройства сводится к установке его чувствительности резистором R2. Здесь приходится выбирать компромисс между максимальной чувствительностью при приближении руки к сенсору и помехоустойчивостью выключателя. Помехоустойчивость можно улучшить путем увеличения емкости конденсатора С4.
|