LAB599.RU — интернет-магазин средств связи
EN FR DE CN JP

Устройство аудиоконтроля помещений




Устройство аудиоконтроля помещений

  На нынешнем этапе развития радиомикрофонов данное устройство представляет из себя довольно-таки устаревшую конструкцию. С другой стороны оно никак не пересекается с ответственностью за изготовление и применение устройств несанкционированного доступа к информации, поскольку является проводным. Составной частью данного комплекса является проводный выносной микрофон.

Вариант № 1

  Простейшая схема проводного выносного микрофона. Обеспечивает сигнал звуковой частоты амплитудой не более 1 В. Обладает существенным недостатком – при перепутывании полярности подключения выходит из строя микрофон, а стоимость «Сосны» известна. Имеет время входа в рабочий режим около 30 сек.

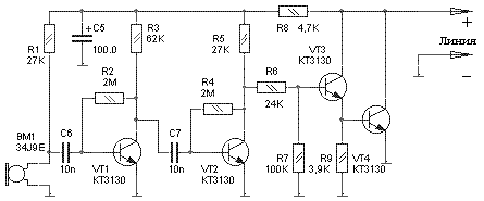
Вариант № 2

  Данная схема обеспечивает амплитуду сигнала до 4,5 вольт, т.е. полный размах по питанию. При исключении из схемы VT4 параметры сохраняются. Применение бескорпусных элементов существенно уменьшает габариты. Микрофон 34J9E – можно заменить на практически любой электретный микрофон, включая и «Сосну» со схемой включения на 2 провода. При изменении подводимой полярности напряжения выхода из строя не наблюдалось. Выходных шумов у данной схемы куда как меньше чем у варианта 1. А в остальном – классическая схема.

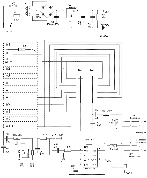
  Схема базового блока позволяет выборочно прослушивать до 10 помещений с одновременным независимым выходом на диктофон одного из каналов. Кроме того она позволяет некоторую коррекцию по ВЧ, для отсеивания ВЧ шумов звукового сигнала и имеет выход для подключения головных телефонов с отключением при этом внутреннего громкоговорителя.

  Все 10 входных каскадов аналогичные и позволяют при подаче на выносные микрофоны напряжения питания снимать с этих линий переменный сигнал звуковой частоты. Далее по схеме следует каскад коммутации на двух переключателях галетного типа. SA1 осуществляет выбор сигнала подаваемый на УНЧ, а SA2 коммутирует выбранную линию на выходной разъем для диктофона. УНЧ выполнен на ИМС МС34119 фирмы Motorola, хотя это самая обычная микросхема и имеет наши аналоги. В случае использования металлического корпуса выходной разъем для наушников не должен иметь гальванического контакта с корпусом. Выносные микрофоны после сборки и проверки лучше залить каким-либо компаундом или полиэтиленом из клеевого пистолета.

Основные технические характеристики устройства

Число контролируемых помещений до 10
Длина соединительных проводов между выносным микрофоном и базовым блоком при использовании не экр. кабеля до 100 м при использовании экр. кабеля до 400 м
Радиус контролируемой акустической зоны одного выносного микрофона до 10 м
Амплитуда сигнала на выходах для подключения диктофонов не менее 0.5 В
Выходная мощность на встроенном динамике 0.25 Вт
Сопротивление подключаемых наушников не менее 8 Ом
Питание прибора ~ 220 В 50 Гц
Потребляемая мощность 0.9 ВА
Диапазон рабочих температур 0...+55 С

Источник: shems.h1.ru

Партнеры