Что-то не так?
Пожалуйста, отключите Adblock.
Портал QRZ.RU существует только за счет рекламы, поэтому мы были бы Вам благодарны если Вы внесете сайт в список исключений. Мы стараемся размещать только релевантную рекламу, которая будет интересна не только рекламодателям, но и нашим читателям. Отключив Adblock, вы поможете не только нам, но и себе. Спасибо.
Как добавить наш сайт в исключения AdBlockРеклама
Сетевые провода в качестве шлейфа охранной сигнализации
|
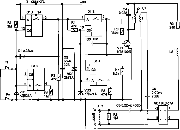
Действие устройства основано на том свойстве, что по проводам электрической сети можно передавать высокочастотные колебания с частотой до 150 кГц. Они свободно распространяются до ближайшего трансформатора. Этот же принцип используется при передаче по радиотрансляционным проводам трех станций, две из которых передаются с модуляцией частот 78 и 120 кГц. При частотах более 150 кГц часть ВЧ энергии начинает излучаться в эфир, создавая помехи. По этой причине применять более высокие частоты для передачи информации по сетевым проводам нецелесообразно. На охраняемом объекте устанавливается блок устройства, электрическая схема которого показана на рис. 1. Она состоит из двух автогенераторов. Первый генератор на элементах микросхемы D1.1 и D1.2 вырабатывает импульсы частотой 2 Гц и модулирует второй генератор (D1.3 и D1.4), работающий на частоте 70 кГц, рис. 2. На транзисторе VT1 собран резонансный усилитель. С выхода вторичной обмотки трансформатора пачки ВЧ колебаний через конденсаторы С5 и С6 поступают в сеть. Устройство питается непосредственно от сети по бестрансформаторной схеме, что позволяет уменьшить его габариты. Подключение выполняется с соблюдением фазировки,указанной на схеме. При правильном монтаже схема будет работать сразу, а настройка заключается в получении резонанса в контуре катушки L2 на частоте 70 кГц. Проверку схемы лучше выполнять при ее питании от стационарного источника. В качестве приемника можно воспользоваться схемой усилителя, приведенной на рис. 3. Катушки L1 и L3 одинаковые и выполнены в ферритовых чашках СБ-12 или аналогичных от контуров промежуточной частоты (465 кГц) приемников. Они должны предусматривать возможность настройки с помощью сердечников. Обмотка 1 содержит 160 витков, 2 — 50 витков проводом ПЭЛШО диаметром 0,08 мм.
Дроссель L2 содержит 200 витков тем же проводом на ферритовом кольце 600...2000НМ типоразмера К10х6х3 мм. В схемах применены резисторы типа МЛТ, конденсаторы С2 типа К53-18 на 20 В; С5, С6, С7, С8 — типа К73-17В на соответствующее рабочее напряжение. Остальные конденсаторы типа К10-17 или любые малогабаритные. Топология односторонней печатной платы для схемы блока охраны приведена на рис. 4 (пунктиром показаны две перемычки, которые устанавливаются до начала монтажа элементов).
|



