Что-то не так?
Пожалуйста, отключите Adblock.
Портал QRZ.RU существует только за счет рекламы, поэтому мы были бы Вам благодарны если Вы внесете сайт в список исключений. Мы стараемся размещать только релевантную рекламу, которая будет интересна не только рекламодателям, но и нашим читателям. Отключив Adblock, вы поможете не только нам, но и себе. Спасибо.
Как добавить наш сайт в исключения AdBlockРеклама
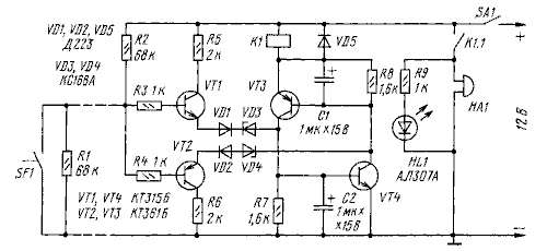
Устройство контроля отдаленных обьектов
|
Сравнительно простое электронное устройство позволяет контролировать состояние удаленных от дома обьектов, например хозяйственного сарая на садовом участке. Контакты SF1 установлены на двери охраняемого обьекта, там же находится и резистор R1. Штриховыми линиями показан шлейф от обьекта до дома. В дежурном режиме на базы транзисторов VT1 и VT2 поступает половина напряжения питания с делителя R2R1, транзисторы VT1 и VT2 почти закрыты и ток, потребляемый устройством от источника питания, не превышает 110 мкА.
При открывании двери охраняемого обьекта и замыкании контактов SF1 тут же открывается транзистор VT2, который, в свою очередь, открывает транзисторы VT4 и VT3, образующие электронный управляемый переключатель. При этом срабатывает электромагнитное реле K1 и контактами K1.1 включает звонок HA1 (или иное сигнальное устройство) и светодиод HL1. В случае обрыва шлейфа открывается транзистор VT1 (через резисторы R2, R3), а вслед за ним - транзистор VT3 (через резистор R5 и диод VD1) и транзистор VT4. Срабатывает реле K1 и контактами K1.1 включает сигнализацию. Статический коэффициент передачи тока базы всех транзисторов - не менее 100. Реле К1 на ток срабатывания, не превышающий коллекторный ток транзисторов VT3 и VT4. Радио №9, 1998 |