Что-то не так?
Пожалуйста, отключите Adblock.
Портал QRZ.RU существует только за счет рекламы, поэтому мы были бы Вам благодарны если Вы внесете сайт в список исключений. Мы стараемся размещать только релевантную рекламу, которая будет интересна не только рекламодателям, но и нашим читателям. Отключив Adblock, вы поможете не только нам, но и себе. Спасибо.
Как добавить наш сайт в исключения AdBlockРеклама
Датчик дыма
|
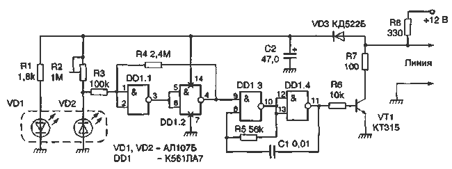
Для определения признаков пожара может служить простой оптоэлектронный датчик дыма с питанием от линии (рис. 1). Устройство работает следующим образом. На диодах VD1 и VD2 выполнена оптопара с открытым каналом. В качестве излучающего и приемного светодиодов используется светоизлучающий ИК диод АЛ107Б. При освещении светодиода VD2 потоком ИК излучения от светодиода VD1 первый будет иметь небольшое сопротивление, и в точке соединения резисторов R2, R3 и светодиода VD2 значение напряжения будет менее половины напряжения питания. На триггере Шмитта (элементы DD1.1, DD1.2) установится уровень логического «0». Генератор импульсов, выполненный на элементах DD1 3, DD1 4 блокирован этим уровнем (на выводе 9 DD1.3). Транзистор VT1 закрыт уровнем логического «0» на выводе 11 элемента DD1.4. При попадании дыма на датчик освещенность светодиода VD2 уменьшается и, как следствие, увеличивается его сопротивление. Напряжение в точке соединения элементов R2, R3, VD2 возрастает, приводит к срабатыванию триггера Шмитта и включению генератора на элементах DD1.3, DD1.4.
С выхода последнего (вывод 11 DD1.4) через резистор R6 положительные импульсы поступают на базу транзистора VT1. Он открывается и замыкает линию связи через резистор R7 на землю. При этом напряжение в точке соединения элементов VD3, R7, R8 уменьшается, а при закрывании транзистора VT1 — увеличивается. Таким образом, при появлении дыма на выходе линии (точка соединения элементов VD3, R7, R8) будут присутствовать импульсы с частотой, задаваемой генератором на элементах DD1.3, DD1.4. Эти импульсы обрабатываются схемой оповещения о пожаре (на рис. не показана), и выдается сигнал тревоги.
Питание устройства осуществляется по линии связи от источника +12 В через резистор R8. При этом в исходном состоянии (дым отсутствует) конденсатор С2 заряжен через диод VD3. При срабатывании датчика питание устройства будет осуществляться от конденсатора С2, который подзаряжается через диод VD3 при закрывании транзистора VT1. При замыкании линии через резистор R7 и транзистор VT1 диод VD3 препятствует разряду конденсатора С2. Одна из возможных конструкций датчика дыма показана на рис. 2. Вместо светодиодов АЛ107Б модно использовать АЛ108, Настройка датчика заключается в установке порога срабатывания триггера Шмитта изменением сопротивления резистора R2.
|