Что-то не так?
Пожалуйста, отключите Adblock.
Портал QRZ.RU существует только за счет рекламы, поэтому мы были бы Вам благодарны если Вы внесете сайт в список исключений. Мы стараемся размещать только релевантную рекламу, которая будет интересна не только рекламодателям, но и нашим читателям. Отключив Adblock, вы поможете не только нам, но и себе. Спасибо.
Как добавить наш сайт в исключения AdBlockРеклама
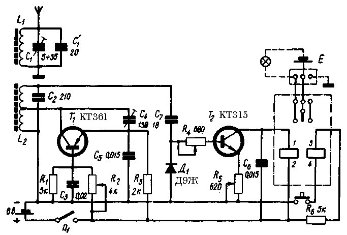
Емкостное реле
|
Сигнальное устройство, служащее для подачи звукового или светового сигнала тревоги, использует принцип емкостного реле. Как видно из схемы, приведенной на рисунке, это реле состоит из генератора на транзисторе Т1 и однокаскадного усилителя на транзисторе Т2. Генератор работает на частоте 760 кгц. На эту же частоту настраивается контур (L1, С1 С1'), индуктивно связанный с контуром генератора (L2, C2) и названный отсасывающим. Катушки обоих контуров наматываются на плоских ферритовых стержнях. Катушка L1 имеет 100 витков провода ЛЭШО 7Х0,07, катушка L2 28+ +23 витка того же провода.
Для отсасывающего контура нужно взять минимальные величины емкостей конденсаторов и подобрать необходимую величину индуктивности L1. Такое условие необходимо для того, чтобы емкость человека относительно земли имела существенное влияние на расстройку этого контура. К отсасывающему контуру для этой цели подсоединяется кусок медной фольги, образуя обкладку конденсатора, емкость которого и изменяется при приближении к нему руки человека. В этом случае происходит изменение резонансной частоты отсасывающего контура, он перестает отбирать энергию из контура генератора. Уровень В Ч напряжения на генераторном контуре возрастет и через конденсатор связи С, это напряжение попадет на детектор Д1. Продетектированное напряжение через резистор Д4, регулирующий его амплитуду, подается на базу транзистора Т2. Транзистор должен быть обязательно высокочастотным и обладать малой входной емкостью. Емкость разделительного конденсатора С7, выбирается экспериментально так, чтобы связь между этими каскадами была надежной, но и не очень большой. Нагрузкой транзистора Т2 служит одна из обмоток поляризованного реле Р. Как только ток через транзистор достигнет величины тока срабатывания реле (0,8-1 ма), последнее своими контактами включает исполнительное устройство - сирену или свет сигнальной лампы. Другая обмотка используется для блокировки сигнала. Описанное устройство было применено для охраны автомобиля. Реле можно использовать РП-4, паспорт У1722030. "Amaterskt radio", 1967, № 2 |