Что-то не так?
Пожалуйста, отключите Adblock.
Портал QRZ.RU существует только за счет рекламы, поэтому мы были бы Вам благодарны если Вы внесете сайт в список исключений. Мы стараемся размещать только релевантную рекламу, которая будет интересна не только рекламодателям, но и нашим читателям. Отключив Adblock, вы поможете не только нам, но и себе. Спасибо.
Как добавить наш сайт в исключения AdBlockРеклама
Кодовый замок на двух кнопках
|
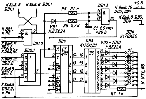
Это несложное устройство от ранее опубликованных отличается как кодированием, так и схемно-логическим решением. Цифровой блок построен на цифровых элементах структуры КМОП и обладает высокой экономичностью, что дает возможность питать его от автономного источника. Замок можно устанавливать как на стационарные объекты, так и на транспортные средства для блокировки запуска двигателя или открывания двери; не исключена его установка даже в чемоданы и кейсы.Одно из удобств замка — компактность кодонабирателя, состоящего всего из двух кнопок. Такой узел занимает очень мало места. Принцип действия устройства основан на подсчете девятиразрядной кодовой комбинации, представляющей собой произвольное чередование логических уровней 0 и 1. Дешифрированное последнее (девятое) состояние счетного узла служит сигналом включения исполнительного механизма. Принципиальная схема кодового замка представлена на рис. 1.
Кодирующий узел содержит две кнопки SB1 и SB2 с переключающими группами контактов, не фиксируемые в нажатом положении. Девятиразрядный шифр задают распайкой перемычек SI—S9 на выходе счетчика-дешифратора DD3. Наличие перемычки соответствует сигналу 1, отсутствие —0. Узел защиты от дребезга контактов кнопок собран на элементах DD1.1, DD1.2. Он представляет собой RS-триггер, срабатывающий от первого замыкания контактов и поэтому не реагирующий на остальные дребезговые переключения. Счет импульсов вводимого кода ведет счетчик DD3. Узел, собранный на триггерах DD2.1, DD2.2, запрещает дальнейший счет импульсов вводимого кода при ошибке в наборе. В устройство введен узел задержки времени, состоящий из элементов VD1, R5, R6, Cl, DD1.3. При ошибке в наборе кода этот узел позволяет повторить попытку только через определенный временной интервал. Если начать повторно набирать код до истечения этого интервала, замок не сработает даже при безошибочном наборе. Минимальный разрешаемый интервал времени между двумя смежными попытками набора кода устанавливают соответствующим выбором номиналов разрядной цепи R5C1. При номиналах элементов, указанных на схеме, эта задержка времени равна 4,8 с. Для гальванической развязки двух источников, питающих цифровой блок и исполнительный механизм, а также для обеспечения электробезопасности пользования замком при сетевом питании применен оптрон U1. Исполнительный электромагнит Y1 постоянного тока срабатывает после открывания тринистора VS1, управляемого фотодинистором. Импульсы с узла набора кода переключают RS-триггер узла антидребезга, а с выхода элемента DD 1.1 триггера поступают на счетный вход счетчика-дешифратора DD3. Если последовательность набора кода правильна, т. е. соответствует распайке перемычек на выходе счетчика, то на прямом выходе триггера DD2.2 действует низкий уровень напряжения, разрешающий работу счетчика DD3 до полного набора кода. Если набираемый код не совпал с установленным в любом разряде счетчика, то на выходе триггера DD2.2 появляется высокий уровень, который запрещает дальнейший счет. Последующие нажатия на кнопки уже не изменят состояния счетчика до тех пор, пока замок не перейдет в исходное положение. Более того, теперь каждое нажатие лишь увеличивает время пребывания счетчика DD3 в состоянии, предшествующем ошибке в наборе кода. После прекращения нажатий на кнопки по истечении временной задержки на выходе инвертора DD1.3 появляется высокий уровень, переключающий триггер DD2.2 и счетчик DD3 в состояние 0. Таким образом, высокая надежность охраны обеспечена как большой глубиной комбинационного набора, так и возможностью регулирования длительности возвращения замка в исходное состояние после каждой ошибки в наборе. При правильном наборе кода сигнал высокого уровня с выхода 9 счетчика DD3 открывает ключевой транзистор VT1, что приводит к срабатыванию оптрона, а вслед за ним — тринистора, включающего питание исполнительного электромагнита — замок сработает. По истечении временной задержки замок возвращается в исходное состояние, соответствующее нулевому состоянию триггера DD2.2 и счетчика DD3. Конденсатор Cl должен быть выбран с малым током утечки. В блоке применены постоянные резисторы МЛТ, конденсатор — К53-4А. Микросхему К176ИЕ8 можно заменить узлом из двух микросхем — К176ИЕ2 и К176ИД1, собранным по схеме на рис. 2.
Электромагнит постоянною тока — любой на напряжение 220 В. Можно использовать и низковольтный электромагнит, перемотав его обмотку на 220 В. В описываемом замке использован перемотанный электромагнит МИС1100Е. При необходимости индикации срабатывания замка в коллекторную цепь ключевого транзистора VT1 включают светодиод HL1 с токоограничительным резистором R9. Цифровой блок замка питается от стабилизированного источника напряжением 9В. Питание исполнительного узла зависит от конкретных условий эксплуатации. В описываемом варианте замка этот узел питается от сети переменного тока напряжением 220 В. При работе замка в стационарных условиях его удобно питать от сетевого блока без понижающего трансформатора (рис. 3).
Если в замке применен узел по схеме на рис. 4, то перед набором кода нужно один раз нажать на любую из кнопок для подачи напряжения питания к цифровому блоку. Это нажатие не входит в набор кода. После истечения необходимой выдержки времени можно набирать код. Подбирая резисторы R1—R3 (в пределах 27...300 кОм), следует стремиться к увеличению их сопротивления, но не в ущерб четкости работы цифрового блока. Надо иметь в виду, что если кнопки кодонабирателя по тем или иным причинам приходится отнести на большое расстояние от цифрового блока, то при этом повышается чувствительность устройства к действию помех от цепей исполнительного узла. В этом случае не рекомендуется чрезмерно увеличивать сопротивление этих резисторов. Поскольку резистор R1 в дежурном режиме постоянно подключен к источнику питания, к выбору его номинала следует отнестись наиболее внимательно, особенно если цифровой блок питается от гальванической батареи. Собранный безошибочно и из исправных деталей кодовый замок никакого другого налаживания обычно не требует, если не требуется изменить длительность временной выдержки. В. КОЗАЧЕНКО, Л. ХМЕЛЕВСКАЯ |
В этом случае все цепи устройства находятся под напряжением сети. Поэтому при эксплуатации замка необходимо соблюдать меры предосторожности, а при проверке и ремонте
электронного блока использовать автономный источник питания. При использовании замка на переносном объекте в качестве источника питания применяют батарею «Корунд». Энергоресурс замка можно повысить, если питание на него подавать только в момент набора кода. Фрагмент схемы узла, реализующего эту
функцию, показан на рис. 4.
В этом варианте кнопочные
переключатели SB1 и SB2 должны быть каждый с двумя группами переключающих контактов. Группы SB1.2 и SB2.2 служат для коммутации напряжения питания при наборе кода. Время существования напряжения питания цифрового блока определяет емкость конденсатора С1, оно должно быть примерно в два раза больше установленной выдержки времени.