Что-то не так?
Пожалуйста, отключите Adblock.
Портал QRZ.RU существует только за счет рекламы, поэтому мы были бы Вам благодарны если Вы внесете сайт в список исключений. Мы стараемся размещать только релевантную рекламу, которая будет интересна не только рекламодателям, но и нашим читателям. Отключив Adblock, вы поможете не только нам, но и себе. Спасибо.
Как добавить наш сайт в исключения AdBlockРеклама
Охранная сигнализация для фермера
|
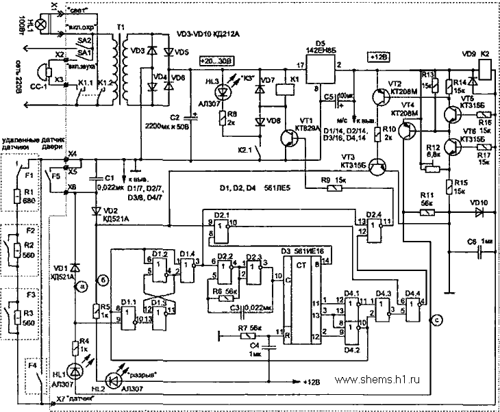
Данная система обладает хорошей надежностью и при этом обеспечивает охрану по одному охранному шлейфу нескольких удаленных на расстояние до 100 м друг от друга объектов. Это устройство может применяться для охраны дачи или садового участка. Электрическая схема блока охраны обеспечивает индикацию места сработавшего датчика — одного из четырех, что повышает удобство при ее установке и использовании. Определить место можно и по характеру звука подключенной сирены или звонка. Схема чувствительна к любым нарушениям в цепи охранного шлейфа (разрыв или замыкание) и позволяет значительно упростить подключение объектов охраны (см. рис. 2). Принцип работы блока охраны основан на контроле уровня напряжения при протекании небольшого тока через охранный шлейф (от сработавших датчиков он изменяется). Схема собрана на легко доступных элементах и состоит из источника сетевого питания на трансформаторе Т1 и диодах VD3-VD6, стабилизатора напряжения на микросхеме D5 (КР142ЕН8Б или 142ЕН8Б), схемы контроля уровня напряжения на охранном шлейфе (VT2-VT6) и формирователя временных интервалов на микросхемах D1-D4. При включении блока охраны (включателем SA1) схема обеспечивает задержку установки режима ОХРАНА на 12 секунд для того, чтобы хозяин успел покинуть помещение. При входе в дом сработает датчик F5, и в течение 6 секунд необходимо успеть отключить сигнализацию до момента появления звукового оповещения. Вся схема в режиме ОХРАНА потребляет по цепи +25 В ток не более 10 мА, и при безошибочной сборке настройка ее заключается в установке резистором R12 (многооборотный, типа СП5-2) лог. "1" на коллекторе VT4, а при срабатывании датчиков F2 или F3 должен появиться лог. "О". Реле К2 должно срабатывать только при коротком замыкании охранного шлейфа (сработал датчик F4). ![]() ![]()
Для удобства настройки схемы приведена таблица, которая позволяет
понять логику работы схемы и индикации сработавшего датчика. При изготовлении схемы применены конденсаторы С1, СЗ, С4, С6 типа К10-17а; С2, С5 — К50-35А на 50 В. Вместо транзисторов VT3, VT5, VT6 можно использовать транзисторную матрицу 1НТ251. Реле К1 типа РЭН34
ХП4.500.000-01; К2 — РЭС55А РС4.569.602 (или РС4.569.607) или РЭС55Б
РС4.569.627 (РС4.569.632) на рабочее напряжение 12 В. Трансформатор Т1 можно использовать любой с напряжением во вторичной обмотке 18...25 В. Такое напряжение есть во многих трансформаторах от
бытовой радиоаппаратуры. Так, например, подойдут многие из унифицированных
трансформаторов типа: ТПП221...ТПП226, ТПП231...ТПП236, ТПП245...ТПП248,
ТПП251...ТПП262 и другие. Они имеют много вторичных обмоток с разными
напряжениями, и последовательное их включение позволит получить нужное. В качестве датчиков F1...F5 лучше использовать герконовые контакты совместно с магнитами, так как они герметичны и не боятся атмосферных воздействий. Применение включателя SA2 не является обязательным, но его наличие
делает удобным (бесшумным) проверку работы блока охраны при эксплуатации.
| ||||||||||||||||||||||||||||||||||||||||||||||||||||||||||||

