Что-то не так?
Пожалуйста, отключите Adblock.
Портал QRZ.RU существует только за счет рекламы, поэтому мы были бы Вам благодарны если Вы внесете сайт в список исключений. Мы стараемся размещать только релевантную рекламу, которая будет интересна не только рекламодателям, но и нашим читателям. Отключив Adblock, вы поможете не только нам, но и себе. Спасибо.
Как добавить наш сайт в исключения AdBlockРеклама
Кодовый замок
|
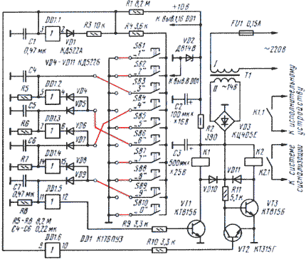
В последнее время подъезды жилых домов стали оборудовать входной металлической дверью. Для того чтобы дверь могли открывать все жильцы и не возникало проблем с ключами, рекомендуется установить кодовый замок, описываемый в статье. Его можно применить и для блокировки запуска двигателя автомобиля. Предлагаемый замок отличается от аналогичных тем, что содержит всего одну микросхему и минимальное количество деталей. Это, конечно, упрощает повторение конструкции широким кругом радиолюбителей. Более того, такое конструктивное решение не снижает защищенности замка от неправильного набора кода и не ухудшает его эксплуатационных качеств в сравнении с другими подобными устройствами. Конструкция состоит из десятикнопочной клавиатуры, платы замка и исполнительного устройства, представляющего собой электромагнит, который втягивает защелку двери. Можно дополнить устройство системой сигнализации: оно будет срабатывать при неправильном наборе кода.
Код состоит из четырех цифр от 0 до 9. Его набирают кнопками SB1-SB10. Устанавливают код распайкой перемычек (показаны красным цветом) на наборном поле. Они соответствуют коду 3649. Неиспользуемые кнопки необходимо соединить с общим проводом. При включении питания конденсатор C1 заряжается через резистор R1 и приблизительно спустя 5 с элемент DD1.1 переключается в единичное состояние. На выходе DD1.1 и DD1.6 также высокий уровень - замок готов к работе и можно нажимать первую кнопку кода. При нажатии кнопки SB3 высокий уровень с выхода элемента DD1.1 через диод VD1, резисторы R3, R4 и кнопку SB3 поступает на вход DD1.2. На выходе этого элемента возникает высокий уровень, который удерживается в течение 2 с после отпускания кнопки, пока конденсатор C4 разряжается через резистор R5. За это время нужно нажать следующую кнопку кода (в нашем примере - SB6), при этом высокий уровень поступит на вход элемента DD1.3 и т. д. После нажатия последней кнопки кода высокий уровень с выхода DD1.5 открывает транзистор VT1. Срабатывает реле K1, которое своими контактами включает исполнительное устройство (на схеме не показано), оно работает в течение 5 с - время разрядки конденсатора C7. Теперь рассмотрим, что произойдет при нажатии кнопок, не входящих в код, когда нарушается последовательность набора кода, а также в период паузы между нажатиями, длящейся более двух секунд. Допустим, первой была нажата кнопка SB4 (вместо SB3). Конденсатор C1 быстро разрядится через резистор R4, кнопку SB4, диод VD6 и выход элемента DD1.3, на котором в этот момент низкий уровень. Нажатие кнопки, не входящей в код, также приводит к разрядке конденсатора C1. При этом замок заблокирован, на входе и выходе элемента DD1.6 низкий уровень, транзистор VT2 закрывается, VT3 открывается, срабатывает реле K2 и своими контактами включает сигнализацию. Если человек, не знающий кода и принципа работы замка, станет продолжать нажимать на кнопки, конденсатор C1 все время будет разряжаться, поддерживая тем самым замок в заблокированном состоянии. Для того чтобы замок заработал, необходимо подождать, не нажимая кнопок, 5...6 с. Диод VD1 препятствует разрядке конденсатора C1 через выход элемента DD1.1, находящийся в нулевом состоянии во время зарядки C1 через резистор R1. Диоды VD4, VD6, VD8 препятствуют прохождению высокого уровня на входы следующих элементов, а диоды VD5, VD7, VD9 не дают разряжаться конденсаторам C5, C6, C7 соответственно. Если сигнализация не нужна, то элементы DD1.6, R10, R11, VT2, VT3, R2, VD11 можно исключить, при этом свободный вход элемента DD1.6 должен быть соединен с общим проводом или с плюсовым выводом источника питания (+10 В). В устройстве применены резисторы МЛТ, керамические конденсаторы К10-17, оксидные - К50-35. Электромагнитные реле K1, K2 - РЭС-6 (паспорт РФ0.452.104) или другие с напряжением срабатывания не более 20 В и сопротивлением обмотки не менее 500 Ом. Трансформатор T1 можно применить самодельный или заводской с напряжением на вторичной обмотке 12...15 В и током не менее 100 мА. Транзисторы - с любым буквенным индексом, а диоды - любые маломощные кремниевые. Микросхему DD1 можно заменить на К561ПУ4 или КР1561ПУ4. Если не окажется под рукой указанных микросхем, каждый элемент допустимо заменить цепью из двух последовательно включенных инверторов, применяя микросхемы К561ЛН2, К561ЛА7, К561ЛЕ5 (или аналогичные серии К176). Собранный из исправных деталей замок начинает работать сразу и налаживания не требует. Длительности временных задержек изменяют подбором времязадающих конденсаторов C1, C4-C7. Радио №6, 1999 |