Что-то не так?
Пожалуйста, отключите Adblock.
Портал QRZ.RU существует только за счет рекламы, поэтому мы были бы Вам благодарны если Вы внесете сайт в список исключений. Мы стараемся размещать только релевантную рекламу, которая будет интересна не только рекламодателям, но и нашим читателям. Отключив Adblock, вы поможете не только нам, но и себе. Спасибо.
Как добавить наш сайт в исключения AdBlockРеклама
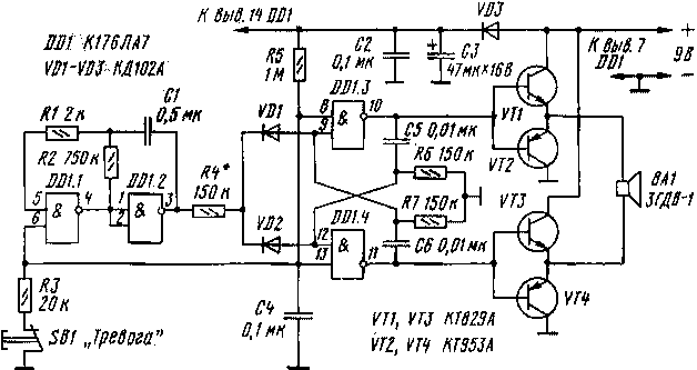
Двутональная "сирена"
|
Поиски описания наиболее простого и дешевого звукового сигнализатора для сторожевого устройства привели меня к статье Ю. Виноградова "Сигнальная двутональная "сирена", опубликованной в "Радио" № 6 за 1994 г. Эксперименты и анализ схемотехники этой конструкции показали, что ее можно упростить, уменьшив число используемых микросхем с трех до одной, и сэкономить несколько резисторов. В моем варианте сигнального устройства (см. схему) два генератора импульсов— коммутирующий, собранный на элементах DD1.1 и DD1.2, и тональный, выполненный на элементах DD1.3 и DD1.4. Второй из них симметричный как по схеме, так и по скважности (Q=2). Это позволило оптимальным образом согласовать тональную часть с симметричным мостовым усилителем на транзисторах VT1—VT4. Пока контакты кнопки SB1 замкнуты (дежурный режим), оба генератора заторможены, на выходе элемента DD1.2 низкий уровень напряжения, а на выходах других элементов — высокий. Поэтому транзисторы VT1 и VT3 могли бы быть открыты (высоким уровнем), но транзисторы VT2 и VT4 закрыты (таким же уровнем), поэтому закрыты все четыре транзистора (как и в исходном варианте устройства).
После размыкания контактов кнопки SB1 (режим тревоги) оба генератора начинают работать, но теперь выходные сигналы тонального генератора всегда противоположны. Сразу же после нажатия на кнопку низкий уровень напряжения на выходе элемента DD1.2 сменится высоким. В это время диоды VD1 и VD2 закрыты и резистор R4 не участвует в работе тонального генератора — звучит пониженный тон частотой 500 Гц. Когда же через 0,5 с на выходе элемента DD1.2 появляется сигнал низкого уровня и диоды VD1 и VD2 могут открываться, резистор R4 оказывается подключенным (по очереди) то параллельно резистору R6 (через диод VD1), то резистору R7 (через диод VD2). Поэтому следующие 0,5 с звучит уже повышенный тон частотой 1000 Гц. В дальнейшем оба тона периодически сменяют один другого. При желании добиться, чтобы сперва звучал повышенный тон, левый (по схеме) вывод резистора R4, подключенный к выходу 3 элемента DD2, следует переключить на выход 4 элемента DD1.1 первого генератора. Цепь R3C4 защищает входы 6, 8 и 13 элементов микросхемы от импульсных помех, наводимых в соединительных проводах кнопки SB1. Диод VD3, в свою очередь, защищает микросхему в случае ошибочной полярности подключения источника питания. Тональный генератор настраивают в таком порядке. Сначала левый по схеме вывод резистора R4 отключают от выхода элемента DD1.2 — динамическая головка ВА1 должна излучать постоянный тон. Подбором резистора R6 (или R7) изменяют частоту звучания "пониженного" тона. Желательно, чтобы сопротивления резисторов R6 и R7 были одного значения, только тогда головка ВА1 будет работать без "перекоса", а нагрузка между транзисторами VT1—VT4 — делиться поровну. Вообще же, эти два резистора можно заменить одним, соединив его с общим проводом через два диода, включенные точно так же, как диоды VD1 и VD2. Тогда настройку пониженного тона ведут подбором только одного этого резистора. Восстановив соединение резистора R4 с выходом коммутирующего генератора, подбором этого резистора настраивают повышенный тон. Необходимой частоты переключений добиваются подбором резистора R2. Транзисторы КТ953А (VT2, VT4) заменимы любыми из серий КТ953 и КТ973, а КТ829А (VT1, VT3) — из серий КТ829 и КТ972. Диоды VD1—VD3 могут быть любыми из серий КД102, КД103, КД105. Вместо микросхемы К176ЛА7 подойдет К561ЛА7 или К564ЛА7. Сопротивление звуковой катушки головки ВА1 должно быть не менее 4 Ом. В. БАННИКОВ |