LAB599.RU — интернет-магазин средств связи
EN FR DE CN JP

УКВ-ЧМ радиомикрофон на 108 МГц




УКВ-ЧМ радиомикрофон на 108 МГц

 УКВ-ЧМ радиомикрофон на 108 МГц

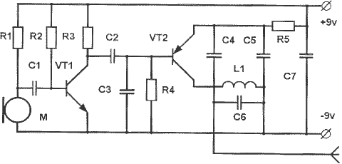
 УКВ-ЧМ радиомикрофон на 108 МГц   Принципиальная схема радиомикрофона представлена на риуснке 1. На рисунке 2 изображен данный микрофон, собранный навесным монтажем на панельке от "Кроны". На рисунке 3 изображена печатная плата с разных сторон. Ниже приводятся данные деталей и катушки индуктивности. Настройку на нужный диаппазон можно произвести путем изменения количества витков, а в пределах диаппазона - растяжением катушки. C6 нужно настроить по максимальному излучению с конкретной антенной.

R1 15k         C1-C3 22-33nF    VT1 KT3102
R2 820k        C4 15pF          VT2 KT3126
R3 3k          C5 75pF          L1 4 вит. на оправке диам. 6 мм,
R4 22-82k      C6 4-20pF                   провод диам. 0,35 мм.
R5 56-100      C7 0,1mkF

 УКВ-ЧМ радиомикрофон на 108 МГц
Источник: shems.h1.ru

Партнеры