Что-то не так?
Пожалуйста, отключите Adblock.
Портал QRZ.RU существует только за счет рекламы, поэтому мы были бы Вам благодарны если Вы внесете сайт в список исключений. Мы стараемся размещать только релевантную рекламу, которая будет интересна не только рекламодателям, но и нашим читателям. Отключив Adblock, вы поможете не только нам, но и себе. Спасибо.
Как добавить наш сайт в исключения AdBlockРеклама
Передатчик УКВ для прослушивания телевизора
|
Многие, наверное, уже сталкивались с такой проблемой, как, просматривая телевизионные программы, не мешать при этом окружающим, особенно в вечерние часы или после полуночи, когда остальные члены семьи предпочитают отдыхать перед предстоящим рабочим днем. Можно, конечно, пользоваться головными телефонами, тем более что в настоящее время практически вся бытовая радиоэлектронная аппаратура, в том числе и телевизоры, снабжается выходными гнездами для подключения таких телефонов. Созданы и беспроводные головные телефоны, но они еще настолько дороги, что пока не получили широкого распространения.
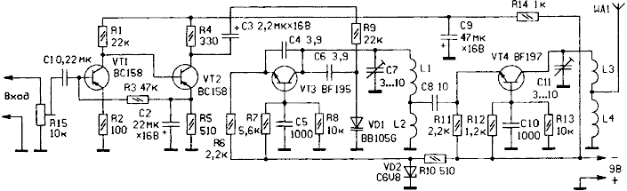
Предлагаемое устройство обеспечивает "тихое" прослушивание звукового сопровождения на телефоны с помощью любого малогабаритного приемника с УКВ диапазоном. Существенным преимуществом такого способа является возможность свободного перемещения телезрителя в пределах квартиры. Кроме того, зрителей может быть несколько. Их число ограничивается только наличием приемников. Устройство представляет собой передающую приставку, размещаемую непосредственно на телевизоре. Входной сигнал на нее поступает с гнезда подключения телефонов. Схема приставки, по сути маломощного передатчика УКВ с диапазоном 88...107 МГц, показана на рисунке. Транзисторы VT1 и VT2 работают как усилители модулирующего сигнала, снимаемого с телефонного гнезда телевизора. Генератор на транзисторе VT3 собран по известной схеме Колпитца. В коллекторе транзистора VT3 - параллельный колебательный контур L1L2C7C6, в него же входит варикап VD1. Сигнал низкой частоты с коллектора транзистора VT2 через конденсатор СЗ и резистор R9 подается на анод варикапа VD1. В зависимости от изменения напряжения сигнала на коллекторе транзистора VT2 изменяется емкость варикапа и тем самым - частота генератора. Девиация частоты зависит от амплитуды подводимого сигнала низкой частоты. На транзисторе VT4 выполнен оконечный усилитель радиочастоты. Питают задающий генератор приставки стабилизированным напряжением 6,8 В, снимаемым с диода VD2. Приставка потребляет небольшой ток (порядка 12 мА), поэтому возможно ее питание от малогабаритной батареи с напряжением 9 В. Все катушки приставки бескаркасные, намотаны на оправке с внешним диаметром 5 мм виток к витку проводом диаметром 0,6 мм. Катушки L1 и L2, а также L3 и L4 (каждую пару) можно рассматривать как катушку с отводом. Намоточные данные: L1 6 витков; L2 - 4, L3 - 2 и L4 - 7 витков. Приставку допустимо разместить в металлическом корпусе. Ее выход подключен к четвертьволновой антенне, в качестве которой может быть использована телескопическая конструкция или соответствующей длины отрезок медного провода. При использовании исправных элементов и отсутствии ошибок в монтаже устройство начинает работать сразу же после включения питания. Необходимо будет только установить величину сигнала, управляющего приставкой, чтобы избежать ее перегрузки. Для этого на входе следует установить переменный резистор. Сделать это можно и регулятором громкости телевизора. На шкале настройки примененного УКВ приемника нужно найти участок, в котором не работают местные станции (в различных регионах это могут быть разные интервалы частот) и подстроечным конденсатором С7 приставки изменить частоту работы так, чтобы в приемнике прослушивалось звуковое сопровождение телевизионной программы. Затем подстроечным конденсатором СИ более точно подстроить частоту приставки по наилучшему воспроизведению звука в приемнике. Если вы захотите точно задать или определить рабочую частоту приставки, то для регулировки лучше воспользоваться приемником с цифровой шкалой. После этого оставляют приставку работающей в течение 20...30 мин для проверки стабильности работы. При выборе соответствующего оформления приставки ее можно использовать как беспроводный эстрадный микрофон с питанием от батарей типа 6F22. Примечание редакции. В предлагаемой приставке можно применить высокочастотные транзисторы КТ3107Б (VT1, VT2), КТ339Г или КТ368Б (VT3, VT4). Аналог варикапа VD1 - КВ109Ж1. В качестве стабилитрона подойдет КС168А. Типоразмер батареи 6F22 соответствует отечественным батареям "Крона", "Корунд". Radioelektronik №11, 1994 |