LAB599.RU — интернет-магазин средств связи
EN FR DE CN JP

Простые радиомикрофоны




Простые радиомикрофоны

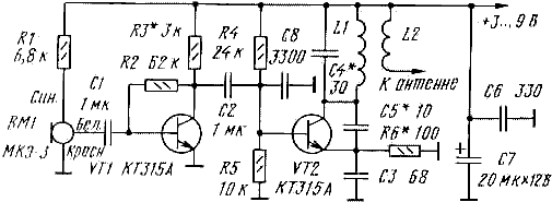
  Вниманию читателей предлагаются три простых радиомикрофона, выполненных автором на базе устройства, опубликованного в журнале "Радио", 1995, № 4, с. 44. Во всех случаях приводятся только схемы передатчиков. Прием велся на УКВ приемник китайского производства, настроенный на частоту 100 МГц и работающий со штыревой антенной длиной около 40 см. В ходе экспериментов выяснилось, что необходимую девиацию частоты передатчика можно получить и без применения варикапов. Его схема показана на рис. 1.

 Простой радиомикрофон

  Такой радиомикрофон сохраняет работоспособность в диапазоне питающих напряжений 3...12 В. Следует, однако, учитывать, что при изменении напряжения питания будет наблюдаться и существенное изменение рабочей частоты. При напряжении питания 4,5 В радиомикрофон потребляет ток около 4 мА. Дальность его действия в открытом пространстве достигала 50...60 м. Акустическая чувствительность примененного микрофона МКЭ-3 обеспечивает нормальную работу устройства на расстоянии 3...4 м от говорящего человека.

 Простой радиомикрофон   Попытки упростить схему привели к созданию радиомикрофона всего на одном транзисторе (рис. 2). При напряжении питания 3 В он потребляет ток 1,5 мА и обеспечивает дальность действия 35...40 м при расстоянии от источника звука 10...15 см. Оба микрофона почти не требуют налаживания (кроме установки рабочей частоты). Чтобы избавиться от ухода частоты из-за влияния руки оператора, микрофон необходимо поместить в металлический корпус или экран из фольги, соединенный с общим проводом. При тщательном подборе элементов удавалось добиться работы микрофонов от источника питания напряжением 1,5 В, однако она была крайне неустойчива. По этой причине пришлось собрать радиомикрофон на германиевых транзисторах (рис-3). Он способен работать от источника напряжением 1,5...0,9 В, потребляемый ток при этом составлял 1 мА, а дальность действия равнялась 10...15 м при расстоянии 1 м от источника звука. Этот микрофон очень чувствителен к номиналам элементов и напряжению питания. Например, при попытке повысить последнее до 3 В. транзистор VT1 был около 0.3 мА. После такой настройки радиомикрофон сохраняет работоспособность при снижении питания до 0.9 В.

 Простой радиомикрофон   Катушки L1, L2 всех трех конструкций бескаркасные. Они намотаны на оправке диаметром 7 мм и содержат соответственно 6 и 2 витка посеребренного провода диаметром 0,5 мм. Катушка L2 размещена рядом с L1. В передатчиках использовалась спирально-штыревая антенна, изготовленная из отрезка полиэтиленового стержня шариковой авторучки диаметром 3 и длиной 70...80 мм. На расстоянии 3...5 мм от конца трубки иглой следует сделать отверстие, в которое пропустить один из концов отрезка провода ПЭВ 0,15 длиной 165 мм. После изготовления антенны этот конец провода нужно припаять к катушке L2. Затем провод с некоторым натягом аккуратно намотать на стержень. Шаг намотки равен двум диаметрам используемого для намотки провода. Второй конец провода закрепляют, надев на конец обмотки резиновое кольцо или отрезок виниловой трубки соответствующего диаметра. Далее следует зафиксировать витки на стержне авторучки, промазав их клеем БФ-2. Штырь изготавливают из медного провода диаметром 1,5...2 и длиной 60...100 мм. Остается лишь подобрать отрезок виниловой трубки, который бы надевался на конец штыря и с небольшим усилием входил внутрь изготовленной спиральной катушки со стороны ее свободного конца — и антенна готова. Ее настройка сводится к перемещению штыря внутри катушки. Штырь фиксируют клеем или каким-либо другим способом.

Ю.Осоцкий
пос. Таежный, Амурской обл.

Источник: shems.h1.ru

Партнеры