Рабочая частота 65-108 МГц
Напряжение питания 2,8-9 вольт
Потрябляемый ток 3 мА
Дальность 25-300 метров
Окружающая температура -30
о...+75
о
Наладка производится с помощью включенного и настроенного на предпологаемую частоту приемника. Плавно изменяя расстояние между витками L1 любым диалектриком нужно настроить передатчик на частоту приемника. Если динамик приемника расположен вблизи микрофона, то появится сильный акустический резонанс (свист). Конденсатор С9 нужно настроить по максимуму излучения. Для этого можно собрать один из измерителей представленных на сайте. Для 88-96 МГц L1-10 витков, а L2-11 витков провода 0.8 мм диаметр намотки 3.5 мм. Для 65-74 МГц L1-12...13 витков. Микрофон любой, электретный. Для различных типов микрофонов можно подобрать R6 по лучшему звучанию. Но не следует поднимать напряжение на микрофоне более 2 В. Собранную плату целесообразно экранировать.
Хочу выразить огромную благодарность Стрельцову Ивану из Нефтеюганска, который прислал рисунки печатной платы передатчика. Ее размер 26 х 29 мм. Как видно из рисунка печатной платы - Иван использовал планарный корпус микросхемы MC2833. Если возникнут вопросы или конструктивные предложения - можете писать Ивану или мне.
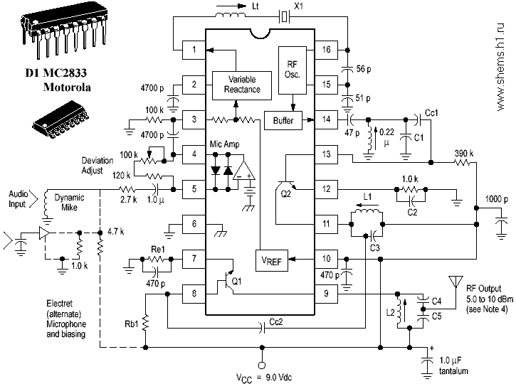
Т.к. приходит много писем по-поводу данной схемы - привожу дополненный рисунок, а также схему стандартного подключения и рисунки печатных плат для него. Данные взяты с сайта Motorola. Данную микросхему на радиорынке в Киеве я без проблем купил за 10 грн. (около $2). Если у Вас есть желание просмотреть оригинальное описание микросхемы, представленное фирмой Motorola - можете (395 kB).

Автор неизвестен.
Дополнения:
Безсмертный В.С. (админ)
Стрельцов Иван
Источник: shems.h1.ru