Что-то не так?
Пожалуйста, отключите Adblock.
Портал QRZ.RU существует только за счет рекламы, поэтому мы были бы Вам благодарны если Вы внесете сайт в список исключений. Мы стараемся размещать только релевантную рекламу, которая будет интересна не только рекламодателям, но и нашим читателям. Отключив Adblock, вы поможете не только нам, но и себе. Спасибо.
Как добавить наш сайт в исключения AdBlockРеклама
Мой любимый жучок
|
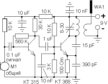
Собирал много раз, из самых разных деталей и она всегда классно работает. Номиналы деталей некритичны и могут отличаться в ту или иную сторону в полтора раза. Я принимал сигнал этого жучка, работающегов комнате ж/б дома на расстоянии около 300 м при отсутсвии прямой видимости на приемник плейера. Чувствительность по НЧ позволяет прослушивать громкий разговор в комнате. Если же тракт НЧ дополнить еще одним каскадом усиления, то становится слышим даже тихий шепот...Правда, от громкой речи схема тогда перегружается и бы надо еще ставить АРУ. Если же вам требуется передатчик - радиомикрофон (когда вы планируете непосредственно бубнить прямо в микрофонный капсюль), то каскад усиления НЧ вообще не нужен.
Микрофон - телефонный электретный капсюль (применяется также в магнитофонах). На задней плате есть два контакта, один из них соединен с корпусом микрофона. Это минусовой вывод - общий. На второй контакт подается питание через резистор 5...20 кОм. Если усиление слишком велико, в цепь эмиттера первого транзистора включите сопротивление 100 Ом...10 кОм. Резистор в цепи эмиттера второго транзистора определяет рабочий ток генератора ВЧ. Не уменьшайте его значение ниже 50 Ом - транзистор будет перегружен. Увеличение сопротивления повышает стабильность генератора и срок службы батареи, но приводит к снижению выходной мощности. Диаметр намотки контурной катушки - 5 мм, провод 0.5 мм. Число витков катушки для диапазона FM 5-6. Грубо рабочую частоту устанавливают подстроечным конденсаторм контура, а точно - растяжением/сжатием витков катушки. Подстроечный конденсатор желательно заменить постоянным нужной емкости. Катушка связи расположена рядом с "горячей" стороной контурной катушки соосно на рассоянии 2 мм и содержит 4 витка того-же провода. Сближение катушек (вплоть до намотки катушки связи поверх контурной) и увеличение кол-ва витков катушки связи увеличивает полезную мощность в антене, но снижает стабильность частоты из-за влияния емкости антены на настройку контура (т.к. каскад усиления мощности отсутствует). Поэтому ограничьтесь максимально возможной глубиной связи, при которой влияние расположения антены в пространстве и касание ее руками не приводит к заметному уходу частоты передатчика. ![]()
На рисунке показан один из возможных вариантов монтажа радиомикрофона. Этот радиомикрофон рассчитан на питание от батареи типа КРОНА и смонтирован на колодке от старой батареи. С обратной стороны колодки впаиваются два штыря из луженой проволоки диаметром около 1 мм, и на них навесным способом распаивают детали. На выводах деталей пинцетом сгибают кольца и одевают на штыри. Такой монтаж обладает повышенной надежностью. После регулировки схемы штыри обрезают на нужную длину и припаивают верхнюю пластину, которую можно сделать из обрезка старой печатной платы. На ней распаивают также вывод антены. По завершении монтажа можно залить все эпоксидным компаундом и поместить радиомикрофон в металлический кожух (тоже берется от старой батареи). Напротив микрофона сверлят отверстие 2-3 мм. Следует учесть, что заливка компаундом и наличие экрана могут повлиять на частоту настройки передатчика, так как диэлектрическая проводимость компаунда больше чем воздуха, и собственная емкость катушки увеличится (снижение частоты). Немагнитный экран приводит к некоторому увеличению частоты настройки. Для уменьшения влияния экрана располагайте катушку контура дальше от его стенок. Для приема радиомикрофонов замечательно подходят обычные радиовещательные приемники. Микрофоны диапазона 27 МГц лучше настроить немного ниже (24...26 МГц), чтобы их прием можно было вести на вещательный КВ приемник. УКВ микрофоны настраивают на свободный от вещания канал. Достоинством применения вещательных диапазонов является то, что не требуется специальной аппаратуры, и можно использовать приемник магнитолы и вести одновременно запись на кассету. Недостатки - вероятность того, что передачу может прослушать также и посторонее лицо, и низкая чувствительность/избирательность бытовых приемников, что в условиях городских помех сокращает эффективную дальность приема. На радиорынках продаются модули для ремонта, представляющие из себя готовые приемники, усилители и т.п. Они отличаются малыми габаритами и невысокой ценой. С некоторыми доработками их можно использовать для создания специального приемника. Следует приобрести моно УКВ приемник на верхний диапазон (88 - 108 Мгц) с одной контурной катушкой (такие приемники имеют низкую ПЧ и активные интегральные узкополосные фильтры). Такой приемник легко перенастроить за вещательный диапазон, только заменив контурную катушку. Достаточно удалить/добавить 1-2 витка. Невысокую чувствительность подобных приемников (обычно около 20 мкВ) можно довести до 2-5 мкВ, собрав входной усилитель. Лучшие результаты получаются с усилителем на полевом транзисторе с изол. затвором (типа КП350, КП306). За основу возьмите схему входного каскада промышленного тюнера. Входной контур (если он есть) также следует подогнать по частоте за вещательный диапазон. Усилитель НЧ можно сделать самому или использовать
подобный модуль. Желательно оснастить конструкцию выходом на наушники и для записи на
магнитофон.
|
