Что-то не так?
Пожалуйста, отключите Adblock.
Портал QRZ.RU существует только за счет рекламы, поэтому мы были бы Вам благодарны если Вы внесете сайт в список исключений. Мы стараемся размещать только релевантную рекламу, которая будет интересна не только рекламодателям, но и нашим читателям. Отключив Adblock, вы поможете не только нам, но и себе. Спасибо.
Как добавить наш сайт в исключения AdBlockРеклама
ЧМ передатчик с кварцевой стабилизацией
|
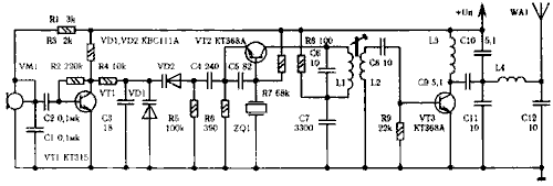
Предлагаемый ЧМ передатчик имеет выходную мощность 15 мВт при токе потребления 15 мА, девиация частоты ±3 кГц. Он прост по конструкции, имеет малые габариты и состоит из доступных элементов. На рисунке приведена принципиальная схема ЧМ передатчика. Сигнал с микрофона через разделительный конденсатор С2 подается на усилитель ЗЧ на транзисторе VT1, и далее через резистор R4 - на варикапную матрицу VD1, VD2. Резистор R2 определяет рабочую точку усилителя и одновременно начальное смещение варикапной матрицы.
Кварцевый генератор выполнен на транзисторе VT2. Кварцевый резонатор включен в цепь базы и возбуждается на частоте параллельного резонанса на первой гармонике. В коллекторной цепи транзистора имеется контур L1C6, настроенный на частоту гармоники резонатора в диапазоне частот 72,0...73,0 МГц. С катушкой этого контура индуктивно связан удвоитель частоты VТ3, где выделяется напряжение частотой 144,0... 146 мГц. Усиленное напряжение через фильтр нижних частот L3C11C12, осуществляющий функции подавления высших гармоник и согласования с нагрузкой, подается в антенну. Конденсатор С13 - разделительный. Питание микрофонного усилителя и кварцевого генератора осуществляется от парметрического стабилизатора напряжения, выполненного на стабилитроне VD3. Детали. Резисторы - МЛТ-0,125(0,25). Конденсаторы: подстроечные - КТ4-23, КТ4-21 емкостью 5...20,6...26 пФ, остальные - КМ, К10-17, КД, С5 - К53-1А. Микрофон BF1 - МКЭ-84-1, МКЭ-3, ДЭМШ-1А. Стабилитрон VD3 - КС156, КС162, КС168. VD1,VD2 - варикапная матрица КВС111А, Б или варикапы KB109, KB110, в последнем случае R5 удаляют, варикап включают на место VD2, а левый (по схеме) вывод конденсатора С4 присоединяют к узлу C3R4VD1. Транзисторы: VT1 - KT3102,VT2, VT3 - КТ368, КТ316, КТ325, КТ306, BF115, BF224, BF167, BF173. Кварцевые резонаторы - в малогабаритном корпусе на частоты 14,4...14,6, 18,0...18,25, 24,0...24,333-МГц. Основная частота и гармониковые (обертонные) - на 43,2...43,8, 54,0...54,75, 72,0...73,0 МГц (3-я гармоника у двух первых и третья и пятая гармоника у третьего). Катушка передатчика L1 имеет 11 витков провода ПЭВ - 2 0,64, намотанных на каркасе диаметром 5 мм виток к витку. L2 намотана поверх L1 и имеет 6 витков провода ПЭЛШО 0,18. Внутрь каркаса ввинчен ферритовый сердечник 20ВЧ. L3 - 5 витков медного посеребренного провода диаметром 0,8 мм, намотанных на оправке диаметром 5 мм. L4 - 3 витка медного посеребренного провода, диаметр намотки 5 мм, длина намотки 10 мм. Настройка. Предполагается, что все детали исправны. Перед настройкой с помощью лупы нужно проверить плату на отсутствие замыканий. Затем определить среднее номинальное напряжение, при котором будет работать радимикрофон. Оно равно среднему арифметическому между верхним и нижним допустимыми напряжениями питания. Например, верхнее напряжение 9В (свежая батарея), нижнее 7В (разряженная батарея): Un ср.ном. =(9+7) 2=8 В. При этом напряжении и нужно настраивать передатчик. К выходу передатчика подключается эквивалент (два резистора МЛТ-0,5 100 Ом, соединенных параллельно). Отпаивается от общего провода вывод стабилитрона VD3,выключается последовательно с ним миллиамперметр с пределом 30-60 мА. Включается питание передатчика. Варьируя напряжением питания от минимально допустимого до максимального, подбором сопротивления резистора R10 добиваются, чтобы при крайних напряжениях питания стабилитрон не выходил из режима стабилизации (минимальный ток стабилизации для КС 162А - 3мА, максимальный - 22мА. Восстанавливается соединение. При правильном монтаже и исправных деталях микрофонный усилитель на первом этапе настройки в налаживании не нуждается. Контролируем волномером (или, в крайнем случае, на вещательном УКВ радиоприемнике, расположив его антенну вблизи передатчика), появление сигнала частотой 72,0...73,0 МГц в контуре L1C6. Вращением сердечника и катушки L1 добиваемся максимального значения этого напряжения, затем переходим к контуру L3C9C10, контролируя напряжение, теперь уже с частотой 144,0... 146,0 МГц. С помощью волномера или приемника двухметрового диапазона добиваемся его максимального уровня. Затем, расположив волномер у выхода передатчика, еще раз подстраиваем все контуры на максимум выходного напряжения. Возникающее при настройке паразитное самовозбуждение можно обнаружить по резким изменениям показаний волномера в процессе настройки, по появлению посторонних призвуков при прослушивании сигнала на приемнике, по наличию показаний волномера при его расстройке по частоте и при замыкании кварцевого резонатора. Настроив все каскады несколько раз по максимуму выходного напряжения, подбираем сопротивление резистора R7 в кварцевом генераторе, затем переходим к удвоителю и балансируем его по максимальному подавлению сигнала частотой 72,0...73,0 МГц на выходе Наличие гармоник и их абсолютный уровень удобно наблюдать на анализаторе спектра, который, к сожалению, не стал еще прибором массового применения. При точной балансировке удвоителя подавляются все нечетные гармоники, а четные, кроме второй (ради которой и построен передатчик), отфильтровываются, как и гармоники самого кварцевого резонатора. Для более "дотошных" настройщиков можно порекомендовать подобрать по максимальной мощности передатчика саму величину и соотношение емкостей конденсаторов С4 и С5. Юстировку частоты можно производить небольшим смещением сердечника катушки L1, а также изменением емкости С3, помня о том, что при изменении емкости этого конденсатора меняется и перекрытие варикапной матрицы по частоте. Следовательно, будет меняться и максимальная девиация частоты, которую при необходимости можно скорректировать подбором сопротивления резистора R2. Интересен вариант включения умножителя частоты передатчика для учетверения частоты. При этом частота настройки контура L1C9 должна быть 36,0...36,5 МГц, а кварцевые резонаторы можно использовать начиная с 7,2....7,3, 9,0. ..9,125, 12,0...12,166, 18,0...18,25 МГц и обертонные
21,6...21,9, 27,0...27,375, 36,0...36,5 МГц (3-я гармоника) и 36,0...36,5, 45,0...45,625, 60,0...60,83 МГц (5-я гармоника). Естественно, чем больше умнoжeниe частоты, тем меньше получаемая на выходе передатчика мощность и тем тщательнее требуется настройка. Антенной передатчика может служить четвертьволновый вибратор, укороченный катушкой в основании, или спиральная антенна. В стационарном положении приемлем весь арсенал от GP до многоэлементных и многоярусных антенн. При питании передатчика от 12-ти вольтного источника следует установить стабилитрон VD1 с большим напряжением стабилизации, например Д814А, Д814Б, Д818, подобрав заново R7.
|