|
Стерео FM передатчик
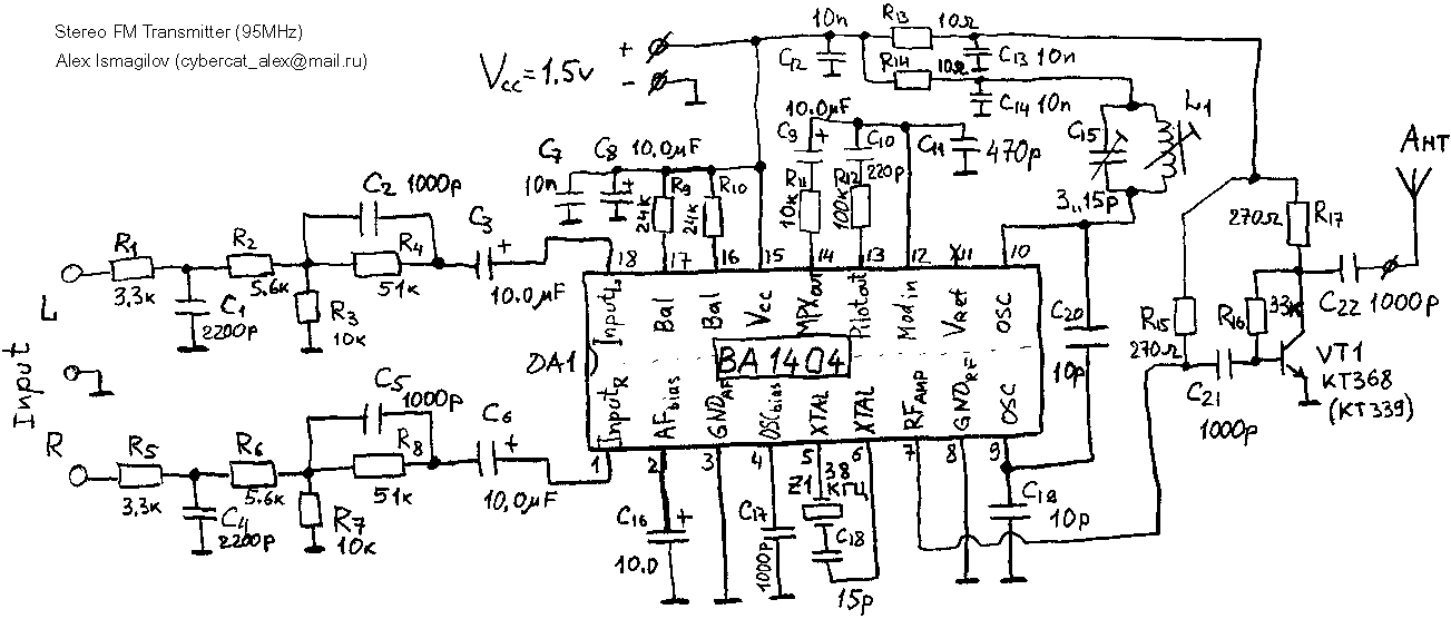
Передатчик предназначен для прослушивания источников звука не имеющих своей акустической системы, например, CD-проигрывателя через магнитолу. Выходной транзистор (VT1) можно поставить любой ВЧ с граничной частотой около 500МГц. Наиболее часто в подобных схемах используется КТ368. Также пробовал КТ339 - тоже все работает. Не ручаюсь за правильность выбора режима и рабочей точки и согласования транзистора, возможно наверное оптимизировать этот каскад, но ведь работает и так. Если у кого получится сделать более хороший вариант этого узла - дайте знать. Вообще можно сделать этот каскад на свой вкус - от него зависит дальность работы, тогда сигнал на усилитель мощности подается с 7 ноги. Резисторы R9, R10 отвечают за стереобаланс в модуляторе, можно поставить туда переменник (50 или 100кОм) если нужен регулятор стереобаланса.
Параметры стереопередатчика:
Диапазон частот: 80 - 100 МГц (FM)
Радиус действия: 3 - 6 метров
Питание: 1,5В (1 батарейка АА)
Потребление: 6,5 мА
Кварц на 38 кГц (не МГц)

[ Увеличить в новом окне ]
Самое сложное в этой схеме - контур и его настройка. Было два варианта. Первый: подстроечный конденсатор 3..15пФ (или 5..20) (+необходимо учитывать паразитную емкость монтажа), и катушка из 6 витков провода диаметром 0.5мм с диаметром намотки 5 мм. Есть очень полезная программка по расчету контуров. По ней можно рассчитать катушку при заданных частоте и емкости, и наоборот. Минус такой катушки - микрофонный эффект (если по ней постучать, то в приемнике этот стук будет слышен), но от него избавляются заливкой катушки парафином после настройки. Индуктивность этой катушки можно подстраивать растягивая и сжимая ее. Второй: есть готовые катушки с подстройкой индуктивности (на 0.5 мкГн), они удобнее - их подстраивать проще и экран у них есть (его заземлить надо, причем до начала настройки контура). Дальше сам процесс настройки: есть 3 степени свободы у этой системы - настройка приемника, подстройка катушки и подстройка емкости. В начале необходимо установить частоту на приемнике (чтобы была свободной от других сигналов). Далее если это готовая катушка, то установить подстроечник на середину, а если самодельная, то оставить ее в изначальном виде и попытаться добиться приема подстройкой конденсатора. Если не настраивается, то попробовать наоборот - подстраивать катушкой. В-общем процесс творческий :) (Это при условии что схема собрана правильно и работает) (на 7 ноге микросхемы должен присутствовать FM сигнал). Если все делается на печатной плате, то после сборки ее рекомендуется промыть от канифоли спиртом или ацетоном, и проверить настройку контура еще раз (может немного съехать частота).
Ниже приведен вид со стороны элементов и печатная плата. Трассировка платы не самая удачная, хотя все очень компактно получилось.

Ismagilov Alex cybercat_alex (at) mail.ru www.cooler.it
Источник: shems.h1.ru
|