Что-то не так?
Пожалуйста, отключите Adblock.
Портал QRZ.RU существует только за счет рекламы, поэтому мы были бы Вам благодарны если Вы внесете сайт в список исключений. Мы стараемся размещать только релевантную рекламу, которая будет интересна не только рекламодателям, но и нашим читателям. Отключив Adblock, вы поможете не только нам, но и себе. Спасибо.
Как добавить наш сайт в исключения AdBlockРеклама
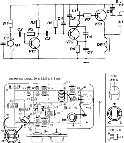
Простой FM радиомикрофон
|
По моему мнению это наилучшая схема микропередатчика во всЈм рунете. Я собрал 5 штук таких передатчиков и убедился - схема отличная, в настройке, практически, не нуждается (нужно только подобрать частоту растяжением или сжатием витков катушки L1). Приемуществ в данной схеме масса: высокая стабильность частоты (Частота не уходит при касании рукой антенны, катушки); высокая чувствительность; высокая выходная мощность. Чтобы радиус действия был максимален, нужно выбирать приЈмник с максимальной чувствительностью,антенна должна располагаться вертикально и удалена от металлических предметов, не нужно располагать жучЈк рядом с телевизором, радиоприЈмником.
|
