LAB599.RU — интернет-магазин средств связи
EN FR DE CN JP

Радиомикрофон 88-108 МГц




Радиомикрофон 88-108 МГц
 Радиомикрофон

 Радиомикрофон

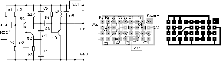
R1 12K C1 0.1mkF T1 KT368AM R2 33K C2 1.5nF T2 KT368AM R3 200 C3 10pF T3 KT368AM R4 100K C4 10pF DA1 78LO5 R5 22K C5 0.1mkF C6 7.5pF C7 7.5pF

  L1 содержит 5 витков провода диаметром 0.4..0.5мм на каркасе из центрального изолятора телевизионного антенного кабеля. L2 подходящий по размеру с ферритовым сердечником. Питание со стабилизатором 6..12В, без - 3,6В. Частота 88 .. 108МГц, которая может быть легко изменена, например, на 144МГц. Чувствительность микрофона позволяет услышать непот. Дальность приема определяется в первую очередь приемником, и для переносного плеера (20..30мкВ) позволяет "пробить" 9 этажей панельного дома, для приемников чувствительностью (0.5..1мкВ) результат улучшится. Конденсаторы С6, С7 и резистор R5 ставить не предполагалось, поэтому места для них на плате нет и они припаиваются снизу платы и могут быть в корпусах для поверхностного монтажа (SMD). На фото показан микрофон без стабилизатора напряжения 78lo5, этот стабилизатор потребляет от источника питания 5мА что равно потреблению всего микрофона, по этой причине он не был поставлен, однако без стабилизатора имеется уход частоты при разряде элементов питания. Наилучший выход в этой ситуации - применить стабилизатор на транзисторе. При аккуратной сборке микрофон начинает работать сразу и остается только выставить частоту подбором катушки L1 и конденсатора С6. Более точно частота настраивается сжатием или растяжением витков катушки L1. Проводники к элементам питания делаются сравнительно большой длинны 20..30см, так они будут играть роль антенного противовеса что увеличит мощность излучения, можно так же провода питания сделать короткими а к общему проводнику схемы припаять провод длинной примерно 1/4 длинны волны. После сборки подгоняется частота микрофона и настраивается антенна по максимальному излучению. Поле можно контролировать по индикатору излучения. Антенный проводник берется заведомо больше 1/4 длинны волны после чего укорачивается небольшими кусками. При работе микрофона антенна и антенный противовес должны быть в одной линиии и расходиться в противоположные стороны так достигается наиболее сильное излучение и дальность связи.

Источник:
Источник: shems.h1.ru

Партнеры