|
Малогабаритный УКВ ЧМ передатчик

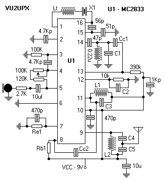
This project is basically best suited for a single channel operation like use in a repeater or for dedicated use of Tx in packet radio station. The circuit is taken from the datasheet for the IC. A photograph of the project is shown here for reference. The user is required to use appropriate power amplifier stage for increased power output. The circuit is assembled on a double sided glass epoxy pcb and anyone wishing to try it out can contact me.
Админ: для получения данных катушек следует обратиться к похожим статьям и (395 kB).
Источник:
Источник: shems.h1.ru
|