|
Радиомикрофон с дальностью действия 300 метров
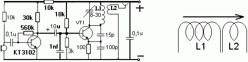
Расположение катушек показано на рисунке 2. Катушки данного радиомикрофона мотаются на оправах диаметром 3 мм, медным проводом 0,7мм. L1 содержит 5 витков, L2 содержит 2 витка. VT1 - КТ368(АМ, А9). Напряжение питания 9 вольт. Радиомикрофон работает на частоте около 95 МГц. Подгонка частоты осуществляеться подстроечным конденсатором 8..30пф. Автор применил резисторы SMD. Антеной служит проводок длиной порядка 40 см. Чувствительность настолько хорошая, что позволяет слушать человека говорящего по телефону в 5-ти метрах от радиомикрофона. Фотография устройства:
 
Источник: shems.h1.ru
|