|
Кварцевый FM-генератор на одном транзисторе

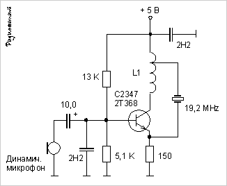
В моей юности я сделал несколько типов транзисторных FM-передатчиков на базе простых генераторных схем. Но они работали плохо. Частота передачи легко менялась под воздействием различных факторов была очень нестабильна. Наконец, я нашел схему FM-передатчика лучше предыдущих. Этот генератор использовал кварцевый резонатор. Генератор работал на 5-ой гармонике кварца с основной частотой 19,2 МГц, таким образом выходная частота составила 19,2x5=96 МГц. Частота передатчика модулировалась низкочастотным сигналом, подаваемым на базу транзистора. Для указанной частоты катушка L1 содержит 4 витка медного провода диаметром 0,8 мм, отвод от 3/4 витка. Диаметр намотки - 10 мм. Маленькое предупреждение! Не присоединяйте антенну для этого передатчика! Антеннный провод изменяет частоту передатчика. В связи с этим эта схема может быть использована только в пределах одной комнаты.
Kazuhiro Sunamura (JF1OZL), Japan Подготовил и перевел RA3TOX
Источник: shems.h1.ru
|