Что-то не так?
Пожалуйста, отключите Adblock.
Портал QRZ.RU существует только за счет рекламы, поэтому мы были бы Вам благодарны если Вы внесете сайт в список исключений. Мы стараемся размещать только релевантную рекламу, которая будет интересна не только рекламодателям, но и нашим читателям. Отключив Adblock, вы поможете не только нам, но и себе. Спасибо.
Как добавить наш сайт в исключения AdBlockРеклама
Универсальный терморегулятор овощевода
|
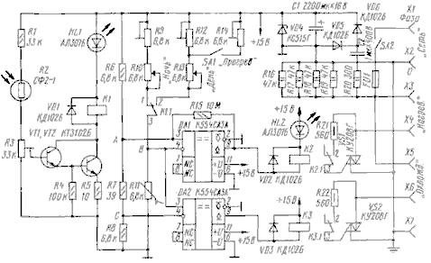
Терморегулятор предназначен для прогревания семян и автоматического поддержания ночных и дневных температур при выращивании рассады овощных культур на подоконнике, застекленном балконе или в необогреваемой теплице. Болезни овощных культур передаются через семена, и их перед посадкой в фунт необходимо обеззаразить прогреванием. С другой стороны, выращивание рассады в условиях пониженной освещенности требует соблюдения определенного температурного режима. Обе эти функции выполняет предлагаемый вниманию читателей терморегулятор. Он поддерживает заданные значения ночной и дневной температур в диапазоне от 0 до +25 °С при подключении нагрузок (вентилятора, тепловентилятора, кипятильника) мощностью до 1 кВт. В режиме прогревания семян обеспечивается температура до +62 С. Работает терморегулятор следующим образом. Ночью, при низкой освещенности, сопротивление фоторезистора R2 (см. рисунок) достаточно высоко и напряжение на движке подстроечного резистора RЗ не в состоянии открыть транзисторы VT1, VT2. В результате обмотка реле К1 оказывается обесточенной и его контакты К1.1 (1,3) замкнуты. При перемещении движка регулировочного резистора R10 ("Ночь") в нижнее (по схеме) положение происходит разбалансировка моста, образованного резисторами R6—R11, и нaпряжение в точках А и С становится положительным относительно точки В. Напряжение на выходе компаратора DA1 близко к напряжению питания. Реле К2 в этом случае обесточено, его контакты К2.1 (2, 3) разомкнуты и цепь запуска симистора VS1 разорвана. Напряжение же на выходе компаратора DA2 близко к нулю. В результате срабатывает реле КЗ и его контакты КЗ. 1 (2,3) замыкают цепь запуска симистора VS2, включается вентилятор "Охлаждение" и холодный ночной воздух поступает в замкнутый объем теплицы с расположенным в ней терморезистором R11.
По мере охлаждения помещения сопротивление терморезистора увеличивается, мост балансируется и вентилятор отключается. При понижении температуры ниже заданного регулировочным резистором R10 значения напряжение в точке В оказывается выше, чем в точке А. Напряжение на выходе компаратора DA1 становится равным нулю, и срабатывает реле К2. Его контакты К2.1 (2,3) зaмыкают цепь запуска симистора VS1. Включается канал "Нагрев", и теплый воздух из комнаты нагнетаетнагнетается в обогреваемый объем. С восходом солнца освещенность увеличивается, сопротивление фоторезистора R2 уменьшается, ток через под-строечный резистор RЗ растет и напряжение на его движке становится достаточным для открывания транзисторов VT1,VT2. При их открывании срабатывает реле К1 и его контакты К1.1 (2,3) подключают к мосту R6—R11 регулировочный резистор R13 ("День"). Напряжение в точке В становится положительным относительно напряжения в точках А и С. При этом включается симистор, управляющий каналом "Нагрев". После восхода солнца температура внутри застекленного балкона или закрытой теплицы быстро превысит наружную и канал "Нагрев" отключится. Однако температура на балконе и в теплице вследствие увеличения солнечной радиации продолжает расти, а напряжение на терморезисторе R11 в точке В — падать. Напряжение между точками А и С всего 40 мВ, и температура терморезистора должна возрасти приблизительно на 0,3 °С для того, чтобы напряжение в точке С превысило напряжение в точке В и включился бы канал "Охлаждение". Зона нечувствительности терморезистора в пределах 0,3 °С необходима для предотвращения автоколебательных процессов в системе автоматического регулирования. В режиме "Прогрев" к подстроечному резистору R12 подключaется подстроечный резистор R14, которым выставляется максимальная температура термостатирования, равная 62 °С. Резисторы R16—R19 предназначены для подогрева воздуха с целью понижения его относительной влажности. Они размещаются равномерно внутри корпуса устройства в нижней его части. Питается терморегулятор от одно-полупериодного выпрямителя с гасящим конденсатором. В устройстве применены постоянные резисторы С5-42В-2 (Р20), КИМ-0.125 (Р15) и МЛТ (остальные), переменные резисторы — СП-1А (Р10, Р13), подст-роечные — СПЗ-19а, терморезистор Р11 — ММТ-1, фоторезистор — СФ2-1. Конденсаторы К50-16 (С1) и К73-17 (С2). Реле К1— КЗ — герконовые РЭС55А с сопротивлением обмотки 1880 Ом. Вместо симисторов КУ208Г можно использовать КУ602Г. При коммутации приборов мощностью выше 1 кВт необходимы более сильноточные приборы с соответствующими теплоотводами. Транзисторы КТ3102 могут иметь любой буквенный индекс. Основные детали терморегулятора смонтированы на односторонней печатной плате, размещенной в металлическом корпусе. На фронтальной его стороне установлены гнезда для подключения сетевого напряжения и вентиляторов, а также коммутационные элементы, светодиодные индикаторы, регулировочные резисторы Р10, Р13, снабженные про-градуированными в градусах шкалами, гнездо заземления ("под винт") и отверстия для доступа к подстроечным резисторам RЗ, R9, R12, R14. На боковой поверхности корпуса просверлено отверстие диаметром 10 мм, заклеенное прозрачной липкой лентой, напротив которого внутри корпуса установлен фоторезистор R2. Для защиты от внешних механических воздействий терморезистор R11 помещен в цилиндрическую проволочную "клетку" и соединен с устройством экранированным проводом длиной 2 м. При сборке устройства желательно подобрать резисторы СП-1А так, чтобы их максимальные сопротивления были близки к сопротивлению терморезистора ММТ-1, измеренному при +20 °С. В этом случае минимальное значение температуры на шкалах резисторов Р10, Р13 будет равно О °С а максимальное — +25 °С. При градуировке их шкал датчик температуры и термометр (желательно с ценой деления 0,1°С) помещаются в заглушенную с одной стороны металлическую трубку, опущенную в кастрюлю объемом 2...3 л. Кастрюлю наполняют водой температурой 30 С Движки регулировочных резисторов R10, R13 устанавливают в крайнее верхнее (по схеме) положение (минимальное сопротивление), а движки подстроечных резисторов R9, R12 — в положение максимального сопротивления. Вращая движок резистора RЗ, добиваются максимальной яркости свечения светодиода HL1. При этом замыкаются контакты К1.1 (2, 3) реле К1, подключая к измерительному мосту регулировочный и подстроенный резисторы дневных температур R13, R12. По мере остывания воды показания термометра периодически контролируют. Когда показание термометра будет равно +29 °С, движок подстроечного резистора R12 устанавливают в положение, при котором светодиод HL2 "Нагрев" загорается, и напротив ручки-указателя резистора R13 на шкале делают отметку "+29 °С". После этого затемняют "окно" фоторезистора R2, что приводит к замыканию контактов К1.1 (1,3) реле К1, которые подключают к измерительному мосту регулировочный и подстроенный резисторы ночных температур R10, R9. Вращая движок подстроечного резистора R9, снова находят положение, при котором светодиод HL2 "Нагрев" загорается и напротив ручки-указателя резистора R10 на шкапе делают отметку "+29 "С". Цена деления шкалы — 1 °С. Градуировку проводят до тех пор, пока температура воды в кастрюле не сравняется с комнатной. Затем регулировочные резисторы устанавливают в крайнее нижнее (по схеме) положение. Кастрюлю заполняют снегом или битым льдом. При температуре О °С с помощью регулировочных резисторов R10, R13 на соответствующих шкалах делают отметки, при которых загорается светодиод HL2 "Нагрев" и обозначают их как "О °С". Градуировку продолжают до момента, когда температура воды в кастрюле сравняется с комнатной. Для градуировки шкалы "Прогрев", располагающейся над шкалой дневных температур, воду нагревают до +70 °С. Движок резистора дневных температур R13 ставят в крайнее верхнее (по схеме) положение, а выключатель 8А1 — в положение "Прогрев". При понижении температуры воды до +62°С подстроечный резистор R14 устанавливают в положение, при котором светодиод HL2 загорается. Напротив ручки-указателя резистора R13 на шкале делают отметку "62°С". Цена деления шкалы — 1 °С. Градуировку продолжают до тех пор, пока температура воды в кастрюле не сравняется с комнатной. Температурный коэффициент сопротивления терморезистора при +60 °С в четыре раза меньше, чем при +20 °С. Соответственно уменьшаются и расстояния между метками на шкале "Прогрев", что затрудняет точную установку необходимой температуры термо-статирования. Во избежание ошибок необходимо применять контрольный термометр. При прогревании посадочного материала в большую кастрюлю наливают воду и погружаю в нее кипятильник, подключенный к гнездам "Нагрев". На поверхность воды опускают миску с датчиком температуры и контрольным термометром, накрытыми теплоизоляционной тканью. Температуру термоста-тирования устанавливают регулировочным резистором R13 несколько меньше необходимой. Затем включают переключатель 5А1 "Прогрев", и через некоторое время после установки температуры проверяют показания термометра. Если температура недостаточна, меняют положение регулировочного резистора R13 и снова проверяют показания термометра. Добившись необходимой температуры, прогреваемый материал помещают в миску и накрывают тканью. При выращивании рассады на подоконнике следует обеспечить оптимальные дневные и ночные температуры при относительно стабильной температуре в помещении. С этой целью делают "карман", для чего над подоконником натягивают полосу плотной белой ткани шириной 55 см, которая одновременно служит светоотражающим экраном, увеличивающим освещенность растений. Для предотвращения тепломассообмена ткань должна плотно прилегать к внутренней поверхности стен. Вентилятор канала "Нагрев" мощностью 15 Вт расположен над подоконником на высоте 80 см и нагнетает теплый воздух из помещения в "карман". Вентилятор канала "Охлаждение" мощностью 30 Вт расположен на внутренней дверце форточки и нагнетает холодный наружный воздух. Чтобы поток воздуха направлялся в "карман", к форточке прикрепляют занавеску из белой ткани несколько длиннее высоты дверцы. Нагружая нижний край занавески бельевыми прищепками, можно придать необходимое направление потоку воздуха. Датчик температуры располагают в таком месте, где нет прямого потока воздуха от вентиляторов. При эксплуатации устройства в застекленном балконе или необогреваемой теплице к каналу "Нагрев" подключают теп-ловентилятор, а к каналу "Охлаждение" — работающий на вытяжку осевой вентилятор мощностью до 100 Вт и более. После установки терморегулятора на постоянное место с восходом солнца с помощью резистора RЗ добиваются характерного щелчка контактов реле К1, свидетельствующего о переключении устройства в режим термостатиро-вания дневных температур. От редакции. Устройство не имеет гальванической развязки от питающей сети, вследствие чего его эксплуатация недопустима без надежного заземления корпуса терморегулятора и вентиляторов. Всю настройку следует производить, подключив стабилитрон VD4 терморегулятора к лабораторному источнику питания напряжением 20 В через ограничительный резистор 160 Ом. Кузнецов Олег
|