Что-то не так?
Пожалуйста, отключите Adblock.
Портал QRZ.RU существует только за счет рекламы, поэтому мы были бы Вам благодарны если Вы внесете сайт в список исключений. Мы стараемся размещать только релевантную рекламу, которая будет интересна не только рекламодателям, но и нашим читателям. Отключив Adblock, вы поможете не только нам, но и себе. Спасибо.
Как добавить наш сайт в исключения AdBlockРеклама
Индикатор направления ветра
|
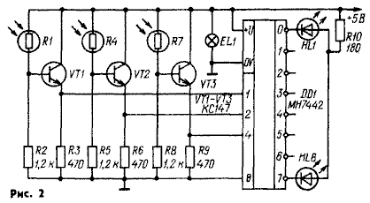
Для определения направления ветра, азимута антенны и во многих других случаях, когда необходима приблизительная информация об ориентации контролируемого объекта в какой-либо плоскости, можно использовать индикатор, устройство датчика которого упрощенно показано на рис. 1, а принципиальная схема - на рис. 2. Датчик (см. рис. 1) состоит из закрепленного на валике 8 непрозрачного перфорированного диска 5 и размещенных по разные стороны от него лампы накаливания 6 и планки 1 с фоторезисторами 2 — 4 (в скобках указаны их позиционные обозначения по схеме). Валик свободно вращается в подшипниках 9 и 10, установленных на верхней и нижней стенках корпуса (для простоты не показан), флюгер 7 закреплен на выступающем за его пределы конце валика.Отверстия в диске 5 имеют форму секторов колец трех различных диаметров и расположены таким образом, что при его повороте лампа 6 освещает либо один, либо два, либо все три фоторезистора. Как видно из схемы (см. рис. 2), фоторезисторы R1, R4, R7 вместе с резисторами R2, R6, R8 образуют делители напряжения в цепях баз транзисторов VT1, VT2, VT3, эмиттеры которых соединены с входами 1, 2, 4 дешифратора DD1 (его вход 8 подключен к общему проводу). При углах поворота, соответствующих затемненным фоторезисторам (между ними и лампой 6 находится сектор диска без отверстий), все транзисторы практически закрыты, напряжения на входах 1, 2 и 4 имеют уровень логического 0, и горит светодиод HL1 (на табло он обозначен буквой "С". что означает “северное направление”). При повороте флюгера 7, а следовательно, и диска 5 свет от лампы 6 попадает на один или несколько фоторезисторов; транзисторы, к базам которых они подключены, открываются, и на соответствующих входах дешифратора DD1 появляется уровень 1. В результате на одном из его выходов 1—7 возникает уровень 0 и соединенный с ним светодиод зажигается, индицируя направление, в которое установился флюгер. В устройстве можно использовать дешифраторы К134ИД6, К555ИД6, КМ555ИД6. Транзисторы серий КТ315, КТ3102 и т. д. светодиоды АЛ307БМ. Соответствие между направлениями на стороны света, кодами на входе дешифратора и позиционными обозначениями светодиодов представлено в таблице.
РАДИО №10, 1987
|
Индикатор направления ветра