Что-то не так?
Пожалуйста, отключите Adblock.
Портал QRZ.RU существует только за счет рекламы, поэтому мы были бы Вам благодарны если Вы внесете сайт в список исключений. Мы стараемся размещать только релевантную рекламу, которая будет интересна не только рекламодателям, но и нашим читателям. Отключив Adblock, вы поможете не только нам, но и себе. Спасибо.
Как добавить наш сайт в исключения AdBlockРеклама
Как проверить ЖК дисплей
|
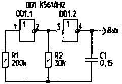
В "Радиолюбителе" [1] была статья о проверке индикатора на жидких кристаллах с использованием сетевого напряжения. Хорошей альтернативой для проверки жидкокристаллических индикаторов может стать применение в качестве пробника генератора прямоугольных импульсов, собранного на любой доступной элементной базе. Один из вариантов такого пробника на инверторах К561ЛН2 приведен на схеме. Пробник размещен на печатной плате размерами 21х37 мм в корпусе от батареи типа "КРОНА". К выводу 4 инвертора DD1.2 припаян провод, который пропущен через дно батареи, вывод 7 соединен с корпусом, а к выводу 1.4 подключается "+" источника питания. Проверка индикатора очень проста. Пробник подключают к источнику питания, и металлический корпус пробника зажимают в левой руке. Выход пробника подключают к общему проводнику индикатора, и сжимая с легким усилием большим и указательным пальцами правой руки выводы индикатора, убеждаются в его работоспособности. Такая оперативная проверка индикаторов на жидких кристаллах позволяет избежать приобретения бракованных приборов. Литература: Мурзич А. Проверка ЖКИ. - Радиолюбитель, 1997; N10, С 19. И. ЦАПЛИН |
Как проверить ЖК дисплей