Что-то не так?
Пожалуйста, отключите Adblock.
Портал QRZ.RU существует только за счет рекламы, поэтому мы были бы Вам благодарны если Вы внесете сайт в список исключений. Мы стараемся размещать только релевантную рекламу, которая будет интересна не только рекламодателям, но и нашим читателям. Отключив Adblock, вы поможете не только нам, но и себе. Спасибо.
Как добавить наш сайт в исключения AdBlockРеклама
Приборы для пчеловодов
|
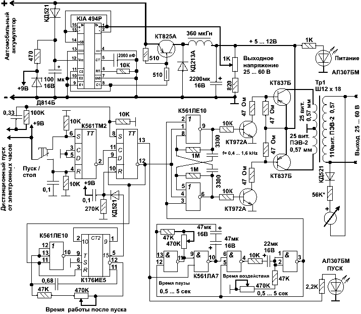
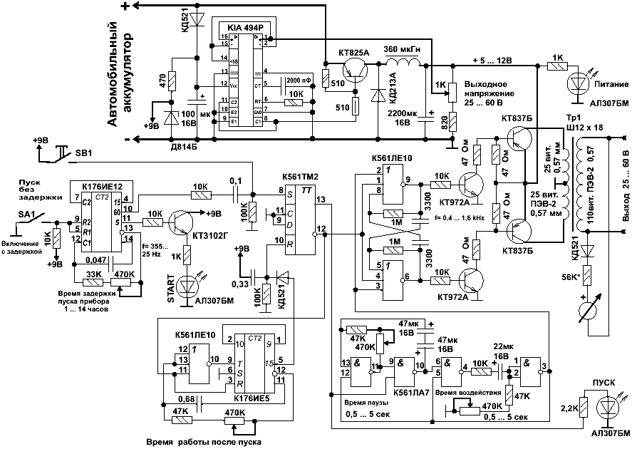
Несмотря на то, что пчеловодство является древнейшим занятием человечества, электронных приборов в помощь пчеловодам придумано немного. В печати чаще всего публикуют схемы акустического контроля начала роения. Внутри улья устанавливают микрофон, подключенный к полосовому фильтру, выделяющему определЈнную полосу частот, характерную только для начала роения и подключают к усилителю с пороговым устройством. Более десяти лет назад автор сайта разрабатывал и даже выпустил небольшую партию приборов под названием «ПчЈлка-1» …. «ПчЈлка-3» для безопасного импульсного воздействия на пчЈл с целью получения пчелиного яда. ![]() Принципиальная схема прибора "Пчелка-1" Суть метода такова: вместо обычных рамок в ульи устанавливаются специальные рамки, у которых на месте вощины располагается пластина из оконного стекла. По боковым сторонам деревянной рамки, на расстоянии 4 мм, не до конца набиваются маленькие гвозди, на которые закрепляют тонкую нихромовую проволоку. Монтаж ведЈтся в два провода, каждый из которых закрепляется на своих гвоздиках, чтобы рамка заполнилась параллельно натянутыми проводниками. Между двумя соседними проводниками не должно быть электрической цепи. На расстоянии 3 мм. от проводников закрепляется стеклянная пластина. От каждой рамки отходят два проводника, которые соединяют с проводниками соседней рамки и с выходом прибора для импульсного воздействия. Воздействие на пчЈл производят рано утром, примерно в 4 часа утра и продолжают в течении одного часа. ПчЈлы получают электрический удар напряжением примерно 60 В и частотой около 1 кГц, который длится около 1 сек, а затем следует пауза около 5 сек. Эти неутомимые труженики начинают жалить стекло и выпускают на него пчелиный яд, который быстро высыхает на стекле. ДнЈм рамки вынимаются, снимается стеклянная пластина и лезвием бритвы соскабливается порошкообразный налЈт, который собирается в специальную Јмкость. Ввиду очень большой токсичности яда, делают это чрезвычайно осторожно и защищая органы дыхания. Так как пасеки, обычно, располагаются далеко от жилья, питание электронного прибора осуществляют от автомобильного аккумулятора. ![]() [ Увеличить в новом окне ] Принципиальная схема прибора "Пчелка-2" Прибор, который автор назвал «ПчЈлка-1», запускается от контактов обычного электронного будильника на одной батарейке. Будильник устанавливают на 4 часа утра, а время работы прибора устанавливается переменным резистором. На лицевой панели прибора также имеются регуляторы длительности импульса воздействия и паузы, а также регулятор выходного напряжения, которое можно контролировать с помощью миниатюрного стрелочного индикатора. Следующей модификацией был прибор «ПчЈлка-2», запуск которого производится с помощью встроенного таймера, без применения внешних часов. Время задержки начала пуска устанавливается переменным резистором на лицевой панели прибора. Прибор «ПчЈлка-3» явился более мощной модификацией предыдущего прибора, не имеющей существенных отличий в принципиальной схеме, которая здесь не приводится. При пользовании прибором не следует устанавливать максимальные параметры воздействия, в противном случае возможна гибель пчЈл. В любом случае воздействие подбирают экспериментально, в максимально щадящем режиме.
|

