LAB599.RU — интернет-магазин средств связи
EN FR DE CN JP
QRZ.RU > Каталог схем и документации > Схемы наших читателей > Дайджест радиосхем > Конвертер диапазона 128-148 МГц в диапазон 88-108 МГц

Конвертер диапазона 128-148 МГц в диапазон 88-108 МГц




Конвертер диапазона 128-148 МГц в диапазон 88-108 МГц

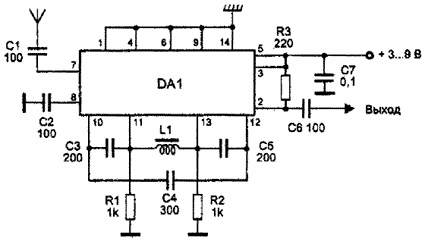
  Отсутствие элементов настройки существенно упрощает конструкцию преобразователя, так как настройка производится самим приемником. В конвертере используется микросхема К174ПС1, которая имеет хорошую развязку между сигналом гетеродина и входным сигналом. Следовательно, даже мощные входные сигналы незначительно расстраивают гетеродин. Микросхема некритична к питающему напряжению, так как содержит встроенный стабилизатор напряжения.

 Конвертер диапазона 128-148 МГц в диапазон 88-108 МГц

  Частоту гетеродина определяют параметры контура L1, C4. Входной сигнал поступает через конденсатор С1 на вход преобразователя частоты. На нагрузке преобразователя резисторе R3 выделяются суммарная и разностная составляющие сигнала. Частота гетеродина задается равной 40 МГц. При использовании приемника с диапазоном 88-108 МГц используется разностная частота, а суммарная - отфильтровывается входными цепями приемника. В нашем случае с помощью конвертера перекрывается диапазон входных сигналов от 128 МГц до 148 МГц. При необходимости можно перекрывать и другие диапазоны, путем изменения частоты гетеродина. Микросхема DA1 работоспособна до частоты 200 МГц.

  Катушка L1 намотана на подстроечном сердечнике от магнитопровода СБ-1а и содержит 5 витков провода ПЭВ 0,3 мм, намотанных виток к витку. Микросхему DA1 можно заменить на К174ПС4 или ее аналог SО42P. Настройка конвертера сводится к установке частоты гетеродина изменением индуктивности катушки L1.

Андрианов В.И., Бородин В.А., Соколов А.В.
"Шпионские штучки и устройства
для защиты объектов и информации", 1996

Источник: shems.h1.ru

Партнеры