Что-то не так?
Пожалуйста, отключите Adblock.
Портал QRZ.RU существует только за счет рекламы, поэтому мы были бы Вам благодарны если Вы внесете сайт в список исключений. Мы стараемся размещать только релевантную рекламу, которая будет интересна не только рекламодателям, но и нашим читателям. Отключив Adblock, вы поможете не только нам, но и себе. Спасибо.
Как добавить наш сайт в исключения AdBlockРеклама
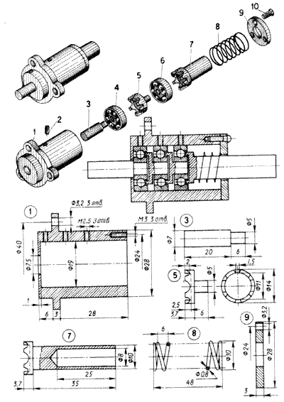
Верньер из шарикоподшипников
|
При изготовлении связных радиоприемников, трансиверов, различной измерительной аппаратуры нередко бывает нужен верньер со сравнительно большим замедлением. Одна из простых конструкций подобного устройства может быть выполнена на базе шарикоподшипников. Причем замедление верньера зависит от числа используемых в нем шарикоподшипников: при трех оно составит примерно 21, при четырех — около 58 и т. д. Для примера рассмотрим устройство верньера из трех шарикоподшипников — чертежи деталей его приведены на рисунке. Наиболее трудоемкая деталь верньера — корпус 1, который придется выточить на станке. Внутренний диаметр корпуса должен быть таким, чтобы используемые подшипники (внешним диаметром 19 мм, внутренним 5 мм, шириной 6 мм) входили в него с трением. Сверху в корпусе сверлят три отверстия и нарезают в них резьбу М2,5 под винты 2, которыми подшипники фиксируют. Еще придется выточить ручку-ось 3, муфты 5 (2 шт.) и 7, крышку 9. Пружина 8, как и подшипники (на сборочном рисунке для упрощения показаны только два подшипника — 4 и 6), готовая. Муфты можно сначала выточить на токарном станке, а затем обработать их головки на фрезерном станке с делительной головкой. При отсутствии такой возможности пазы в головках муфт придется пропилить надфилем так, чтобы муфты садились на сепараторы подшипников плотно и без перекоса. Собирают верньер в такой последовательности. Ручку-ось 3 вставляют в подшипник 4 и раскернивают, чтобы подшипник плотно сидел на конце оси. Далее вставляют муфту 5 в подшипник 6 и раскернивают конец муфты. Аналогично готовят еще одну сборку из муфты и подшипника (соответственно детали 5 и 6). Вставляют ось 3 с подшипником 4 в корпус 1 и контрят подшипник первым винтом 2. Затем вставляют поочередно две сборки из муфт 5 и подшипников 6 так, чтобы муфты входили в сепараторы соответствующих подшипников. Контрят эти подшипники винтами 2. Проверяют работу этой части верньера. поворачивая ручку-ось и наблюдая за плавностью вращения сепаратора последнего подшипника. После этого устанавливают муфту 7, надевают на нее пружину 8 и крепят крышку 9 винтами 10. Перед сборкой верньера все детали рекомендуется промыть в керосине, а затем обильно смазать подшипники, головки муфт, пружину, например, смазкой ЦИАТИМ. Муфту 7 прикрепляют к оси конденсатора переменной емкости или переменного резистора, а фланец корпуса верньера прикрепляют к лицевой панели конструкции. Как показала трехлетняя эксплуатация верньера на личной радиостанции, он удобен в пользовании, обладает легкостью вращения ручки, высокой нагрузочной способностью выходного вала (муфты 7) и практически не имеет люфта. С. СУХОРУКОВ |