LAB599.RU — интернет-магазин средств связи
EN FR DE CN JP
QRZ.RU > Каталог схем и документации > Схемы наших читателей > Дайджест радиосхем > Высокая чувствительность приемника, простыми методами

Высокая чувствительность приемника, простыми методами




Высокая чувствительность приемника, простыми методами

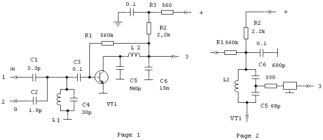
  Высокую чувствительность, 0.25-0.15мкВ, при минимальном количестве каскадов усиления, позволяет получить предлагаемый смеситель. Крутизна преобразования у него намного выше, чем у любых других смесителей. Динамический диапазон не высокий, и составляет около 40 дБ, но это вполне устраивает для использования его в приемниках для радиомикрофонов, вещательных приемниках, для носимых станций, устройств сигнализации и прочее. Схема смесителя приведена на рис.1.

 Высокая чувствительность приемника

  Входной сигнал и сигнал гетеродина подются в цепь базы транзистора VT1. Благодаря этому от гетеродина не требуется большой мощности. Контур L1C4 настраевается на рабочую частоту и включен в базу VT1 через конденсатор большой емкости. Хотя для входных сигналов транзистор включен по схеме с ОЭ, каскад не оказывает сильного шунтирующего влияния, так как работает для этих сигналов не как обычный усилительный каскад, а как смеситель. Благодаря этому контур включен в цепь базы полностью и при этом имеет достаточно острую настройку. По промежуточной частоте VT1 оказывается включенным по схеме с общей базой благодаря большой емкости С3. Выходное сопротивление каскада так же получается высоким, что позволяет включать контур ПЧ в цепь коллектора непосредственно. Для обеспечения хорошей фильтрации напряжения гетеродина, нагрузка выполнена в виде П. фильтра, если далее следует каскад УПЧ. Смеситель лучше работает с низкими ПЧ 0.455-1.6 МГц, хотя и для 10.7 МГц тоже давал хорошие результаты. Пример включения L2 и фильтра 10.7 МГц показан на рис 2. В качестве VT1 использовался транзистор КТ368А, КТ399. При выборе номиналов следует учесть, что при уменьшении емкости С5 крутизна растет, но схема может самовозбудится. Перед смесителем следует включать УВЧ с небольшим коэфициентом усиления. Один из вариантов показан на рис. 3.

 Высокая чувствительность приемника

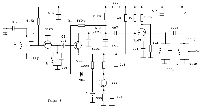
  Здесь для упрощения транзистор работает в баръерном режиме. Это часть схемы одноканальной портативной радиостанции, не требующей попарного подбора кварцевых резонаторов, благодаря отсутствию керамического фильтра. Частота ПЧ определяется настройкой контуров в пределах 600-900 кГц. Кроме того, выбор основной частоты резонатора так же не критичен, так как для работы смесителя достаточно амплитуды четных и нечетных гармоник. Требуемая гармоника выделяется контуром базовой цепи одновременно с входным сигналом. Сигнал гетеродина подается через обратно смещенный переход диода VD1. В качестве детектора использовалась микросхема К174ХА6.

Шатун Александр Николаевич
ashatun (at) mail.ru
312040, Украина, г. Дергачи,
пер. Октябрьский 16, тел.(8-263) 3-21-18

Источник: shems.h1.ru

Партнеры