Что-то не так?
Пожалуйста, отключите Adblock.
Портал QRZ.RU существует только за счет рекламы, поэтому мы были бы Вам благодарны если Вы внесете сайт в список исключений. Мы стараемся размещать только релевантную рекламу, которая будет интересна не только рекламодателям, но и нашим читателям. Отключив Adblock, вы поможете не только нам, но и себе. Спасибо.
Как добавить наш сайт в исключения AdBlockРеклама
УКВ ЧМ приемник
|
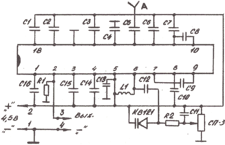
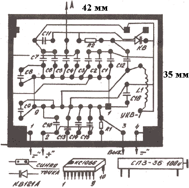
КонденсаторыРезисторы С1 - 220пф С10 - 180пф R1 - 22к С2 - 330/360пф С 11 - 0,01мкфR2 - 100к СЗ - 0,1-0,15мкф С 12 - 220пф R3 -100к-СПЗ-36 С4 - 220пф С 13 - 0,01мкф Варикап KB121А С5 - 220пф С14 - 0,01мкф , Э/проволока ПЭЛ-0,41 -10см С6 - 150пф С15 - 0,015-0,022мкф М/с КС1066ХА1 С7 - 3300пф С 16 - 0,1-0,15мкф С8 - 330-З60пф С9 - ЗЗООпф. Приемники УКВ диапазона, имеющие частотную модуляцию и следовательно низкий уровень атмосферных и промышленным помех, обладают высоким качеством звучания. Набор радиодеталей позволяет собрать УКВ ЧМ приемник на базе микросхемы КС1066ХА1(аналог TDA-7000 фирмы "Филипс"). В состав микросхемы входит регулятор бесшумной настройки, открывающий тракт звуковых частот только при наличии сигнала принимаемой станции.
Электронное устройство на базе варикапа KB121А позволяет перекрыть отечественный (65,8-73,0МГц) или зарубежный (88,0 - 108,0 МГц) УКВ диапазоны. Выход приемника хорошо согласуется с любым усилителем низкой частоты с входным сопротивлением не менее 22 КОм (усилители на м/с К174УН7, К174УН14 и т.д.). Подключение УКВ приемника через головные телефоны показано на Рис 1, а к усилителю на м/с К174УН14 на Рис 2. При напряжении питания усилителя выше 4,5 вольт, питание на УКВ приемник подавать через параметрический стабилизатор. К выходу радиоприемника можно подключить стереодекодер и таким образом получить возможность принимать стереопередачи. ![]()
Основные технические характеристики:
Настройка приемника заключается в установке границ диапазона (65,8-73МГц путем сближения или растягивания витков катушки L1 (содержит 6-8 витков провода ПЭЛ 0,41мм,намотанных на оправке диаметром 3,5мм с шагом 1мм или 3-4 витка для диапазона 88,0-108,0МГц). Антенной может служить телескопический штырь или небольшой отрезок монтажного провода длиной не менее 0,5м.
|
